电脑桌面
添加小米粒文库到电脑桌面
安装后可以在桌面快捷访问

模具厂岗位规范标准VIP免费

模具厂岗位规范标准_第1页
1/96
模具厂岗位规范标准_第2页
2/96
模具厂岗位规范标准_第3页
3/96
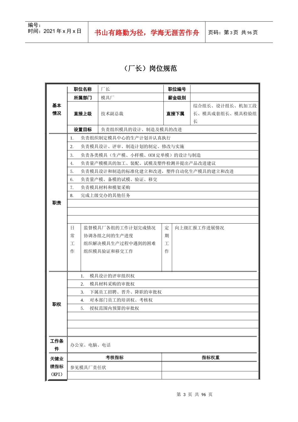
第1页共96页编号:时间:2021年x月x日书山有路勤为径,学海无涯苦作舟页码:第1页共96页模具厂岗位规范(厂长)岗位规范.................................................3(设计主管)岗位规范............................................5(机加工科主管)岗位规范........................................7(模具成套部主管)岗位规范.....................................9(模具验证组长)岗位规范.......................................11(计划核算统计员)岗位规范....................................13(设备管理员)岗位规范.........................................15(采购员)岗位规范..............................................17(仓管员)岗位规范..............................................19(钻/铣床工)岗位规范..........................................21(电脉冲工)岗位规范...........................................23(加工中心操作工)岗位规范....................................25(流转工)岗位规范..............................................27(磨床工)岗位规范..............................................29(抛光工)岗位规范..............................................31(热处理工)岗位规范...........................................33第2页共96页第1页共96页编号:时间:2021年x月x日书山有路勤为径,学海无涯苦作舟页码:第2页共96页(车工)岗位规范................................................35(线切割工)岗位规范...........................................37(模具工)岗位规范..............................................39(机加工艺编程)岗位规范.......................................41(加工中心编程)岗位规范.......................................43(资料管理员)岗位规范.........................................45(跟模工程师)岗位规范.........................................47(机加检验员)岗位规范.........................................49(调模工艺师)岗位规范.........................................51(配色/粉碎工)岗位规范........................................53(操作工)岗位规范..............................................55(模具雕刻工)岗位规范.........................................57(上下模、封样工)岗位规范....................................59(塑件检验员)岗位规范.........................................61(模具验证员)岗位规范.........................................63第2页共96页第3页共96页编号:时间:2021年x月x日书山有路勤为径,学海无涯苦作舟页码:第3页共96页(厂长)岗位规范基本情况职位名称厂长职位编号所属部门模具厂薪金级别直接上级技术副总裁直接下属综合组长、设计组长、机加工段长、模具成套组长、模具检验组长设置目标负责组织模具的设计、制造及模具的改进职责1.负责组织制定模具中心的生产计划并认真执行2.负责模具设计、评审、制造计划的制定、修改与实施3.负责各类模具(生产模、小样模、OEM定单模)的设计与制造4.负责量产模模具的加工、装配、试模及塑件检测并提出产品改进建议5.负责模具设计和制造的标准化建立和改进,塑件自动化生产模具的建立和改进6.负责量产模、备模的试模、验证、移交7.负责模具材料和模架采购8.完成上级交办的其他任务日常工作监督模具厂各组的工作计划完成情况协调各组之间的生产进度组织解决模具生产过程中遇到的困难组织模具验证和移交工作定期工作向上级汇报工作进展情况职权1.模具设计的评审组织权2.模具材料采购的审批权3.下属员工招聘、晋升、降职的审批权4.对本部门员工的培训权、考核权5.授权范围内预算的审批权工作条件办公室、电脑、电话关键业绩指标(KPI)考核指标指标权重参见模具厂责任状第4页共96页第3页共96页编号:时间:2021年x月x日书山有路勤为径,学海无涯苦作舟页码:第4页共96页第4页共96页第5页...

1、当您付费下载文档后,您只拥有了使用权限,并不意味着购买了版权,文档只能用于自身使用,不得用于其他商业用途(如 [转卖]进行直接盈利或[编辑后售卖]进行间接盈利)。
2、本站所有内容均由合作方或网友上传,本站不对文档的完整性、权威性及其观点立场正确性做任何保证或承诺!文档内容仅供研究参考,付费前请自行鉴别。
3、如文档内容存在违规,或者侵犯商业秘密、侵犯著作权等,请点击“违规举报”。

碎片内容

模具厂岗位规范标准

您可能关注的文档

确认删除?
VIP
微信客服
  • 扫码咨询
会员Q群
  • 会员专属群点击这里加入QQ群
客服邮箱
回到顶部