电脑桌面
添加小米粒文库到电脑桌面
安装后可以在桌面快捷访问

机床电气与PLC1VIP免费

机床电气与PLC1_第1页
1/13
机床电气与PLC1_第2页
2/13
机床电气与PLC1_第3页
3/13
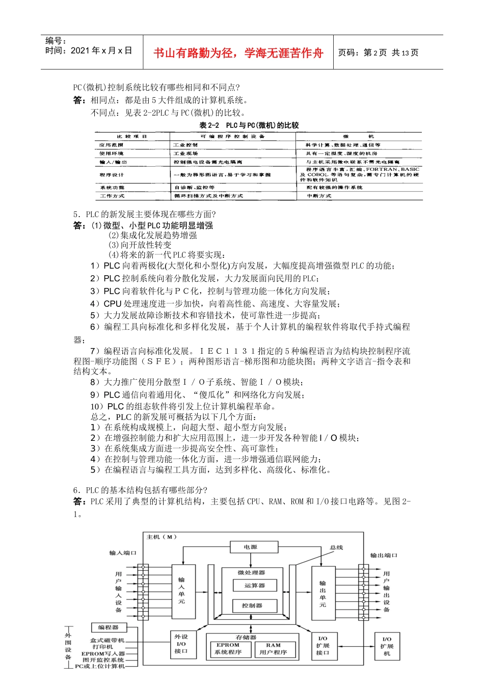
第1页共13页编号:时间:2021年x月x日书山有路勤为径,学海无涯苦作舟页码:第1页共13页任务8回答下列应知应会问题,进行自我专业技术知识和岗位技能测试2.8.1应知专业技术知识1.什么是PLC?其定义中应值得注意的几点是什么?答:“PLC是一种专门为在工业环境下应用而设计的数字运算操作的电子装置。它采用可以编制程序的存储器,用来在其内部存储执行逻辑运算、顺序运算、定时、计数和算术运算等操作的指令,并能通过数字式或模拟式的输入和输出,控制各种类型的机械或生产过程。PLC及其有关的外围设备都应按照易于与工业控制系统形成一个整体,易于扩展其功能的原则而设计。”其定义中应值得注意的几点是:(1)PLC是“数字运算操作的电子装置”,PLC无论从内部构造、功能及工作原理上看都不折不扣的是一种计算机。(2)PLC是“为工业环境下应用”而设计。(3)PLC能控制“各种类型”的工业设备及生产过程。(4)它实质上是经过了一次开发的工业控制用计算机.2.PLC有什么特点?其主要应用有哪些方面?答:(1)PLC的特点:1)可靠性高,抗干扰能力强。2)产品配套齐全,功能完善,适用性强。3)易学好懂易用,深受工程技术人员欢迎。4)系统设计周期短,维护方便,改造容易。5)体积小,重量轻,能耗低。(2)PLC的应用领域:1)开关量的逻辑控制2)模拟量控制3)运动控制4)过程控制5)数据处理6)通信及联网3.PLC与“继电器-接触器”控制系统比较有哪些相同和不同点?答:相同点:都能够进行开关量的逻辑控制。不同点:见表2-1“继电器与接触器”的比较表。表2-1“继电器与接触器”的比较表4.PLC与第2页共13页第1页共13页编号:时间:2021年x月x日书山有路勤为径,学海无涯苦作舟页码:第2页共13页PC(微机)控制系统比较有哪些相同和不同点?答:相同点:都是由5大件组成的计算机系统。不同点:见表2-2PLC与PC(微机)的比较。表2-2PLC与PC(微机)的比较5.PLC的新发展主要体现在哪些方面?答:(1)微型、小型PLC功能明显增强(2)集成化发展趋势增强(3)向开放性转变(4)将来的新一代PLC将要实现:1)PLC向着两极化(大型化和小型化)方向发展,大幅度提高增强微型PLC的功能;2)PLC控制系统向着分散化发展,大力发展面向民用的PLC;3)PLC向着软件化与PC化,控制与管理功能一体化方向发展;4)CPU处理速度进一步加快,向着高性能、高速度、大容量发展;5)大力发展故障诊断技术和容错技术,使可靠性进一步提高;6)编程工具向标准化和多样化发展,基于个人计算机的编程软件将取代手持式编程器;7)编程语言向标准化发展。IEC1131指定的5种编程语言为结构块控制程序流程图-顺序功能图(SFE);两种图形语言-梯形图和功能块图;两种文字语言-指令表和结构文本。8)大力推广使用分散型I/O子系统、智能I/O模块;9)PLC通信向着通用化、“傻瓜化”和网络化方向发展;10)PLC的组态软件将引发上位计算机编程革命。总之,PLC的新发展可概括为以下几个方面:1)在系统构成规模上,向超大型、超小型方向发展;2)在增强控制能力和扩大应用范围上,进一步开发各种智能I/O模块;3)在系统集成方面进一步提高安全性、高可靠性;4)在控制与管理功能一体化方面,进一步增强通信联网能力;5)在编程语言与编程工具方面,达到多样化、高级化、标准化。6.PLC的基本结构包括有哪些部分?答:PLC采用了典型的计算机结构,主要包括CPU、RAM、ROM和I/O接口电路等。见图2-1。第3页共13页第2页共13页编号:时间:2021年x月x日书山有路勤为径,学海无涯苦作舟页码:第3页共13页图2-1PLC的基本结构7.PLC是采用什么工作方式工作的?其扫描周期是如何计算的?答:PLC采用循环扫描工作方式,其工作过程如图2-2、图2-3所示。图2-2PLC采用循环扫描工作图2-3PLC从输入到输出的信号传递过程示意图每一个循环称为一个扫描周期。扫描周期的长短主要取决于以下几个因素:一是CPU执行指令的速度;二是执行每条指令占用的时间;三是程序中指令条数的多少。8.PLC的技术性能包含有哪些内容?答:PLC的技术性能通常包括:(1)输入/输出点数(即I/O点数)(2)程序容量(3)扫描速度(4)指令条数(5)内部继电器和寄存...

1、当您付费下载文档后,您只拥有了使用权限,并不意味着购买了版权,文档只能用于自身使用,不得用于其他商业用途(如 [转卖]进行直接盈利或[编辑后售卖]进行间接盈利)。
2、本站所有内容均由合作方或网友上传,本站不对文档的完整性、权威性及其观点立场正确性做任何保证或承诺!文档内容仅供研究参考,付费前请自行鉴别。
3、如文档内容存在违规,或者侵犯商业秘密、侵犯著作权等,请点击“违规举报”。

碎片内容

机床电气与PLC1

您可能关注的文档

确认删除?
VIP
微信客服
  • 扫码咨询
会员Q群
  • 会员专属群点击这里加入QQ群
客服邮箱
回到顶部