电脑桌面
添加小米粒文库到电脑桌面
安装后可以在桌面快捷访问

机械工程《传感器与检测技术》测试技术实验指导书VIP免费

机械工程《传感器与检测技术》测试技术实验指导书_第1页
1/37
机械工程《传感器与检测技术》测试技术实验指导书_第2页
2/37
机械工程《传感器与检测技术》测试技术实验指导书_第3页
3/37
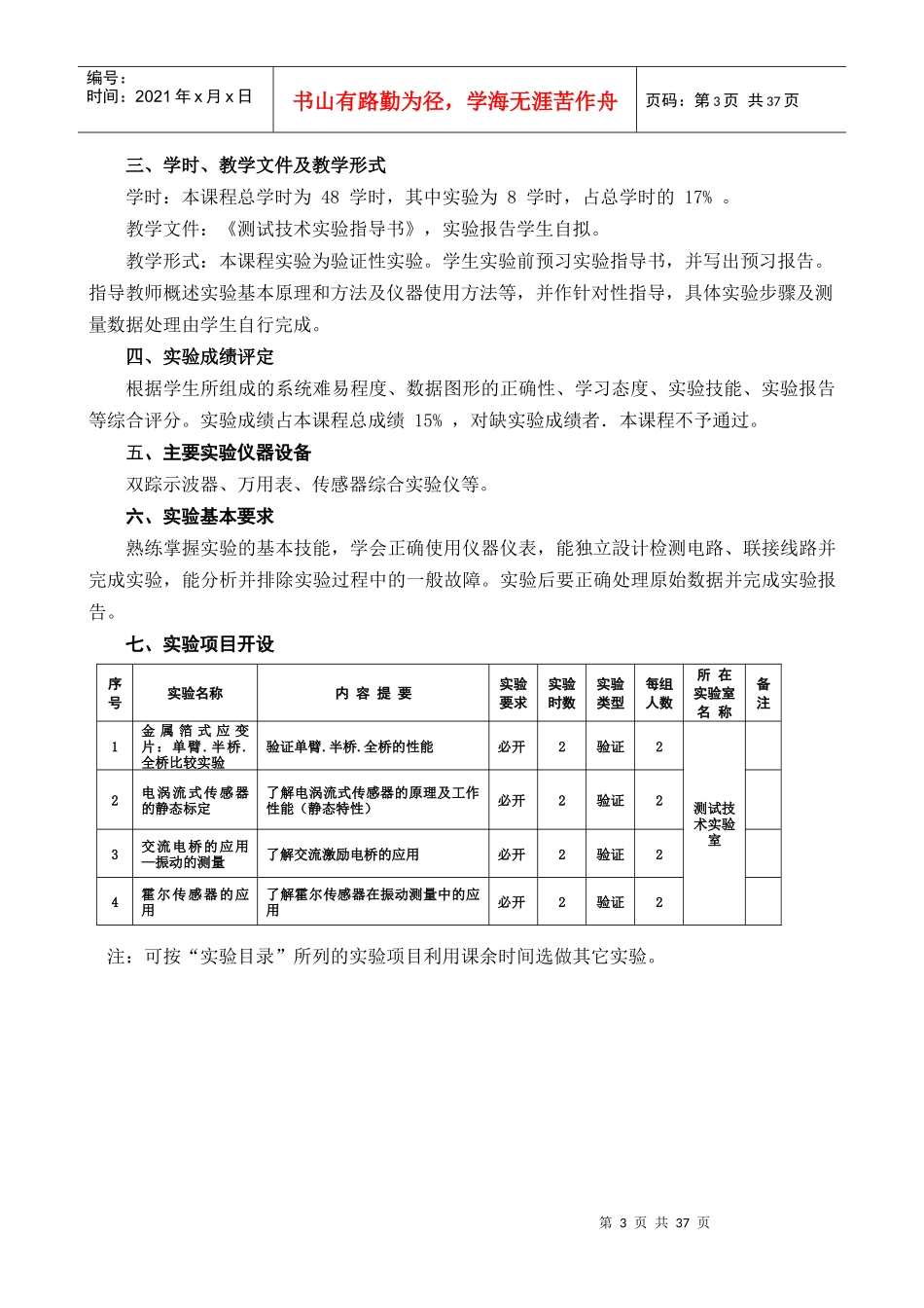
机械工程测试技术实验指导书——传感器与检测技术罗烈雷编机械工程系第2页共37页编号:时间:2021年x月x日书山有路勤为径,学海无涯苦作舟页码:第2页共37页机械工程测试技术实验指导书——传感器与检测技术一、测试技术实验的地位和作用《传感器与检测技术》课程,在高等理工科院校机械类各专业的教学计划中,是一门重要的专业基础课,而实验课是完成本课程教学的重要环节。其主要任务是通过实验巩固和消化课堂所讲授理论内容的理解,掌握常用传感器的工作原理和使用方法,提高学生的动手能力和学习兴趣。其目的是使学生掌握非电量检测的基本方法和选用传感器的原则,培养学生独立处理问题和解决问题的能力。二、应达到的实验能力标准1、通过应变式传感器实验,掌握理论课上所讲授的应变片的工作原理,并验证单臂、半桥、全桥的性能及相互之间关系。2、通过差动变压器静态位移性能测试和差动变压器零点残余电压的补偿电路设计,掌握理论课上所讲授的差动变压器的工作原理和零点残余电压的补偿措施。3、通过电涡流式传感器的静态标定和被测体材料对电涡流式传感器特性的影响实验,掌握理论课上所讲授的电涡流式传感器的原理及工作性能,验证不同性质被测体材料对电涡流式传感器性能的影响。4、通过差动面积式电容传感器的静态及动态特性测试,了解差动面积式电容传感器的工作原理及其特性。5、通过磁电感应式传感器的性能和霍尔式传感器直流静态位移特性的测试方法,掌握磁电感应式传感器的工作原理及其性能和霍尔式传感器的工作原理及其特能。6、通过压电式传感器的动态响应和引线电容对电压放大器与电荷放大器的影响实验,掌握压电式传感器的原理、结构及应用和验证引线电容对电压放大器的影响,了解电荷放大器的原理和使用方法。7、通过光敏三极管和光敏电阻的性能测试,掌握光电传感器的原理与应用方法。8、热电偶和热敏电阻的性能测试的方法,掌握热电偶的原理和NTC热敏电阻的工作原理和使用方法,并对传感器灵敏度线性度进行分析。9、通过差动放大器和低通滤波器设计和测试,掌握差动放大器和滤波器的设计方法和性能测试方法。10、通过集成温度传感器AD590和DS1820设计,掌握输出电流型和新型单总线数字温度传感器的工作特性和使用方法。第3页共37页第2页共37页编号:时间:2021年x月x日书山有路勤为径,学海无涯苦作舟页码:第3页共37页三、学时、教学文件及教学形式学时:本课程总学时为48学时,其中实验为8学时,占总学时的17%。教学文件:《测试技术实验指导书》,实验报告学生自拟。教学形式:本课程实验为验证性实验。学生实验前预习实验指导书,并写出预习报告。指导教师概述实验基本原理和方法及仪器使用方法等,并作针对性指导,具体实验步骤及测量数据处理由学生自行完成。四、实验成绩评定根据学生所组成的系统难易程度、数据图形的正确性、学习态度、实验技能、实验报告等综合评分。实验成绩占本课程总成绩15%,对缺实验成绩者.本课程不予通过。五、主要实验仪器设备双踪示波器、万用表、传感器综合实验仪等。六、实验基本要求熟练掌握实验的基本技能,学会正确使用仪器仪表,能独立設计检测电路、联接线路并完成实验,能分析并排除实验过程中的一般故障。实验后要正确处理原始数据并完成实验报告。七、实验项目开设序号实验名称内容提要实验要求实验时数实验类型每组人数所在实验室名称备注1金属箔式应变片:单臂.半桥.全桥比较实验验证单臂.半桥.全桥的性能必开2验证2测试技术实验室2电涡流式传感器的静态标定了解电涡流式传感器的原理及工作性能(静态特性)必开2验证23交流电桥的应用—振动的测量了解交流激励电桥的应用必开2验证24霍尔传感器的应用了解霍尔传感器在振动测量中的应用必开2验证2注:可按“实验目录”所列的实验项目利用课余时间选做其它实验。第4页共37页第3页共37页编号:时间:2021年x月x日书山有路勤为径,学海无涯苦作舟页码:第4页共37页实验目录实验一金属箔式应变片――单臂电桥性能实验实验二金属箔式应变片――半桥性能实验实验三金属箔式应变片――全桥性能实验实验四金属箔式应变片单臂、半桥、全桥性能比较实验实验五金属箔式应...

1、当您付费下载文档后,您只拥有了使用权限,并不意味着购买了版权,文档只能用于自身使用,不得用于其他商业用途(如 [转卖]进行直接盈利或[编辑后售卖]进行间接盈利)。
2、本站所有内容均由合作方或网友上传,本站不对文档的完整性、权威性及其观点立场正确性做任何保证或承诺!文档内容仅供研究参考,付费前请自行鉴别。
3、如文档内容存在违规,或者侵犯商业秘密、侵犯著作权等,请点击“违规举报”。

碎片内容

机械工程《传感器与检测技术》测试技术实验指导书

您可能关注的文档

中小学文库+ 关注
实名认证
内容提供者

精品资料应用尽有

确认删除?
VIP
微信客服
  • 扫码咨询
会员Q群
  • 会员专属群点击这里加入QQ群
客服邮箱
回到顶部