电脑桌面
添加小米粒文库到电脑桌面
安装后可以在桌面快捷访问

水质工程学课程设计说明书VIP免费

水质工程学课程设计说明书_第1页
1/44
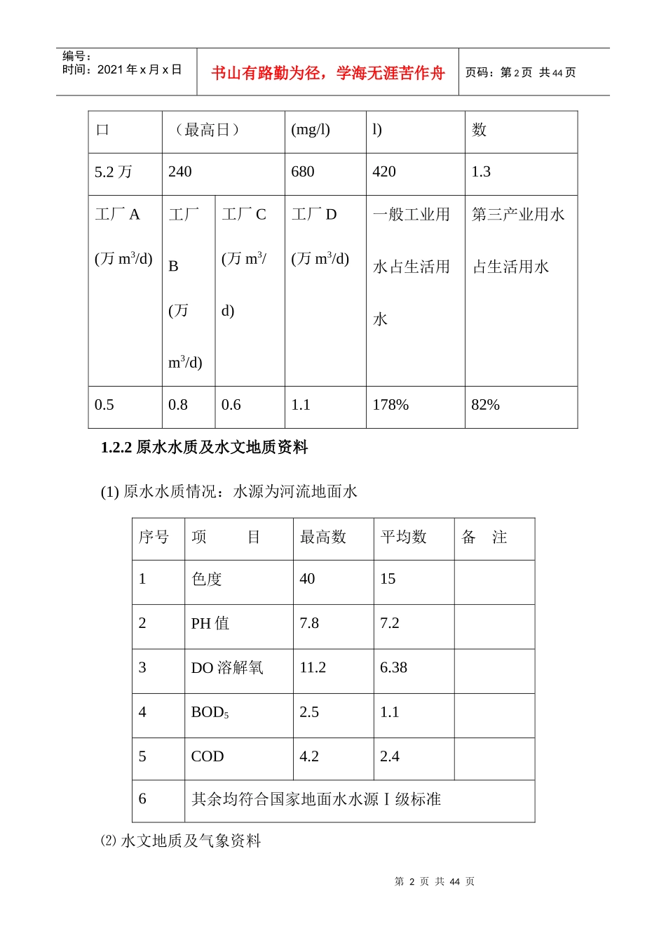
水质工程学课程设计说明书_第2页
2/44
水质工程学课程设计说明书_第3页
3/44
第1页共44页编号:时间:2021年x月x日书山有路勤为径,学海无涯苦作舟页码:第1页共44页水质工程学(一)课程设计说明书1设计任务此课程设计的目的在于加深理解所学专业理论,培养运用所学知识综合分析和解决实际工程设计问题的初步能力,在设计、运算、绘图、查阅资料和设计手册以及使用设计规范等基本技能上得到初步训练和提高。1.1设计要求根据所给资料,设计一座城市自来水厂,确定水厂的规模、位置,对水厂工艺方案进行可行性研究,计算主要处理构筑物的工艺尺寸,确定水厂平面布置和高程布置,最后绘出水厂平面布置图、高程布置图(达到初步设计的深度),并简要写出一份设计计算说明书。1.2基本资料1.2.1城市用水量资料设计人人均用水量标准SS最高SS平均(mg/最大日变化系第2页共44页第1页共44页编号:时间:2021年x月x日书山有路勤为径,学海无涯苦作舟页码:第2页共44页口(最高日)(mg/l)l)数5.2万2406804201.3工厂A(万m3/d)工厂B(万m3/d)工厂C(万m3/d)工厂D(万m3/d)一般工业用水占生活用水第三产业用水占生活用水0.50.80.61.1178%82%1.2.2原水水质及水文地质资料(1)原水水质情况:水源为河流地面水序号项目最高数平均数备注1色度40152PH值7.87.23DO溶解氧11.26.384BOD52.51.15COD4.22.46其余均符合国家地面水水源Ⅰ级标准⑵水文地质及气象资料第3页共44页第2页共44页编号:时间:2021年x月x日书山有路勤为径,学海无涯苦作舟页码:第3页共44页①河流水位特征最高水位-1m,,最低水位-5m,常年水位-3m②气象资料历年平均气温16.00C,年最高平均气温390C,年最低平均气温-30C,年平均降水量1954.1mm,年最高降水量2634.5mm,年最低降水量1178.7mm。常年主导风向为东南风,频率为78%,历年最大冰冻深度:20cm。③地质资料第一层:回填、松土层,承载力8kg/cm2,深1~1.5m第一层:粘土层,承载力10kg/cm2,深3~4m第一层:粉土层,承载力8kg/cm2,深3~4m地下水位平均在粘土层下0.5m2水厂选址厂址选择应在整个给水系统设计方案中全面规划,综合考虑,通过技术经济比较确定。在选择厂址时,一般应考虑以下几个方面:⑴厂址应选择在工程地质条件较好的地方。一般选在地下水位第4页共44页第3页共44页编号:时间:2021年x月x日书山有路勤为径,学海无涯苦作舟页码:第4页共44页低、承载力较大、湿陷性等级不高、岩石较少的地层,以降低工程造价和便于施工。⑵水厂应尽可能选择在不受洪水威胁的地方。否则应考虑防洪措施。⑶水厂应尽量设置在交通方便、靠近电源的地方,以利于施工管理和降低输电线路的造价。并考虑沉淀池排泥及滤池冲洗水排除方便。⑷当取水地点距离用水区较近时,水厂一般设置在取水构筑物附近,通常与取水构筑物建在一起;当取水地点距离用水区较远时,厂址选择有两种方案,一是将水厂设置在取水构筑物附近;另一是将水厂设置在离用水区较近的地方。根据综合因素考虑,将水厂设置在取水构筑物附近,水厂和构筑物可集中管理,节省水厂自用水的输水费用并便于沉淀池排泥和滤池冲洗水排除。3水厂规模及水量确定第5页共44页第4页共44页编号:时间:2021年x月x日书山有路勤为径,学海无涯苦作舟页码:第5页共44页Q生活=240×52000×10-3=12480m3/dQ工业=12480×1.78=22214.4m3/dQ三产=12960×0.82=10233.6m3/dQ工厂=0.5+0.8+0.6+1.1=30000m3/dQ漏=1.2(Q生活+Q工业+Q三产+Q工厂)=1.2×(12480+22214.4+10233.6+30000)≈90000m3/dQ一泵=αQd/T=1.10×90000/24=4125m3/h=1.15m3/sQ二泵=αKhQd/86.4=1.10×1.3×90000/86.4=1489.6L/s4净水方案的确定和比较水厂以地表水作为水源,工艺流程如图1所示:图1水处理工艺流程现拟定两个净水工艺方案,进行比较分析:方案一:原水——→一级泵房——→往复式隔板絮凝池——→平流沉淀池——→普通快滤池——→清水池——→二级泵房第6页共44页第5页共44页编号:时间:2021年x月x日书山有路勤为径,学海无涯苦作舟页码:第6页共44页方案二:原水——→一级泵房——→回转式隔板絮凝池——→斜管沉淀池——→V型滤池——→清水池——→二级泵房(1)絮凝池的比较絮凝池回转式往复式优点絮凝效果较好;水头损失较小;构造简单,操作方便;...

1、当您付费下载文档后,您只拥有了使用权限,并不意味着购买了版权,文档只能用于自身使用,不得用于其他商业用途(如 [转卖]进行直接盈利或[编辑后售卖]进行间接盈利)。
2、本站所有内容均由合作方或网友上传,本站不对文档的完整性、权威性及其观点立场正确性做任何保证或承诺!文档内容仅供研究参考,付费前请自行鉴别。
3、如文档内容存在违规,或者侵犯商业秘密、侵犯著作权等,请点击“违规举报”。

碎片内容

水质工程学课程设计说明书

确认删除?
VIP
微信客服
  • 扫码咨询
会员Q群
  • 会员专属群点击这里加入QQ群
客服邮箱
回到顶部