电脑桌面
添加小米粒文库到电脑桌面
安装后可以在桌面快捷访问

水库大坝加固分部工程单元质量报验单VIP免费

水库大坝加固分部工程单元质量报验单_第1页
1/81
水库大坝加固分部工程单元质量报验单_第2页
2/81
水库大坝加固分部工程单元质量报验单_第3页
3/81
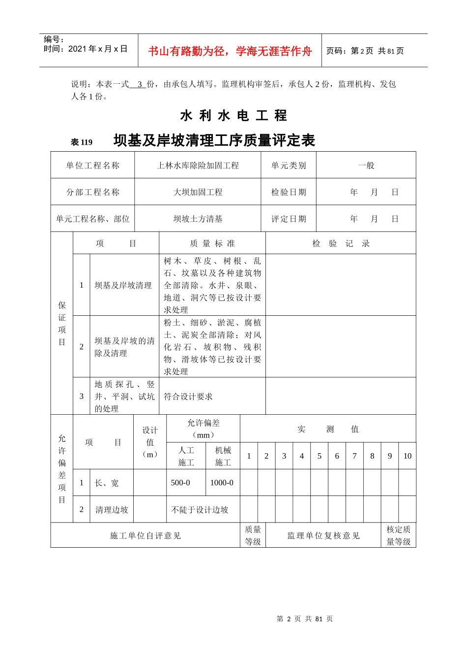
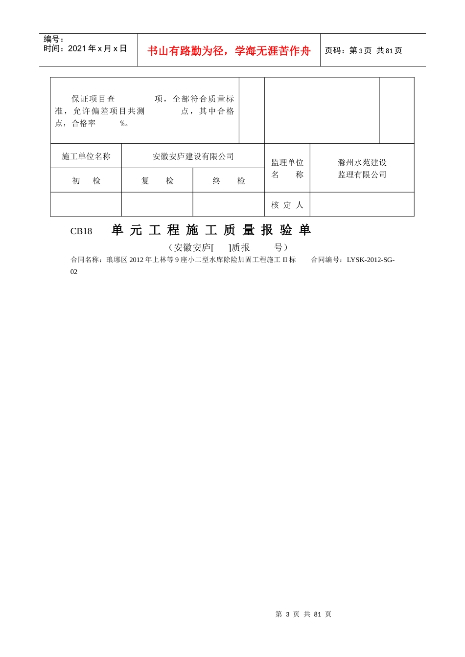
第1页共81页编号:时间:2021年x月x日书山有路勤为径,学海无涯苦作舟页码:第1页共81页CB18单元工程施工质量报验单(安徽安庐[]质报号)合同名称:琅琊区2012年上林等9座小二型水库除险加固工程施工II标合同编号:LYSK-2012-SG-02致:滁州水苑建设监理有限公司坝坡土方清基(SLSK-1-1)单元工程(及编码)已按合同要求完成施工,经自检合格,报请贵方核验。附:1、坝基及岸坡清理工序单元工程质量评定表承包人:安徽安庐建设有限公司项目经理:日期:年月日(核验意见)监理机构:滁州水苑建设监理有限公司监理工程师:日期:年月日第2页共81页第1页共81页编号:时间:2021年x月x日书山有路勤为径,学海无涯苦作舟页码:第2页共81页说明:本表一式3份,由承包人填写。监理机构审签后,承包人2份,监理机构、发包人各1份。水利水电工程表119坝基及岸坡清理工序质量评定表单位工程名称上林水库除险加固工程单元类别一般分部工程名称大坝加固工程检验日期年月日单元工程名称、部位坝坡土方清基评定日期年月日保证项目项目质量标准检验记录1坝基及岸坡清理树木、草皮、树根、乱石、坟墓以及各种建筑物全部清除。水井、泉眼、地道、洞穴等已按设计要求处理2坝基及岸坡的清除及清理粉土、细砂、淤泥、腐植土、泥炭全部清除;对风化岩石、坡积物、残积物、滑坡体等已按设计要求处理3地质探孔、竖井、平洞、试坑的处理符合设计要求允许偏差项目项目设计值(m)允许偏差(mm)实测值人工施工机械施工123456789101长、宽500-01000-02清理边坡不陡于设计边坡施工单位自评意见质量等级监理单位复核意见核定质量等级第3页共81页第2页共81页编号:时间:2021年x月x日书山有路勤为径,学海无涯苦作舟页码:第3页共81页保证项目查项,全部符合质量标准,允许偏差项目共测点,其中合格点,合格率%。施工单位名称安徽安庐建设有限公司监理单位名称滁州水苑建设监理有限公司初检复检终检核定人CB18单元工程施工质量报验单(安徽安庐[]质报号)合同名称:琅琊区2012年上林等9座小二型水库除险加固工程施工II标合同编号:LYSK-2012-SG-02第4页共81页第3页共81页编号:时间:2021年x月x日书山有路勤为径,学海无涯苦作舟页码:第4页共81页说明:本表一式3份,由承包人填写。监理机构审签后,承包人2份,监理机构、发包人各1份。水利水电工程致:滁州水苑建设监理有限公司下游坝坡修整(SLSK-1-2)单元工程(及编码)已按合同要求完成施工,经自检合格,报请贵方核验。附:1、坝基及岸坡清理工序单元工程质量评定表承包人:安徽安庐建设有限公司项目经理:日期:年月日(核验意见)监理机构:滁州水苑建设监理有限公司监理工程师:日期:年月日第5页共81页第4页共81页编号:时间:2021年x月x日书山有路勤为径,学海无涯苦作舟页码:第5页共81页表119坝基及岸坡清理工序质量评定表单位工程名称上林水库除险加固工程单元类别一般分部工程名称大坝加固工程检验日期年月日单元工程名称、部位下游坝坡修整评定日期年月日保证项目项目质量标准检验记录1坝基及岸坡清理树木、草皮、树根、乱石、坟墓以及各种建筑物全部清除。水井、泉眼、地道、洞穴等已按设计要求处理2坝基及岸坡的清除及清理粉土、细砂、淤泥、腐植土、泥炭全部清除;对风化岩石、坡积物、残积物、滑坡体等已按设计要求处理3地质探孔、竖井、平洞、试坑的处理符合设计要求允许偏差项目项目设计值(m)允许偏差(mm)实测值人工施工机械施工123456789101长、宽500-01000-02清理边坡不陡于设计边坡施工单位自评意见质量等级监理单位复核意见核定质量等级保证项目查项,全部符合质量标准,允许偏差项目共测点,其中合格点,合格率%。施工单位名称安徽安庐建设有限公司监理单位滁州水苑建设第6页共81页第5页共81页编号:时间:2021年x月x日书山有路勤为径,学海无涯苦作舟页码:第6页共81页名称监理有限公司初检复检终检核定人CB18单元工程施工质量报验单(安徽安庐[]质报号)合同名称:琅琊区2012年上林等9座小二型水库除险加固工程施工II标合同编号:LYSK-2012-SG-02第7页共81页第6页共81页编号:时间:2021年x月x日书山有路勤为径,学海无涯苦作...

1、当您付费下载文档后,您只拥有了使用权限,并不意味着购买了版权,文档只能用于自身使用,不得用于其他商业用途(如 [转卖]进行直接盈利或[编辑后售卖]进行间接盈利)。
2、本站所有内容均由合作方或网友上传,本站不对文档的完整性、权威性及其观点立场正确性做任何保证或承诺!文档内容仅供研究参考,付费前请自行鉴别。
3、如文档内容存在违规,或者侵犯商业秘密、侵犯著作权等,请点击“违规举报”。

碎片内容

水库大坝加固分部工程单元质量报验单

中小学文库+ 关注
实名认证
内容提供者

精品资料应用尽有

相关文档

确认删除?
VIP
微信客服
  • 扫码咨询
会员Q群
  • 会员专属群点击这里加入QQ群
客服邮箱
回到顶部