电脑桌面
添加小米粒文库到电脑桌面
安装后可以在桌面快捷访问

污水处理厂电气设备安装施工组织设计VIP专享VIP免费

污水处理厂电气设备安装施工组织设计_第1页
1/21
污水处理厂电气设备安装施工组织设计_第2页
2/21
污水处理厂电气设备安装施工组织设计_第3页
3/21
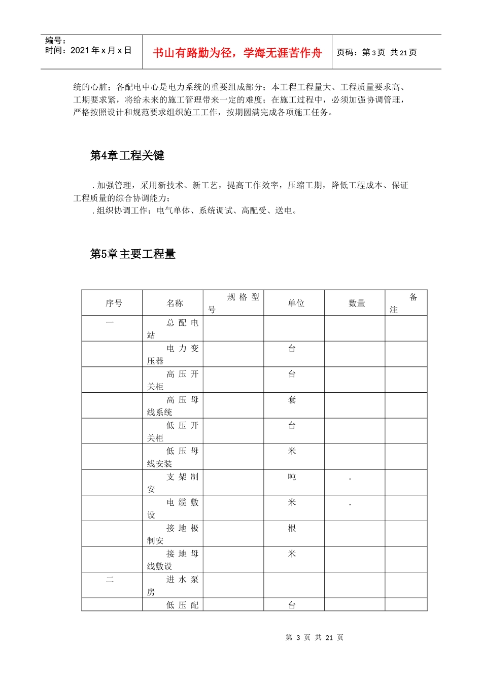
第1页共21页编号:时间:2021年x月x日书山有路勤为径,学海无涯苦作舟页码:第1页共21页目录第卷工程概况................................................第章编制依据.............................................第章工程概况.............................................第章工程特点.............................................第章工程关键.............................................第章主要工程量...........................................第章施工采用标准.........................................第卷我公司的优势............................................第卷施工部署................................................第卷电气安装原则施工方案....................................第卷总体工程质量保证........................................第卷安全保证措施............................................第卷附件....................................................第2页共21页第1页共21页编号:时间:2021年x月x日书山有路勤为径,学海无涯苦作舟页码:第2页共21页工程概况第1章编制依据.天津市市政工程设计研究院设计的郑州市污水处理厂电气设备安装工程施工图纸;.郑州市污水处理厂工艺设备、电气与自控系统安装工程招标书。第2章工程概况郑州市某厂属国务院淮河治理重点工程之一,是省、市重点工程,该工程一期设计规模为日处理污水万吨,处理工艺为传统活性污泥法。该工程的实施对于改善郑州市的投资环境和淮河流域的污染治理具有十分重要的意义。此项工程第二标段:电气设备安装工程包括总配电站、第一、第二变电站以及厂内供电用电项目。.总配电站负责向第一变电站、第二变电站及鼓风机房鼓风机电机送电。.第一变电站采用两台变压器,负责向鼓风机房、回流污泥泵房、雨水泵房、回用水泵房、加氯间、中心控制室、第二分控室、厂前区等构筑物提供低压电源及照明电源,并负责提供厂区道路部分照明电源。.第二变电所设两台变压器,内设进水泵房控制室太主泵电气控制箱安装在进水泵房控制室内,并负责泵房照明。.曝气沉沙池包括动力配电柜和设备厂家配套供应的控制箱等供用电系统。.回流污泥泵房包括配电箱、电气线路及各供电系统。.鼓风机房包括鼓风机、起重机、轴流风机、照明等系统的供电设备和供电线路。.初沉污泥泵房主要包括污泥泵、起重机、电动闸阀、干池泵、以及照明系统的供电设备和供电线路。.进水泵房的用电设备主要包括台潜水泵、台闸阀、台螺旋压榨机。.脱水机房的供用电系统主要包括污泥浓缩系统、脱水系统、及照明系统。.曝气池电气系统主要供用电项目包括水下搅拌器、插座等,电路由回流污泥泵房配电室引来。.污泥消化池主要工程包括接地系统安装。.厂区电气工程主要包括厂区照明系统及厂区电缆工程。第3章工程特点本工程为郑州市污水处理厂电气安装工程。总配电站及第一、二变电站是全厂电力系第3页共21页第2页共21页编号:时间:2021年x月x日书山有路勤为径,学海无涯苦作舟页码:第3页共21页统的心脏;各配电中心是电力系统的重要组成部分;本工程工程量大、工程质量要求高、工期要求紧,将给未来的施工管理带来一定的难度;在施工过程中,必须加强协调管理,严格按照设计和规范要求组织施工工作,按期圆满完成各项施工任务。第4章工程关键.加强管理,采用新技术、新工艺,提高工作效率,压缩工期,降低工程成本、保证工程质量的综合协调能力;.组织协调工作;电气单体、系统调试、高配受、送电。第5章主要工程量序号名称规格型号单位数量备注一总配电站电力变压器台高压开关柜台高压母线系统套低压开关柜台低压母线安装米支架制安吨.电缆敷设米.接地极制安根接地母线敷设米二进水泵房低压配台第4页共21页第3页共21页编号:时间:2021年x月x日书山有路勤为径,学海无涯苦作舟页码:第4页共21页电箱、柜浮球套支架制安吨.软电缆米电缆敷设米电缆保护管米电缆桥架米三曝气池配电盘、柜台支架制安吨.电缆敷设米钢管敷设米导线敷设米电缆桥架米动力插座套四脱水机房中国核工业第二三建设公司投标文...

1、当您付费下载文档后,您只拥有了使用权限,并不意味着购买了版权,文档只能用于自身使用,不得用于其他商业用途(如 [转卖]进行直接盈利或[编辑后售卖]进行间接盈利)。
2、本站所有内容均由合作方或网友上传,本站不对文档的完整性、权威性及其观点立场正确性做任何保证或承诺!文档内容仅供研究参考,付费前请自行鉴别。
3、如文档内容存在违规,或者侵犯商业秘密、侵犯著作权等,请点击“违规举报”。

碎片内容

污水处理厂电气设备安装施工组织设计

确认删除?
VIP
微信客服
  • 扫码咨询
会员Q群
  • 会员专属群点击这里加入QQ群
客服邮箱
回到顶部