电脑桌面
添加小米粒文库到电脑桌面
安装后可以在桌面快捷访问

某家具物料编码原则VIP免费

某家具物料编码原则_第1页
1/38
某家具物料编码原则_第2页
2/38
某家具物料编码原则_第3页
3/38
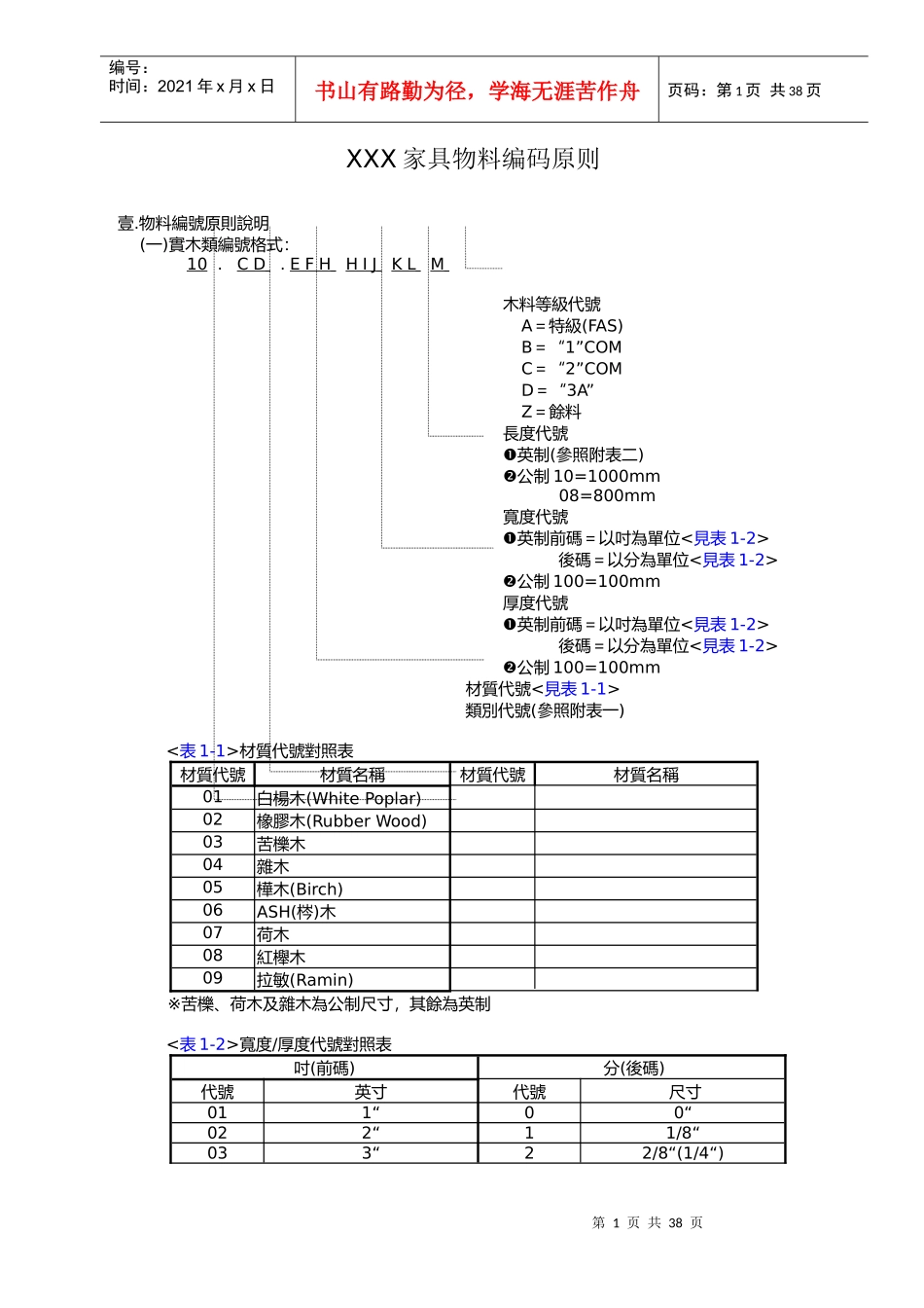
第1页共38页编号:时间:2021年x月x日书山有路勤为径,学海无涯苦作舟页码:第1页共38页XXX家具物料编码原则壹.物料編號原則說明(一)實木類編號格式:10.CD.EFHHIJKLM木料等級代號A=特級(FAS)B=“1”COMC=“2”COMD=“3A”Z=餘料長度代號英制(參照附表二)公制10=1000mm08=800mm寬度代號英制前碼=以吋為單位<見表1-2>後碼=以分為單位<見表1-2>公制100=100mm厚度代號英制前碼=以吋為單位<見表1-2>後碼=以分為單位<見表1-2>公制100=100mm材質代號<見表1-1>類別代號(參照附表一)<表1-1>材質代號對照表材質代號材質名稱材質代號材質名稱01白楊木(WhitePoplar)02橡膠木(RubberWood)03苦櫟木04雜木05樺木(Birch)06ASH(梣)木07荷木08紅櫸木09拉敏(Ramin)※苦櫟、荷木及雜木為公制尺寸,其餘為英制<表1-2>寬度/厚度代號對照表吋(前碼)分(後碼)代號英寸代號尺寸011“00“022“11/8“033“22/8“(1/4“)第2页共38页第1页共38页编号:时间:2021年x月x日书山有路勤为径,学海无涯苦作舟页码:第2页共38页044“33/8“055“44/8“(1/2“)066“55/8“077“66/8“(3/4“)088“77/8“099“1010“1111“1212“(以下依此類推)(以下依此類推)範例一、10.02.02002035橡膠木2.0“厚×2.0“寬×3.5‘長範例二、10.01.010B白楊木1.0“厚(1COM)第3页共38页第2页共38页编号:时间:2021年x月x日书山有路勤为径,学海无涯苦作舟页码:第3页共38页(二)薄片類編號格式:11.CD.EFGHIJ或薄片等級A=A級AB=AB級B=B級C=C級Z=餘料或表機械封邊薄片每卷長度規格代號D=200ME=150MF=120M小數點二位以下厚度代號10=0.01㎜20=0.02㎜(依此類推)寬度代號表機械封邊薄片寬度,以㎜計算19=19㎜22=22㎜寬度代號(材種代號>=20以上)00=無特定尺寸24=24“31=31“(依此類推,以吋為單位)厚度代號代表厚度時(以0.1㎜為單位,見附表四)代表長度時(以吋為單位)(材種代號>=20以上)00=無特定尺寸24=24“31=31“(依此類推)材種代號<見表2.1>類別代號(參照附表一)第4页共38页第3页共38页编号:时间:2021年x月x日书山有路勤为径,学海无涯苦作舟页码:第4页共38页<表2-1>薄片類材種代號對照表代號薄片名稱01櫻桃木(CherryVeneer)02梣木(AshVeneer)03胡桃木薄片(Walnut)04巴西薄片05香柏薄片(Cedar)06美楓薄片(Maple)07楓木薄片(染黑)(Maple)08紅橡木薄片(Oak)09白花樟薄片(AshBurl)10桃花心木薄片20柳桉木薄片(旋切)(Lauan)0.6mm30雜木薄片(旋切)0.5mm31雜木薄片(旋切)0.6mm40樺木薄片(旋切)0.3(Birch)41樺木薄片(旋切)0.6(Birch)範例一、11.02.0580AASH薄片0.58㎜厚(A級)範例二、11.07.0650B楓木薄片0.65㎜厚(B級)範例三、11.08.0620FOAK封邊薄片20㎜寬×120m長/卷範例四、11.20.3124柳桉木薄片31“長×24”寬×0.6㎜厚第5页共38页第4页共38页编号:时间:2021年x月x日书山有路勤为径,学海无涯苦作舟页码:第5页共38页(三)板類編號格式:12.CD.EFGHI寬度、長度尺寸代號(參照附表三)Z=餘料厚度代號027=2.7mm180=18mm300=30mm材質代號<見表3-1>類別代號(參照附表一)<表3-1>板類材質代號對照表代號材質名稱01MDF板(纖維板)02塑合板(PB)03合板(MP板)04MPM(夾板-塑合板-夾板)05曲木範例一、21.02.18048塑合板18㎜×4‘×8’第6页共38页第5页共38页编号:时间:2021年x月x日书山有路勤为径,学海无涯苦作舟页码:第6页共38页(四)薄類紙片/板13.CD.EFGHIJ寬度代號(以吋為單位;1”=001)當CD=45時表流水號長度代號(以吋為單位;1”=001)當CD=45時表流水號細目代號<見表4-1>類別代號(參照附表一)<表4-1>薄紙片細目代號對照表代號材質名稱01CHERRY貼紙02OAK貼紙033706貼紙045501貼紙055800貼紙065070貼紙0722341貼紙085802貼紙09保麗板貼紙107117B貼紙11MS-5005貼紙12MK-5807135115貼紙14美耐板15黑膠木16其他貼紙17MK-5800貼紙41硬紙板(Hardboard)42平衡紙(Gateply)0.45㎜厚43平衡紙(Gateply)0.60㎜厚44灰紙板0.45㎜厚範例:13.05.5501(5501貼紙)第7页共38页第6页共38页编号:时间:2021年x月x日书山有路勤为径,学海无涯苦作舟页码:第7页共38页(五)板類貼薄片編號格...

1、当您付费下载文档后,您只拥有了使用权限,并不意味着购买了版权,文档只能用于自身使用,不得用于其他商业用途(如 [转卖]进行直接盈利或[编辑后售卖]进行间接盈利)。
2、本站所有内容均由合作方或网友上传,本站不对文档的完整性、权威性及其观点立场正确性做任何保证或承诺!文档内容仅供研究参考,付费前请自行鉴别。
3、如文档内容存在违规,或者侵犯商业秘密、侵犯著作权等,请点击“违规举报”。

碎片内容

某家具物料编码原则

您可能关注的文档

确认删除?
VIP
微信客服
  • 扫码咨询
会员Q群
  • 会员专属群点击这里加入QQ群
客服邮箱
回到顶部