电脑桌面
添加小米粒文库到电脑桌面
安装后可以在桌面快捷访问

燃气管道局部阻力的当量长度法计算VIP免费

燃气管道局部阻力的当量长度法计算_第1页
1/16
燃气管道局部阻力的当量长度法计算_第2页
2/16
燃气管道局部阻力的当量长度法计算_第3页
3/16
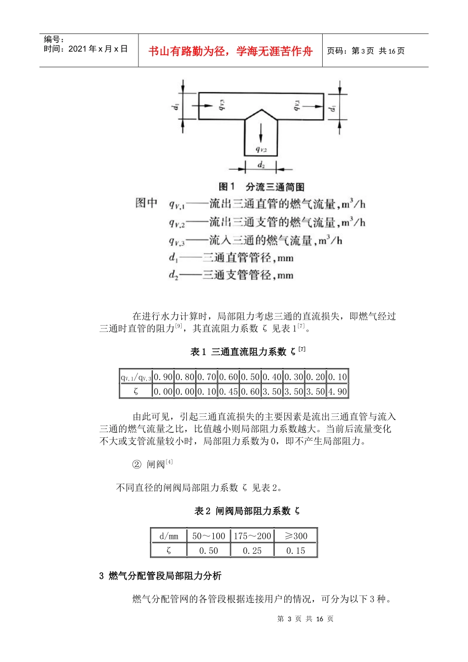
第1页共16页编号:时间:2021年x月x日书山有路勤为径,学海无涯苦作舟页码:第1页共16页燃气管道局部阻力的当量长度法计算2009-7-28摘要:为提高燃气管网水力计算中局部阻力计算的准确度,采用当量长度法,对常用燃气分配管段进行计算,得到管段局部阻力占沿程阻力的比例。给出了不同情况下管段附件局部阻力占沿程阻力的比例的取值建议表。关键词:当量长度;局部阻力系数;局部阻力CalculationofLocalResistanceofGasPipelinebyEquivalentLengthMethodLIXing-quan,JUXiu-feng,TIANGuan-sanAbstract:Inordertoimprovethecalculationaccuracyoflocalresistanceinhydrauliccalculationofgasnetwork,theequivalentlengthmethodisusedtocalculatetheusualgasdistributionpipelinesections.Theproportionoflocalresistancetotheresistancealongthepipelinesectionisobtained.Therecommendedtableforproportionoflocalresistancetotheresistancealongthepipelinesectionisgiven.Keywords:equivalentlength;localresistancecoefficient;localresistance在进行城市燃气管网的水力计算时,管网的阻力计算是较为重要的部分[1~3]。管网的局部阻力一般不逐项计算,而是按燃气管道摩擦阻力的5%~10%进行估算[4]。估算时5%~10%跨度较大,往往由设计者根据经验自行取值,从而使得结果不准确,产生较大误差。因此有必要对燃气管网的局部阻力进行较为准确的计算。采用当量长度法对管道附件进行逐项计算,得出附件产生的局部阻力占沿程阻力的比例,缩小了局部阻力的取值范围,减少了水力计算时的误差[5]。本文采用当量长度法对管道附件引起的局部阻力进行计算,输送介质为天然气,管材为钢管,阀门为闸阀。1当量长度计算公式[4、6]用当量长度来计算局部阻力损失,各种管道附件折算成相同管径管段的当量长度可按下式确定:第2页共16页第1页共16页编号:时间:2021年x月x日书山有路勤为径,学海无涯苦作舟页码:第2页共16页式中△p——局部阻力,Pa∑ζ——计算管段中局部阻力系数之和v——管段中燃气流速,m/sρ——燃气的密度,kg/m3λ——管道的沿程阻力系数le——当量长度,md——管道内径,mm管段的计算长度可由下式求得:式中L——管段的计算长度,ml——管段的实际长度,m2附件局部阻力系数燃气管道附件包括三通、弯头、变径管、阀门等,其中三通、闸阀及弯头较为常见。①三通燃气分配管段以分流三通为主[7、8],分流三通简图见图1。第3页共16页第2页共16页编号:时间:2021年x月x日书山有路勤为径,学海无涯苦作舟页码:第3页共16页在进行水力计算时,局部阻力考虑三通的直流损失,即燃气经过三通时直管的阻力[9],其直流阻力系数ζ见表1[7]。表1三通直流阻力系数ζ[7]qV,1/qV,30.900.800.700.600.500.400.300.200.10ζ0.000.000.100.450.603.503.503.504.90由此可见,引起三通直流损失的主要因素是流出三通直管与流入三通的燃气流量之比,比值越小则局部阻力系数越大。当前后流量变化不大或支管流量较小时,局部阻力系数为0,即不产生局部阻力。②闸阀[4]不同直径的闸阀局部阻力系数ζ见表2。表2闸阀局部阻力系数ζd/mm50~100175~200≥300ζ0.500.250.153燃气分配管段局部阻力分析燃气分配管网的各管段根据连接用户的情况,可分为以下3种。第4页共16页第3页共16页编号:时间:2021年x月x日书山有路勤为径,学海无涯苦作舟页码:第4页共16页①只有转输流量管段沿途不输出燃气,用户连接在管段的末端,这种管段的燃气计算流量就等于转输流量[4]。只有转输流量的管段见图2。此时管道附件较少,只有少量的阀门及弯头。设管道内径为300mm,流量为500m3/h,则阀门、弯头数量及管长不同时管道附件产生的局部阻力占沿程阻力的比例见图3。由图3可知,当管段沿途没有途泄流量,在管长保持不变时,局部阻力占沿程阻力的比例随着管段附件数量的增加而增加;管段附件数量不变时,局部阻力占沿程阻力的比例随着管段长度的增加而减少。②只有途泄流量第5页共16页第4页共16页编号:时间:2021年x月x日书山有路勤为径,学海无涯苦作舟页码:第5页共16页分配管网的管段与大量居民用户、小型公共建筑用...

1、当您付费下载文档后,您只拥有了使用权限,并不意味着购买了版权,文档只能用于自身使用,不得用于其他商业用途(如 [转卖]进行直接盈利或[编辑后售卖]进行间接盈利)。
2、本站所有内容均由合作方或网友上传,本站不对文档的完整性、权威性及其观点立场正确性做任何保证或承诺!文档内容仅供研究参考,付费前请自行鉴别。
3、如文档内容存在违规,或者侵犯商业秘密、侵犯著作权等,请点击“违规举报”。

碎片内容

燃气管道局部阻力的当量长度法计算

您可能关注的文档

确认删除?
VIP
微信客服
  • 扫码咨询
会员Q群
  • 会员专属群点击这里加入QQ群
客服邮箱
回到顶部