电脑桌面
添加小米粒文库到电脑桌面
安装后可以在桌面快捷访问

泰安市建设工程质量监督档案(1)VIP免费

泰安市建设工程质量监督档案(1)_第1页
1/95
泰安市建设工程质量监督档案(1)_第2页
2/95
泰安市建设工程质量监督档案(1)_第3页
3/95
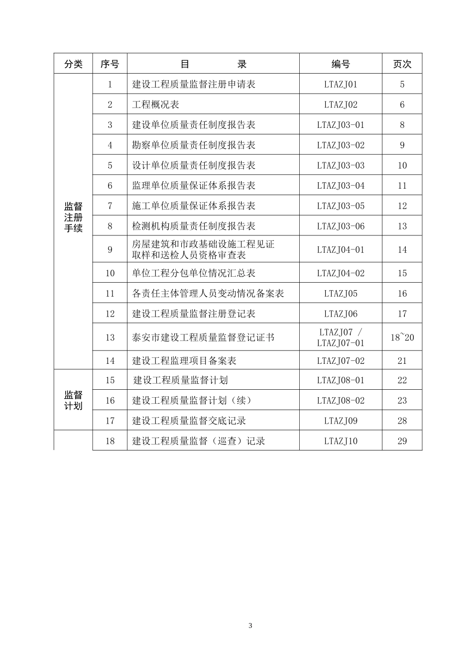
档案编号:市建设工程质量监督档案工程名称:建设单位:勘察单位:设计单位:施工单位:监理单位:检测机构:图审机构:监督单位:项目监督工程师:1监督注册编号:保存年限:泰安市建设工程质量监督站制年月日2分类序号目录编号页次监督注册手续1建设工程质量监督注册申请表LTAZJ0152工程概况表LTAZJ0263建设单位质量责任制度报告表LTAZJ03-0184勘察单位质量责任制度报告表LTAZJ03-0295设计单位质量责任制度报告表LTAZJ03-03106监理单位质量保证体系报告表LTAZJ03-04117施工单位质量保证体系报告表LTAZJ03-05128检测机构质量责任制度报告表LTAZJ03-06139房屋建筑和市政基础设施工程见证取样和送检人员资格审查表LTAZJ04-011410单位工程分包单位情况汇总表LTAZJ04-021511各责任主体管理人员变动情况备案表LTAZJ051612建设工程质量监督注册登记表LTAZJ061713泰安市建设工程质量监督登记证书LTAZJ07/LTAZJ07-0118~2014建设工程监理项目备案表LTAZJ07-0221监督计划15建设工程质量监督计划LTAZJ08-012216建设工程质量监督计划(续)LTAZJ08-022317建设工程质量监督交底记录LTAZJ092818建设工程质量监督(巡查)记录LTAZJ10293监督巡查、检查资料19住宅工程质量通病防治检查表LTAZJ113020住宅工程质量分户验收抽查记录表LTAZJ123121建设工程质量监督检测记录LTAZJ133222混凝土强度检测LTAZJ13-013323砂浆强度检测LTAZJ13-023424钢筋位置检测LTAZJ13-033525混凝土现浇板(墙)厚度检测LTAZJ13-043626责令停止违法建设行为通知书LTAZJ143726建设工程不良质量行为记录LTAZJ15384分类序号目录编号页次监督巡查、检查资料27建设工程质量整改(隐患)通知LTAZJ163928建设工程质量整改复查意见LTAZJ174029建设工程质量整改报告LTAZJ184130建设工程质量局部暂停施工通知书LTAZJ194231建设工程复工申请表LTAZJ204332建设工程质量复工通知书LTAZJ214433建设工程质量事故报告LTAZJ2245竣工验收监督资料34地基与基础分部工程质量验收监督通知书LTAZJ234635地基与基础工程质量验收报告LTAZJ244736地基与基础工程质量监督检查表LTAZJ254837主体结构分部工程质量验收监督通知书LTAZJ264938主体结构工程质量验收报告LTAZJ275039主体结构工程质量监督检查表LTAZJ285140单位工程竣工前检查申请表LTAZJ295241住宅工程质量分户验收汇总表LTAZJ305342建设工程竣工前相关资料检查表LTAZJ315443建设工程竣工前监督检查表LTAZJ325544建设工程竣工前检测试验资料检查表LTAZJ3356~6145建设工程竣工验收监督通知书LTAZJ346246建设工程竣工验收人员组成名单LTAZJ356347工程竣工验收方案LTAZJ366448建设工程竣工验收报告LTAZJ3765~6649建设工程竣工验收监督检查表LTAZJ386750工程质量控制资料检查记录LTAZJ39-01~0368~7051重新申请竣工备案(组织竣工验收)通知书LTAZJ407152质量监督执法行政处罚建议书LTAZJ41725分类序号目录编号页次工程质量监督报告53建设工程质量监督报告LTAZJ427354工程基本况表LTAZJ42-017455工程质量评价表LTAZJ42-027556建设工程质量监督结论LTAZJ42-037657备考表LTAZJ4377其他资料58其他与监督工作相关的图片、影音、文字等重要文件资料备注6LTAZJ01建设工程质量监督注册申请表工程名称_______________________监督注册编号_______________________注册日期_______________________泰安市建设工程质量监督站制填写说明7一、本表由建设单位在申领建筑工程施工许可证前,向监督机构申请工程质量监督注册时填写,是工程资料的重要组成部分。二、本表一式四份,建设单位、施工单位、监理单位、质监站各一份。三、填写本表时应内容正确、书写规范、字迹清晰,表内子项应填写齐全,对于工程未涉及的子项应填写“无”。四、工程概况中,“基础类型”分为条形基础、独立柱基础、筏板基础、桩基等;有关单位的“资质等级及证书编号”填写资质等级和证书编号;有关人员的“资格级别及证书编号”填写执业资格类别及证书编号。五、本表填写完毕后,还应同时提交以下资料:1、工程规划许可证;2、施工中标通知书、施工合同及施工单位资质证书、项目经理资格证书;3、监理中标通知书、监理合同及监理单位资...

1、当您付费下载文档后,您只拥有了使用权限,并不意味着购买了版权,文档只能用于自身使用,不得用于其他商业用途(如 [转卖]进行直接盈利或[编辑后售卖]进行间接盈利)。
2、本站所有内容均由合作方或网友上传,本站不对文档的完整性、权威性及其观点立场正确性做任何保证或承诺!文档内容仅供研究参考,付费前请自行鉴别。
3、如文档内容存在违规,或者侵犯商业秘密、侵犯著作权等,请点击“违规举报”。

碎片内容

泰安市建设工程质量监督档案(1)

您可能关注的文档

确认删除?
VIP
微信客服
  • 扫码咨询
会员Q群
  • 会员专属群点击这里加入QQ群
客服邮箱
回到顶部