电脑桌面
添加小米粒文库到电脑桌面
安装后可以在桌面快捷访问

易能变频器在注塑机上的应用-深圳市易能电气技术有限公司-VIP免费

易能变频器在注塑机上的应用-深圳市易能电气技术有限公司-_第1页
1/3
易能变频器在注塑机上的应用-深圳市易能电气技术有限公司-_第2页
2/3
易能变频器在注塑机上的应用-深圳市易能电气技术有限公司-_第3页
3/3
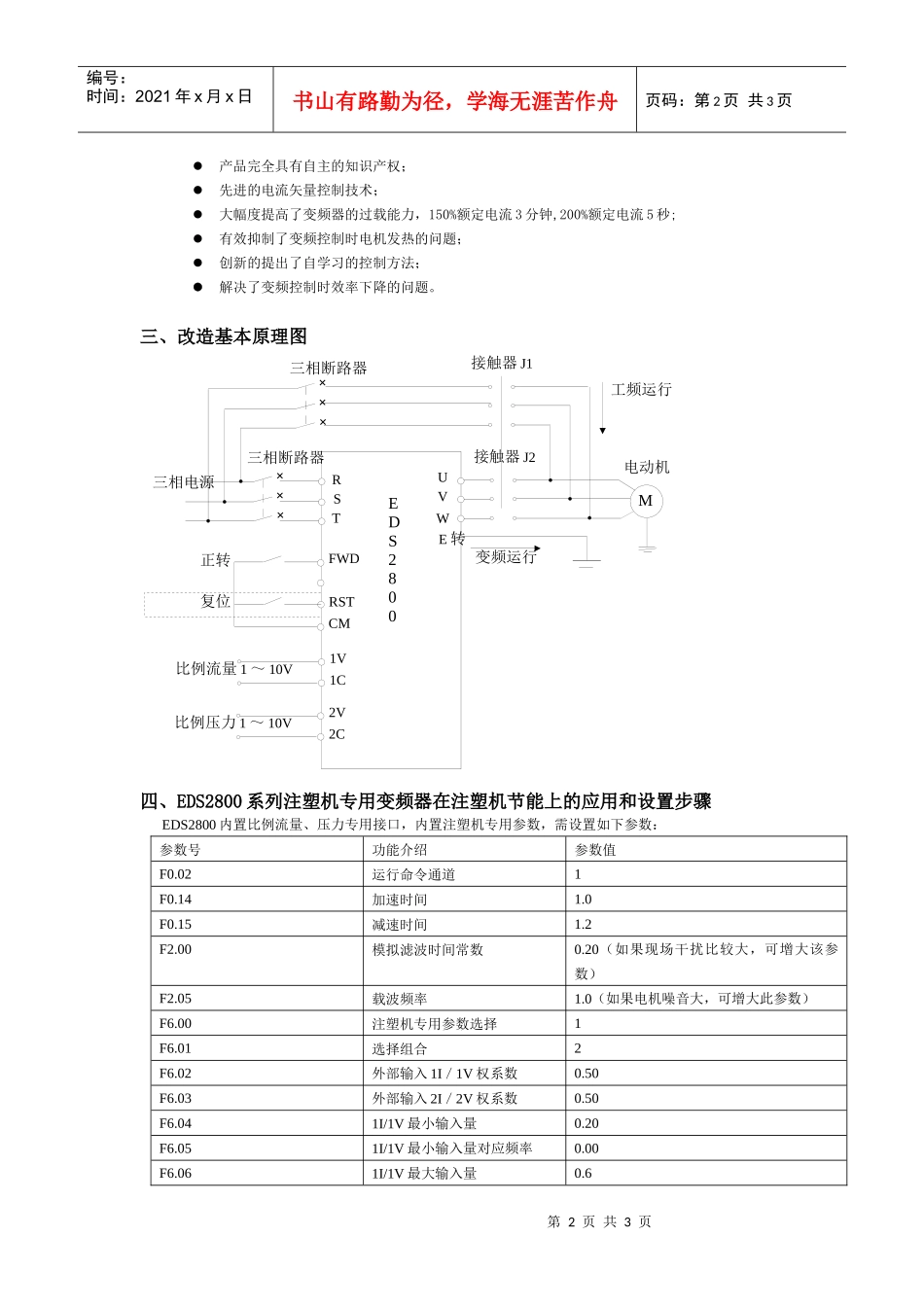
第1页共3页编号:时间:2021年x月x日书山有路勤为径,学海无涯苦作舟页码:第1页共3页一、油泵变频调速原理此种方案采用了注塑机节能控制系统变频器。自动采集注塑机本身的工作压力和流量信号同时输入给变频器的模拟量输入端,并进行分析和计算,同步控制变频器运行,从而准确地调节油泵的转速,通过控制油泵电机的转速,使油泵的实际供油量与注塑机的工作流量需求相一致,在保证系统压力稳定的前提下,将注塑机原有的溢流现象控制到最小状态,油泵的实际流量正比于电机的转速,油泵的输出功率因此也正比于电机的转速,从而大幅度节约电能消耗;同时,变频器能够将油泵马达的功率因数提高到95%以上,有效地改善电网质量,减小无功消耗。根据塑料制品和工艺要求的不同,其整体节能效果从35%至70%的范围内不等。同时与始终运行在工频转速上的电机和油泵相比较,伴随着电机转速的降低,系统平均音量降低3-5分贝。减少3分贝的噪音可使实际噪音降低50%,因此工厂的环境和员工的劳动条件得到改善。例如一台CLF-600型注塑机在生产某种塑料工件时,整个工艺周期约为52秒,经现场测得其各工艺阶段,所需时间和油泵电机负载电流如下:锁模/射台前进:4.0秒76A射胶:5.5秒54A保压:9.0秒52A冷却:29秒53A(前9.3秒)开模/射台后退:3.7秒76A由此可见该系统各工序油泵实际所需功率变化很大,特别是射胶、保压和冷却阶段,设备所用的55KW油泵的电机利用率很低、电机空转,其中有相当部分的电能浪费了。根据注塑机这一工艺特性,我公司开发、研制出易能注塑机专用型变频器,将定量泵液压系统改变为变频控制系统。这种变频控制系统的运行将随工艺和工序要求,通过调节油泵电机转速,自动调节控制液压、油压的流量,从而达到节能30%~~60%的效果,并具有比原控制系统保护功能更强、更安全、更可靠的诸多特点。具体情况如下所示:减少注塑机用电量至少达30%以上,降低了生产成本。工作环境噪音明显减小,系统油温大幅降低;平滑软起动,保护电机,延长使用寿命。根据用户的电网容量情况,可在变频改造后适当增容,节省了增容费。减轻开锁模冲击,延长机械和模具的使用寿命。延长油路系统使用寿命,减少维修次数,节省大量维护费用。对电机具有过压、过流、缺相等多种保护。节能与工频轻松切换,保证节能系统故障时不影响生产。系统安装简便快捷,半个工作日完成。二、EDS2800注塑机变频器的特点02易能变频器在注塑机上的应用第2页共3页第1页共3页三相断路器接触器J1M电动机UWVRSTFWDCM1V1C正转E转×××三相断路器三相电源比例流量1~10V×××接触器J2工频运行变频运行2V2C比例压力1~10VEDS2800RST复位编号:时间:2021年x月x日书山有路勤为径,学海无涯苦作舟页码:第2页共3页产品完全具有自主的知识产权;先进的电流矢量控制技术;大幅度提高了变频器的过载能力,150%额定电流3分钟,200%额定电流5秒;有效抑制了变频控制时电机发热的问题;创新的提出了自学习的控制方法;解决了变频控制时效率下降的问题。三、改造基本原理图四、EDS2800系列注塑机专用变频器在注塑机节能上的应用和设置步骤EDS2800内置比例流量、压力专用接口,内置注塑机专用参数,需设置如下参数:参数号功能介绍参数值F0.02运行命令通道1F0.14加速时间1.0F0.15减速时间1.2F2.00模拟滤波时间常数0.20(如果现场干扰比较大,可增大该参数)F2.05载波频率1.0(如果电机噪音大,可增大此参数)F6.00注塑机专用参数选择1F6.01选择组合2F6.02外部输入1I/1V权系数0.50F6.03外部输入2I/2V权系数0.50F6.041I/1V最小输入量0.20F6.051I/1V最小输入量对应频率0.00F6.061I/1V最大输入量0.6第3页共3页第2页共3页编号:时间:2021年x月x日书山有路勤为径,学海无涯苦作舟页码:第3页共3页F6.071I/1V最大输入量对应频率50.00F6.082I/2V最小输入量0.20F6.092I/2V最小输入量对应频率0.00F6.102I/2V最大输入量0.60F6.112I/2V最大输入量对应频率50.00F6.12拐点设置0

1、当您付费下载文档后,您只拥有了使用权限,并不意味着购买了版权,文档只能用于自身使用,不得用于其他商业用途(如 [转卖]进行直接盈利或[编辑后售卖]进行间接盈利)。
2、本站所有内容均由合作方或网友上传,本站不对文档的完整性、权威性及其观点立场正确性做任何保证或承诺!文档内容仅供研究参考,付费前请自行鉴别。
3、如文档内容存在违规,或者侵犯商业秘密、侵犯著作权等,请点击“违规举报”。

碎片内容

易能变频器在注塑机上的应用-深圳市易能电气技术有限公司-

中小学文库+ 关注
实名认证
内容提供者

精品资料应用尽有

确认删除?
VIP
微信客服
  • 扫码咨询
会员Q群
  • 会员专属群点击这里加入QQ群
客服邮箱
回到顶部