电脑桌面
添加小米粒文库到电脑桌面
安装后可以在桌面快捷访问

现浇梁施工安全方案VIP专享VIP免费

现浇梁施工安全方案_第1页
1/11
现浇梁施工安全方案_第2页
2/11
现浇梁施工安全方案_第3页
3/11
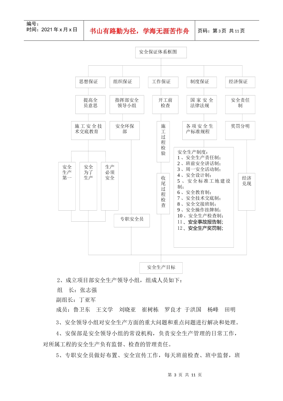
目录一、工程概况.........................................................................................................11、工程简介....................................................................................................12、本工程重大危险源....................................................................................13、本工程安全管理的重点部位....................................................................1二、安全目标.........................................................................................................11、安全总目标................................................................................................12、安全分目标................................................................................................1三、安全保证体系.................................................................................................2四、安全工作准备.................................................................................................3五、安全技术措施.................................................................................................31、模板工程....................................................................................................32、钢筋工程....................................................................................................53、混凝土工程................................................................................................64、支架施工....................................................................................................65、交通安全....................................................................................................7六、工地临时用电安全措施.................................................................................71、安全用电组织措施....................................................................................72、安全用电防火措施....................................................................................7七、机械设备安全管理措施.................................................................................8八、安全事故处理应急预案.................................................................................9九、安全费用投入...............................................................................................10十、现浇梁门式满堂支架计算书.......................................................................10现浇梁安全施工方案一、工程概况1、工程简介本项目共有现浇梁16联,分别为海宁枢纽互通2号桥第四、七联左右幅,海宁枢纽互通4、7号桥共10联,海宁枢纽互通5、9号桥第三联,其中4、7号桥第三联上跨杭浦高速施工。施工中支架全部为门式满堂支架。2、本工程重大危险源根据上述桥段施工的实际情况,本工程的重大危险源为:1)钢筋施工可能导致砸、碰、挤、摔、机械伤害;2)起重作业时,起重设备不符合安全规定可能导致的砸、挤、绞、机械伤害、人身伤害;3)混凝土施工高空作业时不系安全带可能导致人身伤害;4)交通安全导致的人身伤害;5)地基基础承载力不够的导致的失稳垮塌;6)支架承载力不够导致失稳垮塌;第2页共11页编号:时间:2021年x月x日书山有路勤为径,学海无涯苦作舟页码:第2页共11页7)高空抛掷导致的人身伤害。3、本工程安全管理的重点部位1)施工用电防护;2)混凝土施工脚手架的搭、拆;3)道路交通、施工车辆、机械、人员的防护;4)防坠落和抛掷防护。二、安全目标1、安全总目标坚持“安全第一,预防为主,综合治理”的方针,建立健全安全管理组织机构,完善安全生产...

1、当您付费下载文档后,您只拥有了使用权限,并不意味着购买了版权,文档只能用于自身使用,不得用于其他商业用途(如 [转卖]进行直接盈利或[编辑后售卖]进行间接盈利)。
2、本站所有内容均由合作方或网友上传,本站不对文档的完整性、权威性及其观点立场正确性做任何保证或承诺!文档内容仅供研究参考,付费前请自行鉴别。
3、如文档内容存在违规,或者侵犯商业秘密、侵犯著作权等,请点击“违规举报”。

碎片内容

现浇梁施工安全方案

中小学文库+ 关注
实名认证
内容提供者

精品资料应用尽有

确认删除?
VIP
微信客服
  • 扫码咨询
会员Q群
  • 会员专属群点击这里加入QQ群
客服邮箱
回到顶部