电脑桌面
添加小米粒文库到电脑桌面
安装后可以在桌面快捷访问

架空输电线路巡视作业指导书VIP免费

架空输电线路巡视作业指导书_第1页
1/10
架空输电线路巡视作业指导书_第2页
2/10
架空输电线路巡视作业指导书_第3页
3/10
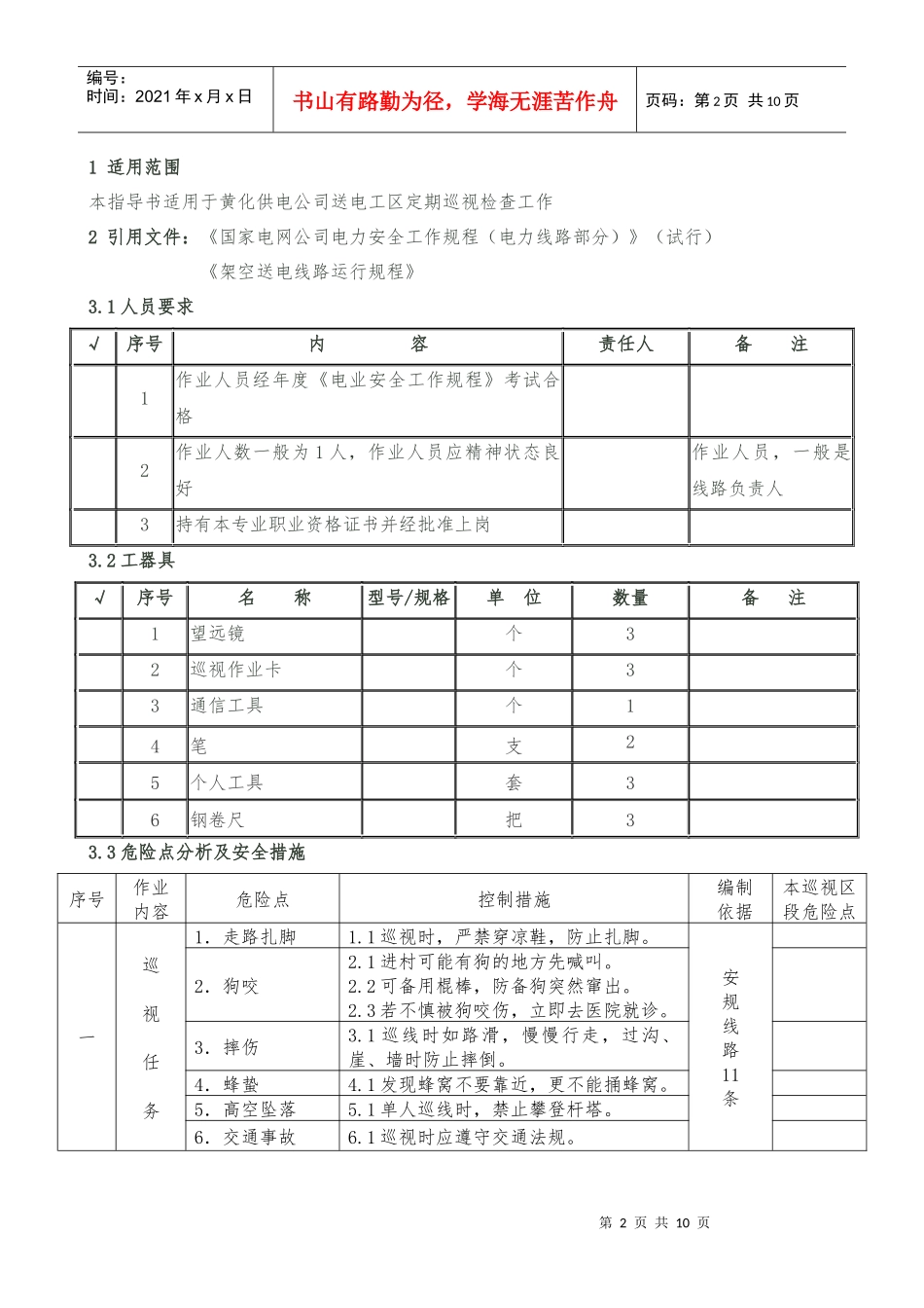
第1页共10页编号:时间:2021年x月x日书山有路勤为径,学海无涯苦作舟页码:第1页共10页架空输电线路巡视作业指导书黄化供电公司2010年7月第2页共10页第1页共10页编号:时间:2021年x月x日书山有路勤为径,学海无涯苦作舟页码:第2页共10页1适用范围本指导书适用于黄化供电公司送电工区定期巡视检查工作2引用文件:《国家电网公司电力安全工作规程(电力线路部分)》(试行)《架空送电线路运行规程》3.1人员要求√序号内容责任人备注1作业人员经年度《电业安全工作规程》考试合格2作业人数一般为1人,作业人员应精神状态良好作业人员,一般是线路负责人3持有本专业职业资格证书并经批准上岗3.2工器具√序号名称型号/规格单位数量备注1望远镜个32巡视作业卡个33通信工具个14笔支25个人工具套36钢卷尺把33.3危险点分析及安全措施序号作业内容危险点控制措施编制依据本巡视区段危险点一巡视任务1.走路扎脚1.1巡视时,严禁穿凉鞋,防止扎脚。安规线路11条2.狗咬2.1进村可能有狗的地方先喊叫。2.2可备用棍棒,防备狗突然窜出。2.3若不慎被狗咬伤,立即去医院就诊。3.摔伤3.1巡线时如路滑,慢慢行走,过沟、崖、墙时防止摔倒。4.蜂蛰4.1发现蜂窝不要靠近,更不能捅蜂窝。5.高空坠落5.1单人巡线时,禁止攀登杆塔。6.交通事故6.1巡视时应遵守交通法规。第3页共10页第2页共10页编号:时间:2021年x月x日书山有路勤为径,学海无涯苦作舟页码:第3页共10页7.溺水7.1巡线工作中不得穿过不明深浅的水域和薄冰,更不能下水游泳。8.走丢8.1偏僻山区巡视必须要由2人进行。8.2夜间巡视应携带照明工具和通讯工具。8.3暑天和大雪天巡视必要时由2人进行。9.防大动物措施9.1在巡视工作中,应经常在沿线村庄或向牧羊人询问该段是否有大动物出没,若有应设法证实,并在以后巡线过程中带好防护器械,必要时与护线员或本地群众配合进行工作。9.2在长期的野外工作中,应注意观察和积累大动物出没的地点和活动区域,以便在工作中加以提防。二故障巡视1.触电1.1事故巡线时应始终认为线路带电,即使明知该线路已停电,亦认为线路有随时恢复送电的可能。1.2发现导线断落地面或悬吊于空中,应设法防止行人靠近断线点8米以内,并迅速报告领导,等候处理。1.3巡线时应沿线路外侧行走,大风沿上风侧行走。安规线路11、12条三检修任务1.地面补装塔材或补装螺栓时松紧螺栓伤人1.1扳手开口与螺帽平面要加紧,扳时要缓慢用力。安规线路85条4.1巡视内容及标准巡视项目巡视检查内容处理标准杆塔基础1.检查杆塔及拉线基础变异,周围土壤突起或沉陷,基础裂纹、损坏、下沉或上拔,护基沉塌或被冲刷;2.基础保护帽上部塔材被埋入土或废弃物堆中,塔材锈蚀;3.防洪设施坍塌或损坏;4.在基础周围取土、打桩、开挖或倾倒有害化学品;5.铁塔地脚螺母松动、缺损;1.杆塔基础表面水泥脱落、钢筋外露、装配式基础锈蚀、基础周围环境发生的不良变化;接地装置1.接地装置外露或腐蚀情况。1.接地电阻大于设计规定值;2.接地装置外露或腐蚀严重;3.接地引下线断开或与接地体接触不良第4页共10页第3页共10页编号:时间:2021年x月x日书山有路勤为径,学海无涯苦作舟页码:第4页共10页铁塔杆身1.杆塔倾斜,横担歪斜,铁塔主材弯曲;2.塔材、拉线(棒)等被偷盗破坏或锈蚀;3.拉线锈蚀、断股或松弛、张力不均;4.砼杆出现裂纹过裂纹扩展,混凝土脱落,钢筋外露,脚钉缺损;5.在杆塔上架设电力线、通信线等;6.利用杆塔拉线作起重牵引地锚,在拉线上栓牲畜,悬挂物件;7.杆塔或拉线上有危及供电安全的巢以及有蔓藤类植物附生。1.杆塔倾斜、横担歪斜超过以下数值时:混凝土杆倾斜度1.5%、铁塔倾斜度1.0%、横担歪斜度1.0%;2.铁塔主材相邻结点弯曲度超过0.2%;3.混凝土杆保护层腐蚀脱落、钢筋外露,普通混凝土杆有裂纹,缝隙宽度超过0.2mm,预应力混凝土杆有裂缝;4.拉线棒锈蚀后直径减少2~4mm;5.拉线断股,镀锌层锈蚀、脱落。导、地线1.导、地线锈蚀、损伤、断股或烧伤;2.导、地线弧垂变化,相分裂导线间距变化,间隔棒松动、移位;3.导、地线连接金具过热、变色、变形、滑移;4.跳线断股、变形、与杆塔空气间隙变化或摆动过大;...

1、当您付费下载文档后,您只拥有了使用权限,并不意味着购买了版权,文档只能用于自身使用,不得用于其他商业用途(如 [转卖]进行直接盈利或[编辑后售卖]进行间接盈利)。
2、本站所有内容均由合作方或网友上传,本站不对文档的完整性、权威性及其观点立场正确性做任何保证或承诺!文档内容仅供研究参考,付费前请自行鉴别。
3、如文档内容存在违规,或者侵犯商业秘密、侵犯著作权等,请点击“违规举报”。

碎片内容

架空输电线路巡视作业指导书

您可能关注的文档

确认删除?
VIP
微信客服
  • 扫码咨询
会员Q群
  • 会员专属群点击这里加入QQ群
客服邮箱
回到顶部