电脑桌面
添加小米粒文库到电脑桌面
安装后可以在桌面快捷访问

某矿业有限公司设备档案VIP免费

某矿业有限公司设备档案_第1页
1/22
某矿业有限公司设备档案_第2页
2/22
某矿业有限公司设备档案_第3页
3/22
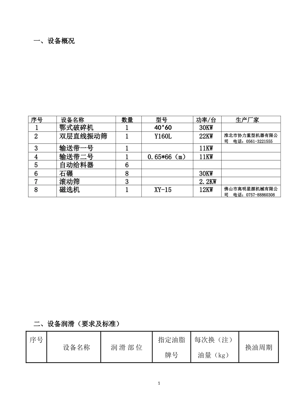
凤阳佳润矿业有限公司设备档案建档时间:2010年11月8日目录一、设备概况·································1二、设备润滑(要求及标准)····················2三、设备维护保养及维修记录···················3四、设备大中修记录···························4五、设备事故记录·····························5六、设备配件及备用情况·······················6七、设备及主要配件使用情况···················7八、设备每月运作时间统计··················8-19一、设备概况二、设备润滑(要求及标准)序号设备名称润滑部位指定油脂牌号每次换(注)油量(kg)换油周期序号设备名称数量型号功率/台生产厂家1鄂式破碎机140*6030KW2双层直线振动筛1Y160L22KW淮北市协力重型机器有限公司电话:0561-32215553输送带一号111KW4输送带二号10.65*66(m)11KW5自动给料器66石碾830KW7滚动筛32.2KW8磁选机1XY-1512KW佛山市高明星源机械有限公司电话:0757-8886030811颚式破碎机2输送带一号3输送带二号4直线式振动筛5石碾一号6石碾二号7石碾三号8石碾四号9石碾五号10石碾六号11石碾七号12石碾八号13滚动筛一号14滚动筛二号15滚动筛三号16磁选机171819三、设备维护保养及检修记录序号设备名称维护保养及检修内容检修时间更换件明细备注21颚式破碎机2输送带一号3输送带二号4直线振动筛5石碾一号6石碾二号7石碾三号8石碾四号9石碾五号10石碾六号11石碾七号12石碾八号13滚动筛一号14滚动筛二号15滚动筛三号16磁选机171819四、设备大中修记录序号设备名称检修日期检修内容更换件明细备注31颚式破碎机2输送带一号3输送带二号4直线振动筛5石碾一号6石碾二号7石碾三号8石碾四号9石碾五号10石碾六号11石碾七号12石碾八号13滚动筛一号14滚动筛二号15滚动筛三号16磁选机171819五、设备事故记录序号设备名称事故名称发生原因发生时间采取防范措施41颚式破碎机2输送带一号3输送带二号4直线振动筛5石碾一号6石碾二号7石碾三号8石碾四号9石碾五号10石碾六号11石碾七号12石碾八号13滚动筛一号14滚动筛二号15滚动筛三号16磁选机1718六、设备配件备用情况序号设备名称备件名称型号规格单位数量存放地点51颚式破碎机2输送带一号3输送带二号4直线振动筛5石碾一号6石碾二号7石碾三号8石碾四号9石碾五号10石碾六号11石碾七号12石碾八号13滚动筛一号14滚动筛二号15滚动筛三号16磁选机1718196七、设备及主要配件使用情况序号设备名称大中修日期运行时间消耗主要配件名称及数量使用寿命备注1颚式破碎机2输送带一号3输送带二号4直线振动筛5石碾一号6石碾二号7石碾三号8石碾四号9石碾五号10石碾六号11石碾七号12石碾八号13滚动筛一号14滚动筛二号15滚动筛三号716磁选机八、设备每月运作时间统计日期12345678910111213141516171819202122232425262728293031月份运行情况设备名称运行时间运行时间运行时间运行时间运行时间运行时间运行时间运行时间运行时间运行时间运行时间运行时间运行时间运行时间运行时间运行时间运行时间运行时间运行时间运行时间运行时间运行时间运行时间运行时间运行时间运行时间运行时间运行时间运行时间运行时间运行时间1鄂式破碎机输送带一号输送带二号双层直线振动筛石碾一号石碾二号石碾三号石碾四号石碾五号石碾六号石碾七号石碾八号滚动筛一号滚动筛二号8滚动筛三号磁选机日期12345678910111213141516171819202122232425262728293031月份运行情况设备名称运行时间运行时间运行时间运行时间运行时间运行时间运行时间运行时间运行时间运行时间运行时间运行时间运行时间运行时间运行时间运行时间运行时间运行时间运行时间运行时间运行时间运行时间运行时间运行时间运行时间运行时间运行时间运行时间运行时间运行时间运行时间2鄂式破碎机输送带一号输送带二号双层直线振动筛石碾一号石碾二号石碾三号石碾四号石碾五号石碾六号石碾七号石碾八号滚动筛一号滚动筛二号滚动筛三号磁选机9日期12345678910...

1、当您付费下载文档后,您只拥有了使用权限,并不意味着购买了版权,文档只能用于自身使用,不得用于其他商业用途(如 [转卖]进行直接盈利或[编辑后售卖]进行间接盈利)。
2、本站所有内容均由合作方或网友上传,本站不对文档的完整性、权威性及其观点立场正确性做任何保证或承诺!文档内容仅供研究参考,付费前请自行鉴别。
3、如文档内容存在违规,或者侵犯商业秘密、侵犯著作权等,请点击“违规举报”。

碎片内容

某矿业有限公司设备档案

您可能关注的文档

确认删除?
VIP
微信客服
  • 扫码咨询
会员Q群
  • 会员专属群点击这里加入QQ群
客服邮箱
回到顶部