电脑桌面
添加小米粒文库到电脑桌面
安装后可以在桌面快捷访问

热处理对模具失效的影响及对策VIP免费

热处理对模具失效的影响及对策_第1页
1/4
热处理对模具失效的影响及对策_第2页
2/4
热处理对模具失效的影响及对策_第3页
3/4
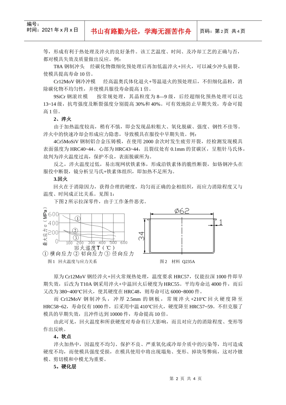
第1页共4页编号:时间:2021年x月x日书山有路勤为径,学海无涯苦作舟页码:第1页共4页热处理对模具失效的影响及对策材料工程系朱三武摘要模具作为昂贵的机械加工装备,如何减少损耗,延长其使用寿命,成为技术人员普遍面临的课题。本文就热处理对模具的影响提出一些个人看法,仅供大家参考。关键词模具失效热处理一、模具失效的形式、原因及对策失效形式特征原因对策断裂1、多产生在刃口及工作面处;2、截面变化应力集中(断口平齐,晶粒色异)。1、设计不合理;2、模具及冲床调整不当;3、操作不慎;4、热处理原因。1、改进设计,防止应力集中;2、调整冲床及模具,严守工艺;3、改进热处理工艺。磨损1、刃口变钝或出现弧状;2、工作面凸凹不平或拉伤;3、刃口硬度下降;4、工作尺寸变小超差。1、热处理淬火、回火不当;2、磨削工艺问题过热;3、表面渗层原因。1、精化热处理工艺;2、合理磨削3、正确选用化学热处理工艺掉块1、刃口磨损,掉块2、零件损坏或严重毛刺拉伤1、操作不当2、模具间隙调整原因3、硬度不当1、正确操作2、调整模具、冲床3、改正热处理工艺变形1、零件超差,未达图纸要求2、模具间隙明显变化3、影响正常冲压、啃刃口1、模具选材不当2、热处理及回火问题3、磨削及冲压应力所致1、合理用材2、改进热处理工艺3、充分回火去应力处理4、磨穴后及服役中补充回火其它1、型腔及工作面粗糙度上升2表面斑点、麻面等3、表面疲劳龟裂4、严重氧化1、模具选材不当2、化学处理问题3、热处理工艺问题4、使用不当1改进模具用才2、正确化学热处理3、改进热处理工艺4、严格操作工艺、正确用模二、热处理对模具失效的影响因素由于模具是在极其恶劣的条件下服役,故模具要有足够的强度、韧性、抗摩擦性及咬合性能等。而上述性能的获得除与原材料、工作状况有关外,更重要的是通过热处理工艺改变金属组织及含量、结构、最大限度地提高模具的综合性能。而热处理又是依加热----保温---冷却三大隐蔽过程完成的。故影响质量的因素复杂。1预处理即模具毛胚的退火,调质及应力处理等。其目的在于消除金属残存的组织缺陷、应力第2页共4页第1页共4页编号:时间:2021年x月x日书山有路勤为径,学海无涯苦作舟页码:第2页共4页等,形成有利于热处理及淬火的良好条件。该工艺温度、时间、及冷却工艺的正确与否,都对模具失效及质量做出反应。例:T8A钢制冲头经碳化物微细化预处理后再加低温淬火+回火,可以减少冲头崩裂,使模具提高寿命10倍。Cr12MoV钢冷冲模经高温奥氏体化退火+等温退火的预处理后,不但细化晶粒,消除碳化物不均匀性,并使模具服役寿命提高1倍。9SiCr钢滚丝模按常规处理,其晶粒度为8—9级,后经超细化预热处理可以达13~14级,抗弯强度及断裂强度分别提高30%和40%。可有效地防止早期失效,寿命可提高1倍。2、淬火由于加热温度较高,稍有不慎,即会发现晶粒粗大、氧化脱碳、强度、钢性不佳等。淬火中的快速冷却会形成应力隐患,导致模具在服役中早期失效。例:4Cr5MoSiV钢制铝合金压铸模,在使用2000余次时发生疲劳开裂,经检测发现模具表面强度为HRC40~44。心部为HRC43~44,且裂纹处有0.1mm的贫碳区,呈粗针马氏体,故判为淬火温度过高,保护不良,表面脱碳所为。反之,淬火温度过低,易出现网状铁素体,形成沿铁素体的脆性断裂,如铬钢冲头在服役中断裂,镜分析呈马氏+铁素体组织,即加热不足所为。3.回火回火在于消除因力,获得合理的硬度,均匀而正确的金相组织,而应力消除程度又与温度、时间成正比关系。见图1:下图2所示拉深零件,由于工作条件恶劣。图1回火温度与应力关系图2材料Q235A原为Cr12MoV钢经淬火+回火常规热处理,温度要求HRC57,仅能拉深1000件即早期失效,后改为T10A钢采用淬火+中温回火后硬度为HRC55。平均寿命达4000件,而后又改为380~400℃回火,使其硬度在HRC48,则寿命可达6000~8000件。而Cr12MoV钢制冲头,冲厚2.5mm的钢板,常规淬火+210℃回火硬度降至HRC58~62,寿命仅有1000件,后采用中温410℃回火,硬度降至HRC57~59。不但克服了模具的早期失效,且冲件达到10000件,寿命提高10倍。由此可见,回火温度和所获硬度对寿命有巨大影响,而且对应力的...

1、当您付费下载文档后,您只拥有了使用权限,并不意味着购买了版权,文档只能用于自身使用,不得用于其他商业用途(如 [转卖]进行直接盈利或[编辑后售卖]进行间接盈利)。
2、本站所有内容均由合作方或网友上传,本站不对文档的完整性、权威性及其观点立场正确性做任何保证或承诺!文档内容仅供研究参考,付费前请自行鉴别。
3、如文档内容存在违规,或者侵犯商业秘密、侵犯著作权等,请点击“违规举报”。

碎片内容

热处理对模具失效的影响及对策

中小学文库+ 关注
实名认证
内容提供者

精品资料应用尽有

确认删除?
VIP
微信客服
  • 扫码咨询
会员Q群
  • 会员专属群点击这里加入QQ群
客服邮箱
回到顶部