电脑桌面
添加小米粒文库到电脑桌面
安装后可以在桌面快捷访问

桩板墙施工方案(DOC31页)VIP免费

桩板墙施工方案(DOC31页)_第1页
1/22
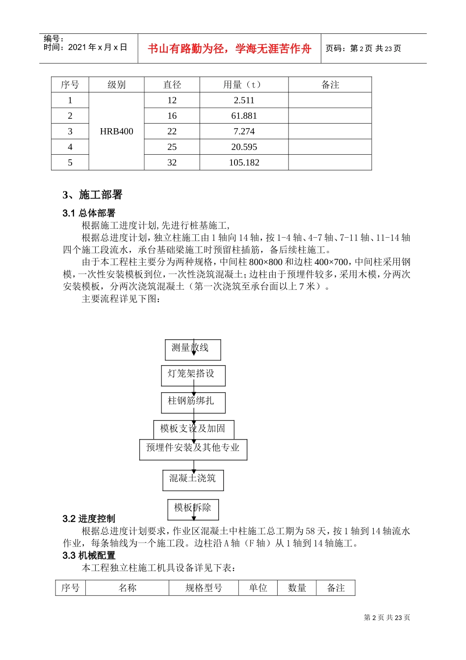
桩板墙施工方案(DOC31页)_第2页
2/22
桩板墙施工方案(DOC31页)_第3页
3/22
广州(清远)转移转移工业园华清产业大道工程桩板墙施工方案目录1、编制依据........................................................................................................................12、工程概况........................................................................................................................12.1主要工程概况...............................................................................................................12.2主要工程量...................................................................................................................13、施工部署........................................................................................................................23.1总体部署.......................................................................................................................23.2进度控制.......................................................................................................................33.3机械配置.......................................................................................................................33.4劳动力安排...................................................................................................................44、施工方法........................................................................................................................44.1准备工作.......................................................................................................................44.2测量控制.......................................................................................................................44.3操作架施工...................................................................................................................54.4钢筋施工.......................................................................................................................64.5模板施工.......................................................................................................................84.6混凝土施工.................................................................................................................245、安全保证措施..............................................................................................................265.1安全管理.....................................................................................................................265.2架体安全.....................................................................................................................265.3钢筋工程.....................................................................................................................275.4模板工程.....................................................................................................................275.5混凝土工程.................................................................................................................276、质量保证措施..............................................................................................................286.1质量管理.....................................................................................................................286.2钢筋工程.....................................................................................................................286.3模板工程...............

1、当您付费下载文档后,您只拥有了使用权限,并不意味着购买了版权,文档只能用于自身使用,不得用于其他商业用途(如 [转卖]进行直接盈利或[编辑后售卖]进行间接盈利)。
2、本站所有内容均由合作方或网友上传,本站不对文档的完整性、权威性及其观点立场正确性做任何保证或承诺!文档内容仅供研究参考,付费前请自行鉴别。
3、如文档内容存在违规,或者侵犯商业秘密、侵犯著作权等,请点击“违规举报”。

碎片内容

桩板墙施工方案(DOC31页)

您可能关注的文档

确认删除?
VIP
微信客服
  • 扫码咨询
会员Q群
  • 会员专属群点击这里加入QQ群
客服邮箱
回到顶部