电脑桌面
添加小米粒文库到电脑桌面
安装后可以在桌面快捷访问

煤水泵安装工程安全技术措施VIP免费

煤水泵安装工程安全技术措施_第1页
1/46
煤水泵安装工程安全技术措施_第2页
2/46
煤水泵安装工程安全技术措施_第3页
3/46
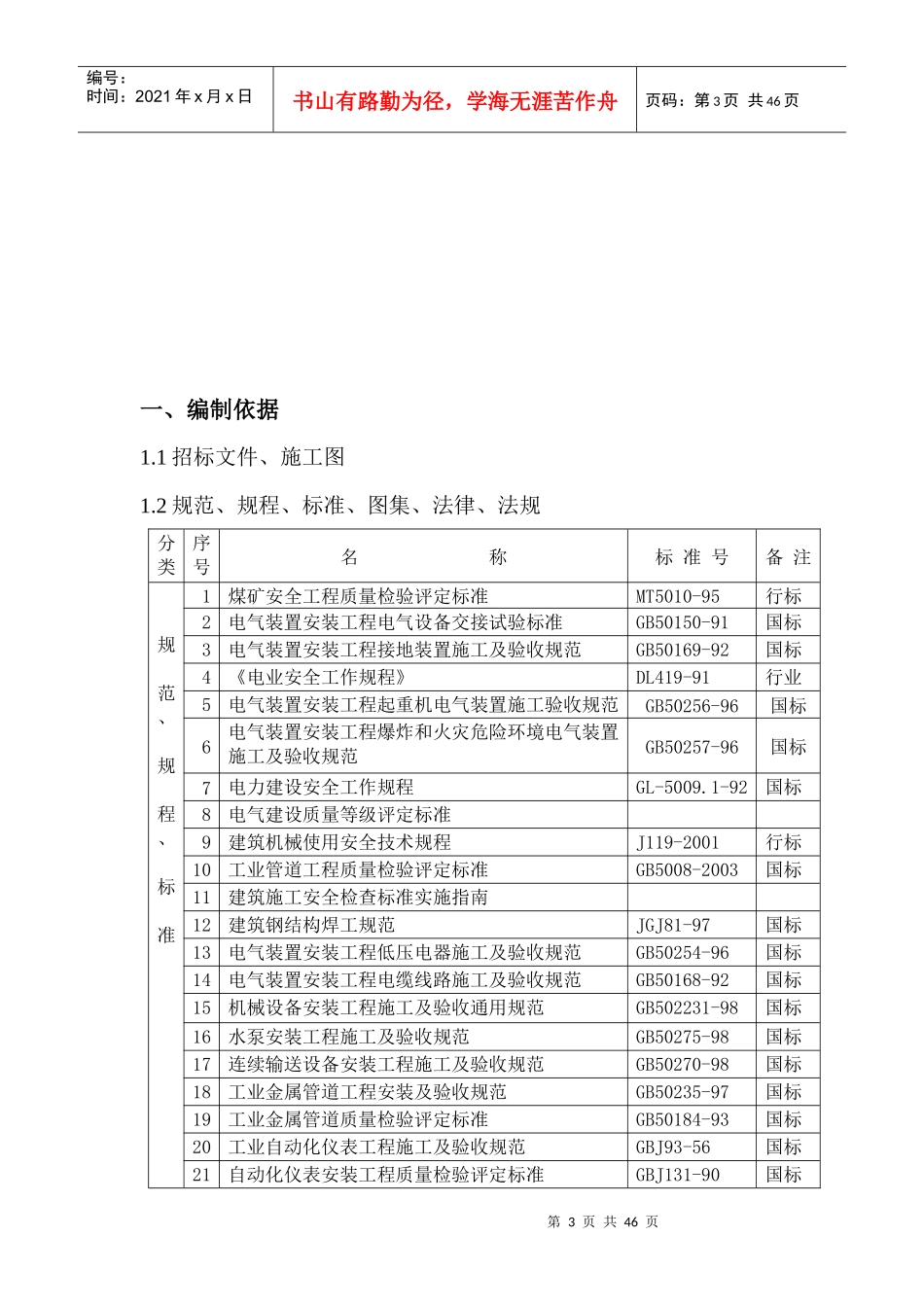
第1页共46页编号:时间:2021年x月x日书山有路勤为径,学海无涯苦作舟页码:第1页共46页15#煤水泵安装工程安全技术措施编制:审核:批准:施工单位:河南富昌建设工程有限责任公司第2页共46页第1页共46页编号:时间:2021年x月x日书山有路勤为径,学海无涯苦作舟页码:第2页共46页2009年6月15日目录一、编制依据--------------------------------------1二、工程概况--------------------------------------2三、施工部署--------------------------------------2四、主要分部工程施工方法--------------------------8五、施工进度计划--------------------------------13六、质量技术要求--------------------------------13七、各项管理及保证措施--------------------------15第3页共46页第2页共46页编号:时间:2021年x月x日书山有路勤为径,学海无涯苦作舟页码:第3页共46页一、编制依据1.1招标文件、施工图1.2规范、规程、标准、图集、法律、法规分类序号名称标准号备注规范、规程、标准1煤矿安全工程质量检验评定标准MT5010-95行标2电气装置安装工程电气设备交接试验标准GB50150-91国标3电气装置安装工程接地装置施工及验收规范GB50169-92国标4《电业安全工作规程》DL419-91行业5电气装置安装工程起重机电气装置施工验收规范GB50256-96国标6电气装置安装工程爆炸和火灾危险环境电气装置施工及验收规范GB50257-96国标7电力建设安全工作规程GL-5009.1-92国标8电气建设质量等级评定标准9建筑机械使用安全技术规程J119-2001行标10工业管道工程质量检验评定标准GB5008-2003国标11建筑施工安全检查标准实施指南12建筑钢结构焊工规范JGJ81-97国标13电气装置安装工程低压电器施工及验收规范GB50254-96国标14电气装置安装工程电缆线路施工及验收规范GB50168-92国标15机械设备安装工程施工及验收通用规范GB502231-98国标16水泵安装工程施工及验收规范GB50275-98国标17连续输送设备安装工程施工及验收规范GB50270-98国标18工业金属管道工程安装及验收规范GB50235-97国标19工业金属管道质量检验评定标准GB50184-93国标20工业自动化仪表工程施工及验收规范GBJ93-56国标21自动化仪表安装工程质量检验评定标准GBJ131-90国标第4页共46页第3页共46页编号:时间:2021年x月x日书山有路勤为径,学海无涯苦作舟页码:第4页共46页法规22中华人民共和国建筑法国家23建设项目环境保护管理文件国家24煤矿安全规程国家二、工程概况1、本工程建设单位:山西省阳泉市燕龛煤炭有限责任公司。监理单位:山西煤炭监理公司。设计单位:煤炭工业石家庄设计研究院。施工单位:河南富昌建设工程有限责任公司工程计划2009年8月15日开工,2009年9月14日竣工。2、主要技术特征:矿用耐磨水泵MD85--45×63台矿用防爆电动机YB2-315S-2110KW,660V3台矿用防爆型电动闸阀MZ941H-40,DN100,PN=4Mpa3个矿用止回阀H44H-40,DN100,PN=4Mpa3个矿用闸阀Z40H-40,DN100,PN=4Mpa6个配水闸阀PZI--400,DN4005个ZPB--Z气水两用射水泵总成PN=4.0Mpa3套无缝钢管Φ133×61250米无缝钢管Φ159×520米矿用真空表3个矿用指针式耐震压力表3个水泵配管3套第5页共46页第4页共46页编号:时间:2021年x月x日书山有路勤为径,学海无涯苦作舟页码:第5页共46页矿用隔爆型磁力启动器QJGR-75/10-ON1660V200A4台隔爆型电动阀门控制箱3台矿用像套电缆MY--0.38/0.66KV3×70+1+16mm2100米矿用像套电缆MY--0.38/0.66KV3×6+4mm2150米控制电缆MKVV22-300/5007×1.5mm2100米阻燃强力电缆钩BG70三、施工部署3.1项目管理目标3.1.1质量目标工程质量按《煤矿安装工程质量检验评定标准》、《水泵安装工程施工验收规范》、《电气装置安装工程高压电器施工及验收规范》、《电气装置安装工程电气设备交接试验标准》、达到合格要求,争创优质工程。3.1.2安全文明目标积极开展创建安全文明工地工作,认真贯彻执行《山西省安全文明工地标准》,争创安全文明工地。3.1.3成本目标编制合理降低造价措施,通过先进的施工技术和科学的管理方法降低造价1.2%。3.2项目组织机构为确保本工程全方位地组织管理能够顺利实施,我公司将调派第6页共46页第5页共46页编号:时间:2021...

1、当您付费下载文档后,您只拥有了使用权限,并不意味着购买了版权,文档只能用于自身使用,不得用于其他商业用途(如 [转卖]进行直接盈利或[编辑后售卖]进行间接盈利)。
2、本站所有内容均由合作方或网友上传,本站不对文档的完整性、权威性及其观点立场正确性做任何保证或承诺!文档内容仅供研究参考,付费前请自行鉴别。
3、如文档内容存在违规,或者侵犯商业秘密、侵犯著作权等,请点击“违规举报”。

碎片内容

煤水泵安装工程安全技术措施

您可能关注的文档

确认删除?
VIP
微信客服
  • 扫码咨询
会员Q群
  • 会员专属群点击这里加入QQ群
客服邮箱
回到顶部