电脑桌面
添加小米粒文库到电脑桌面
安装后可以在桌面快捷访问

某郊区110kV变电站电气设计毕业设计VIP免费

某郊区110kV变电站电气设计毕业设计_第1页
1/9
某郊区110kV变电站电气设计毕业设计_第2页
2/9
某郊区110kV变电站电气设计毕业设计_第3页
3/9
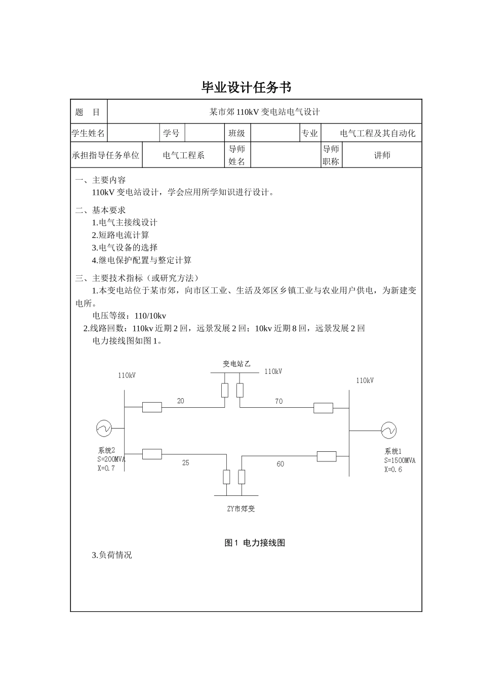
石家庄铁道大学四方学院毕业设计某郊区110kV变电站电气设计TheElectricalDesignof110kVSubstationforaSuburb2012届电气工程系专业电气工程及其自动化学号学生姓名指导老师完成日期2012年5月15日毕业设计成绩单学生姓名学号班级专业电气工程及其自动化毕业设计题目某郊区110kV变电站电气设计指导教师姓名胡立强指导教师职称讲师评定成绩指导教师得分评阅人得分答辩小组组长得分成绩:院长(主任)签字:年月日毕业设计任务书题目某市郊110kV变电站电气设计学生姓名学号班级专业电气工程及其自动化承担指导任务单位电气工程系导师姓名导师职称讲师一、主要内容110kV变电站设计,学会应用所学知识进行设计。二、基本要求1.电气主接线设计2.短路电流计算3.电气设备的选择4.继电保护配置与整定计算三、主要技术指标(或研究方法)1.本变电站位于某市郊,向市区工业、生活及郊区乡镇工业与农业用户供电,为新建变电所。电压等级:110/10kv2.线路回数:110kv近期2回,远景发展2回;10kv近期8回,远景发展2回电力接线图如图1。图1电力接线图3.负荷情况表1负荷情况4.所处地理环境及条件站址地区海拔高度200m,地址平坦,地震烈度6度。年最高温度40度,年最低温度-20度,最热月平均最高温度+32度,最大复冰厚度10mm,最大风速为25m/s,土壤热阻率ρ=100°cm/W,土壤温度20°C,地下水位较低,水质良好,无腐蚀性。如图2为地理位置图。电压等级负荷名称最大负荷MW穿越功率MW负荷组成%自然力率近期远期近期近期一级二级三级110kV市系1线1018市系2线1018备用110备用21210kV棉纺厂122.50.75棉纺厂222.50.75印染厂11.520.78印染厂21.520.78水泥厂133.50.75水泥厂233.50.75耐火厂122.50.75耐火厂222.50.75郊一22.50.75郊二22.50.75毛纺厂220.75针织厂12.50.75柴油机厂11.520.8柴油机厂21.520.8橡胶厂11.50.72市区11.520.8市区21.520.8食品厂1.21.50.8备用11.50.78备用21.50.78图2地理位置图四、应收集的资料及参考文献[1]电气设计规范[M].中国建筑工业出版社.2003.[2]朱林根.民用建筑变配电设计[M].第2版.中国建筑工业出版社.2004.[3]航空工业部第四规划设计研究院.工厂配电设计手册[M].北京水利电力出版社.[4]黄益庄.变电站综合自动化技术[M].北京:中国电力出版社.2000.[5]雍静主.供配电系统[M].第1版.机械工业出版社.2004.[6]刘介才.工厂供电[M].机械工业出版社.五、进度计划1.第1周-第2周:收集材料,完成开题报告;2.第3周-第4周:分析、确定方案;3.第5周-第7周:设计、计算、绘图;4.第8周:中期检查;5.第13周-第14周:论文审核定稿;6.第15周-第16周:答辩。教研室主任签字时间年月日毕业设计开题报告题目某郊区110kV变电站电气设计学生姓名学号班级专业电气工程及其自动化一、研究背景110kV变电所是电力配送的重要环节,也是电网建设的关键环节,变电所设计质量的好坏,直接关系到电力系统的安全、稳定、灵活和经济运行。为满足城镇负荷日益增长的需要,需提高对用户供电的可靠性和电能质量。随着国民经济的发展,工农业生产增长的需要,迫切要求增长供电容量,拟新建110kV变电所。变电站是电力系统的重要组成部分,它直接影响整个电力系统的安全和经济运行,是联系发电厂和用户的中间环节,起着变换和分配电能的作用。电气主接线是发电厂和变电所的主要环节,电气主接线的拟定直接关系着全站电气设备的选择、配电装置的布置、继电保护和自动装置的确定,是变电站电气部分投资大小的决定因素。二、国内外研究现状目前,我国变电站具有功能综合化,设备、操作、监视微机化,结构分布分层化,通信网络光缆化及运输管理智能化等特征。变电站的综合自动化为变电站小型化、智能化、扩大监视范围及变电站的安全、可靠、优质、经济的运行提供了现代化手段和基础保证。建国以来,我国的电力事业已经获得了长足的发展。随着电网规模的不断扩大、电力分配的日益复杂和用户对电能的质量的要求进一不提高,电网自动化就显得极为重要;近年来我国计算机和通信技术的发展及自动化技术的成熟,发展配电网调度与管理自动化以具备了条件。变电站在配电网中的地位十分重要,它担负着电能转换和电能重新分配的...

1、当您付费下载文档后,您只拥有了使用权限,并不意味着购买了版权,文档只能用于自身使用,不得用于其他商业用途(如 [转卖]进行直接盈利或[编辑后售卖]进行间接盈利)。
2、本站所有内容均由合作方或网友上传,本站不对文档的完整性、权威性及其观点立场正确性做任何保证或承诺!文档内容仅供研究参考,付费前请自行鉴别。
3、如文档内容存在违规,或者侵犯商业秘密、侵犯著作权等,请点击“违规举报”。

碎片内容

某郊区110kV变电站电气设计毕业设计

您可能关注的文档

确认删除?
VIP
微信客服
  • 扫码咨询
会员Q群
  • 会员专属群点击这里加入QQ群
客服邮箱
回到顶部