电脑桌面
添加小米粒文库到电脑桌面
安装后可以在桌面快捷访问

浙江省水路交通行政处罚裁量基准(航政)VIP免费

浙江省水路交通行政处罚裁量基准(航政)_第1页
1/7
浙江省水路交通行政处罚裁量基准(航政)_第2页
2/7
浙江省水路交通行政处罚裁量基准(航政)_第3页
3/7
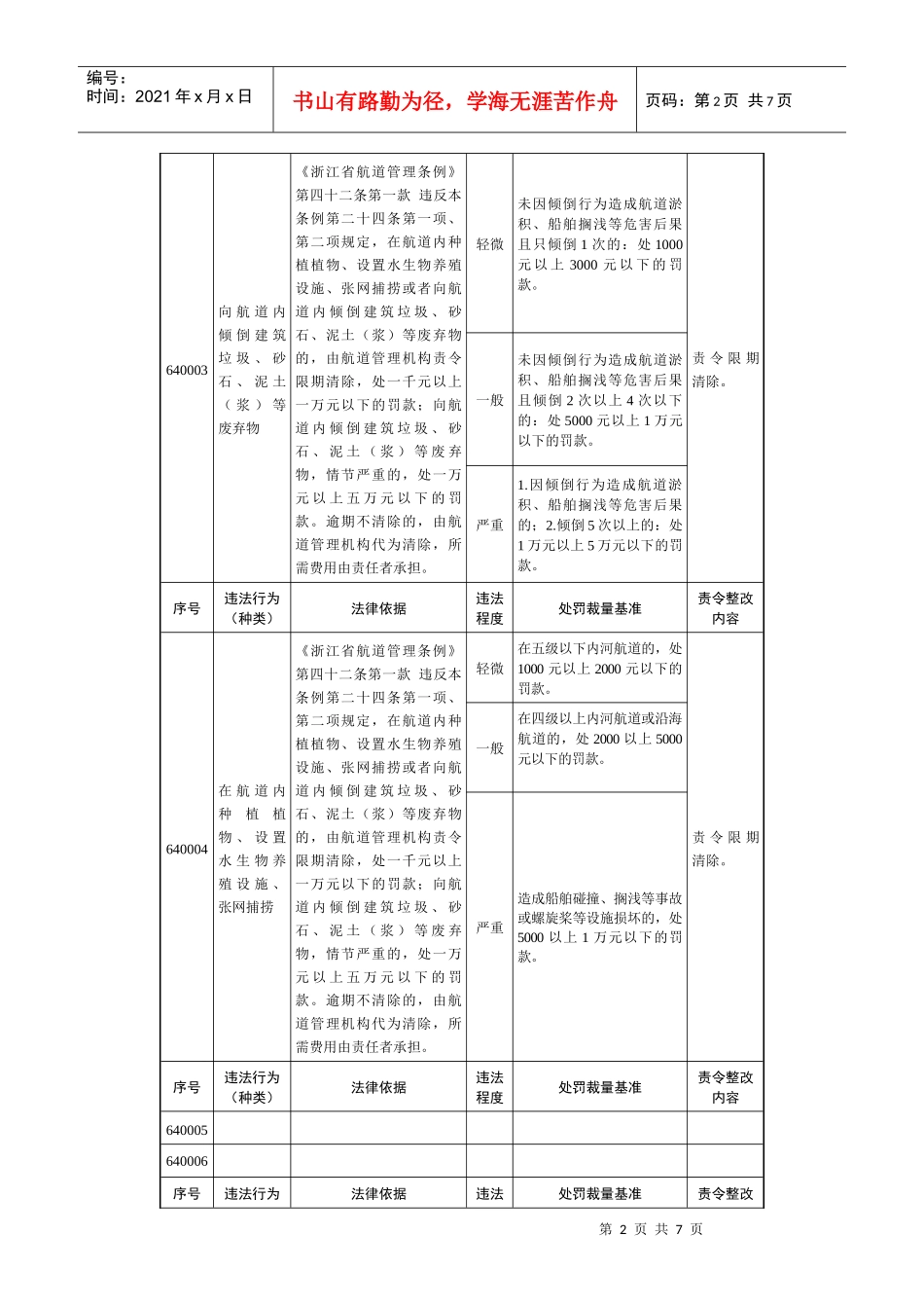
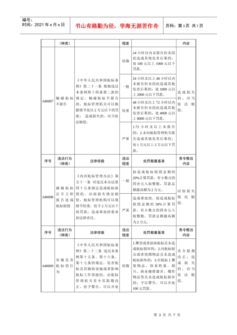
第1页共7页编号:时间:2021年x月x日书山有路勤为径,学海无涯苦作舟页码:第1页共7页浙江省水路交通行政处罚裁量基准航政序号违法行为(种类)法律依据违法程度处罚裁量基准责令整改内容640001未经航道管理机构同意修建拦、跨(穿)航道建筑物《浙江省航道管理条例》第四十三条第一款建设单位违反本条例第二十八条第一款、第三十一条第一款规定,未经航道管理机构同意修建拦、跨(穿)航道建筑物,或者未按照批准的技术要求修建拦、跨(穿)航道建筑物的,由航道管理机构处二万元以上二十万元以下的罚款;尚可采取改正措施的,责令限期改正;无法采取改正措施或者逾期不改正的,责令限期拆除。轻微未经许可在航道上修建涉航建筑物但符合航道规划、通航标准和技术规范的:处2万元罚款。尚可采取改正措施的,责令限期改正;无法采取改正措施或者逾期不改正的,责令限期拆除。一般未经许可修建渡槽、缆线、管道等跨(穿)航道建筑物且不符合航道规划、通航标准和技术规范的:处3万元以上10万元以下罚款。严重未经许可修建闸坝等拦航道建筑物或者修建桥梁、隧道等跨(穿)航道建筑物且不符合航道规划、通航标准和技术规范的:处10万元以上20万元以下罚款。序号违法行为(种类)法律依据违法程度处罚裁量基准责令整改内容640002未按照批准的技术要求修建拦、跨(穿)航道建筑物《浙江省航道管理条例》第四十三条第一款建设单位违反本条例第二十八条第一款、第三十一条第一款规定,未经航道管理机构同意修建拦、跨(穿)航道建筑物,或者未按照批准的技术要求修建拦、跨(穿)航道建筑物的,由航道管理机构处二万元以上二十万元以下的罚款;尚可采取改正措施的,责令限期改正;无法采取改正措施或者逾期不改正的,责令限期拆除。一般未按照批准的技术要求修建渡槽、缆线、管道等跨(穿)航道建筑物的:处3万元以上10元以下罚款。尚可采取改正措施的,责令限期改正;无法采取改正措施或者逾期不改正的,责令限期拆除。严重未按照批准的技术要求修建闸坝等拦航道建筑物或者修建桥梁、隧道等跨(穿)航道建筑物的:处10万元以上20万元以下罚款。序号违法行为(种类)法律依据违法程度处罚裁量基准责令整改内容第2页共7页第1页共7页编号:时间:2021年x月x日书山有路勤为径,学海无涯苦作舟页码:第2页共7页640003向航道内倾倒建筑垃圾、砂石、泥土(浆)等废弃物《浙江省航道管理条例》第四十二条第一款违反本条例第二十四条第一项、第二项规定,在航道内种植植物、设置水生物养殖设施、张网捕捞或者向航道内倾倒建筑垃圾、砂石、泥土(浆)等废弃物的,由航道管理机构责令限期清除,处一千元以上一万元以下的罚款;向航道内倾倒建筑垃圾、砂石、泥土(浆)等废弃物,情节严重的,处一万元以上五万元以下的罚款。逾期不清除的,由航道管理机构代为清除,所需费用由责任者承担。轻微未因倾倒行为造成航道淤积、船舶搁浅等危害后果且只倾倒1次的:处1000元以上3000元以下的罚款。责令限期清除。一般未因倾倒行为造成航道淤积、船舶搁浅等危害后果且倾倒2次以上4次以下的:处5000元以上1万元以下的罚款。严重1.因倾倒行为造成航道淤积、船舶搁浅等危害后果的;2.倾倒5次以上的:处1万元以上5万元以下的罚款。序号违法行为(种类)法律依据违法程度处罚裁量基准责令整改内容640004在航道内种植植物、设置水生物养殖设施、张网捕捞《浙江省航道管理条例》第四十二条第一款违反本条例第二十四条第一项、第二项规定,在航道内种植植物、设置水生物养殖设施、张网捕捞或者向航道内倾倒建筑垃圾、砂石、泥土(浆)等废弃物的,由航道管理机构责令限期清除,处一千元以上一万元以下的罚款;向航道内倾倒建筑垃圾、砂石、泥土(浆)等废弃物,情节严重的,处一万元以上五万元以下的罚款。逾期不清除的,由航道管理机构代为清除,所需费用由责任者承担。轻微在五级以下内河航道的,处1000元以上2000元以下的罚款。责令限期清除。一般在四级以上内河航道或沿海航道的,处2000以上5000元以下的罚款。严重造成船舶碰撞、搁浅等事故或螺旋桨等设施损坏的,处5000以上1万元以下的罚款。序号违法行为(种类)...

1、当您付费下载文档后,您只拥有了使用权限,并不意味着购买了版权,文档只能用于自身使用,不得用于其他商业用途(如 [转卖]进行直接盈利或[编辑后售卖]进行间接盈利)。
2、本站所有内容均由合作方或网友上传,本站不对文档的完整性、权威性及其观点立场正确性做任何保证或承诺!文档内容仅供研究参考,付费前请自行鉴别。
3、如文档内容存在违规,或者侵犯商业秘密、侵犯著作权等,请点击“违规举报”。

碎片内容

浙江省水路交通行政处罚裁量基准(航政)

您可能关注的文档

中小学文库+ 关注
实名认证
内容提供者

精品资料应用尽有

确认删除?
VIP
微信客服
  • 扫码咨询
会员Q群
  • 会员专属群点击这里加入QQ群
客服邮箱
回到顶部