电脑桌面
添加小米粒文库到电脑桌面
安装后可以在桌面快捷访问

机械工程师资格考试指导书(精编版)VIP免费

机械工程师资格考试指导书(精编版)_第1页
1/123
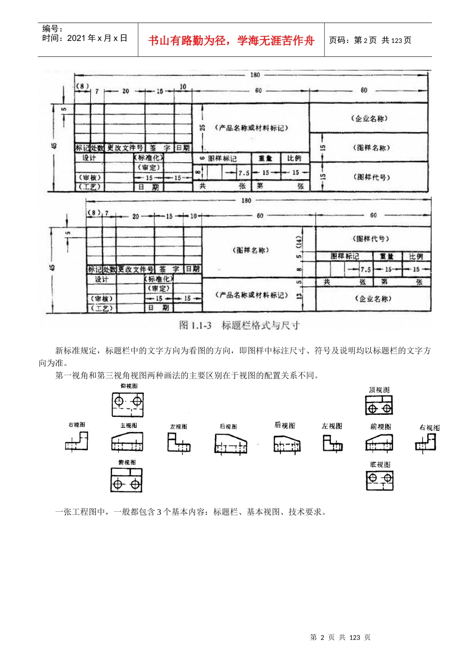
机械工程师资格考试指导书(精编版)_第2页
2/123
机械工程师资格考试指导书(精编版)_第3页
3/123
第1页共123页编号:时间:2021年x月x日书山有路勤为径,学海无涯苦作舟页码:第1页共123页第一部分工程制图与公差配合·工程图是设计工程师用以表达机械结构设计意图的语言和工具。它由制图标准规范和一些符号、画法规则组成。1.1工程制图的一般规定图框,即图纸的规格尺寸,由图纸是否需要装订和图纸幅面的5927小确定。优先采用的图纸幅面是:A0,A1,A2,A3,A4,A5.粗线宽度b应按图的大小和复杂程度,在0.5~2mm之间选择b的推荐系列为0.25、0.35、0.5、0.7、1、1.4、2mm。第2页共123页第1页共123页编号:时间:2021年x月x日书山有路勤为径,学海无涯苦作舟页码:第2页共123页新标准规定,标题栏中的文字方向为看图的方向,即图样中标注尺寸、符号及说明均以标题栏的文字方向为准。第一视角和第三视角视图两种画法的主要区别在于视图的配置关系不同。一张工程图中,一般都包含3个基本内容:标题栏、基本视图、技术要求。第3页共123页第2页共123页编号:时间:2021年x月x日书山有路勤为径,学海无涯苦作舟页码:第3页共123页1)零件图中,如剖面线为金属材料,剖面线画成45°平行线,而且在各视图中应方向一致、间隔相等。在装配图中,相邻两金属零件的剖面线方向相反或方向相同但间隔不同;还要注意在各视图中同一零件的剖面线方向仍相同。2)零件图中可用涂色代替剖面线,但标准中规定涂色仅能用于零件图而不可用于装配图。3)对于狭小面积的剖面,当在图中的宽度小于或等于2mm时,可以用涂黑代替剖面线。第4页共123页第3页共123页编号:时间:2021年x月x日书山有路勤为径,学海无涯苦作舟页码:第4页共123页1.2机械、液压、气动系统图的示意画法第5页共123页第4页共123页编号:时间:2021年x月x日书山有路勤为径,学海无涯苦作舟页码:第5页共123页能认识、绘制机械、液压、气动系统的原理图,并能运用原理图进行方案设计和分析。1.5尺寸、公差、配合与形位公差标注基孔制配合是基本偏差为一定的孔的公差带,选择改变轴的公差带获得所需配合(状态)的一种装配制度。基轴制配合是基本偏差为一定的轴的公差带,选择改变孔的公差带获得所需配合(状态)的另一种装配制度。根据GB/T1800.2-1998规定,标准公差采用国际标准公差代号IT表示。标准公差等级分为01,0,1,2,3,…,18共20级,分别标记为IT01,…,IT18.标准推荐,基孔制的间隙配合、轴的基本偏差用a,b,c,d,e,f,g,h;过渡配合用js,k,m,n;过盈配合用p,r,s,t,u,v,x,y,z。零件单一实际要素(指构成零件几何特征实际存在的点、线、面)形状所允许的变动全量称为形状公差。关联实际要素(指对其他要素有功能关系的实际要素)的位置对基准所允许的变动全量称为位置公差。形状和位置公差简称为形位公差。第6页共123页第5页共123页编号:时间:2021年x月x日书山有路勤为径,学海无涯苦作舟页码:第6页共123页第7页共123页第6页共123页编号:时间:2021年x月x日书山有路勤为径,学海无涯苦作舟页码:第7页共123页表而粗糙度指已加工表面波距在lmm以下的微观几何形状误差。表面粗糙度由加工过程中的残留面积塑性变形、积屑瘤、鳞刺以及工艺系统的高频振动等原因造成。同一表面粗糙度值Ry>Rz>Ra,且Ry值约为Ra值的8倍。一般表面粗糙度标注优先采用Ra值。尺寸链是在零件加工或机器装配过程中,由相互联接的尺寸形成的封闭尺寸组。按尺链的形成和应用场合,尺寸链可分为工艺尺寸链和装配尺寸链。在零件加工过程中,由同零件有关工序尺寸所形成的尺寸链,称为工艺尺寸链。在机器设计和装配过程中由有关零设计尺寸所形成的尺寸链,称为装配尺寸链。按尺寸链各环的几何特征和所处空间位置,尺寸链可分为直线尺寸链、角度尺寸链、面尺寸链和空间尺寸链。第二部分工程材料2.1金属材料金属材料的主要性能包括工艺性能和使用性能。工艺性能是指金属材料使用某种工艺方法进行加工的难易程度。使用性能是指金属材料在正常工作条件下所表现出来的力学性能、物理性能和化学性能。第8页共123页第7页共123页编号:时间:2021年x月x日书山有路勤为径,学海无涯苦作舟页码:第8页共123页力学性能是指材料在外力作用下表现出来...

1、当您付费下载文档后,您只拥有了使用权限,并不意味着购买了版权,文档只能用于自身使用,不得用于其他商业用途(如 [转卖]进行直接盈利或[编辑后售卖]进行间接盈利)。
2、本站所有内容均由合作方或网友上传,本站不对文档的完整性、权威性及其观点立场正确性做任何保证或承诺!文档内容仅供研究参考,付费前请自行鉴别。
3、如文档内容存在违规,或者侵犯商业秘密、侵犯著作权等,请点击“违规举报”。

碎片内容

机械工程师资格考试指导书(精编版)

中小学文库+ 关注
实名认证
内容提供者

精品资料应用尽有

确认删除?
VIP
微信客服
  • 扫码咨询
会员Q群
  • 会员专属群点击这里加入QQ群
客服邮箱
回到顶部