电脑桌面
添加小米粒文库到电脑桌面
安装后可以在桌面快捷访问

煤矿用采煤机橡套软电缆使用说明VIP免费

煤矿用采煤机橡套软电缆使用说明_第1页
1/96
煤矿用采煤机橡套软电缆使用说明_第2页
2/96
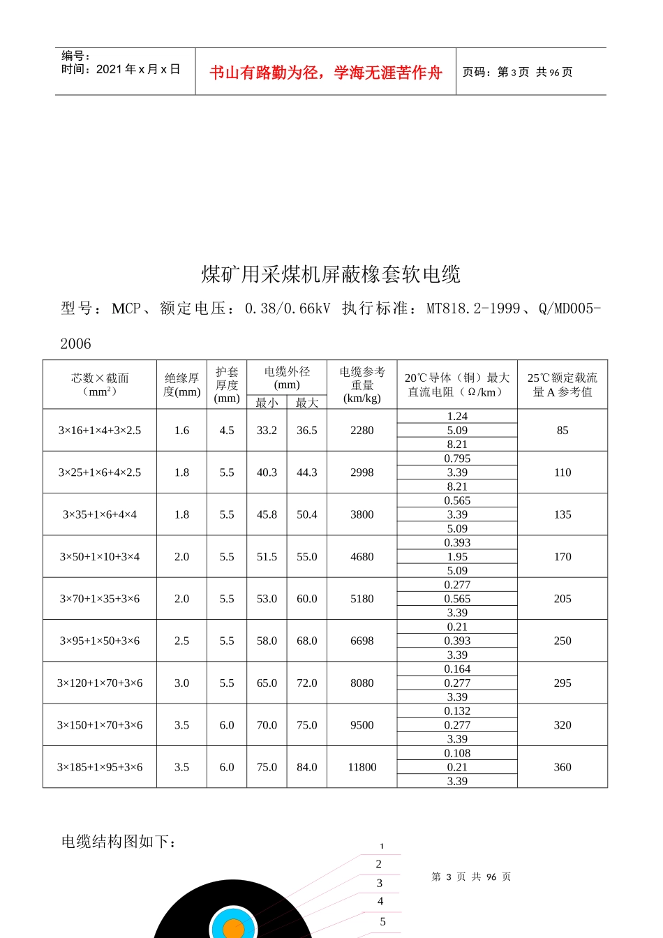
煤矿用采煤机橡套软电缆使用说明_第3页
3/96
第1页共96页143256编号:时间:2021年x月x日书山有路勤为径,学海无涯苦作舟页码:第1页共96页煤矿用采煤机橡套软电缆型号:MC、额定电压:0.38/0.66kV执行标准:MT818.2-1999、Q/MD005-2006芯数×截面(mm2)绝缘厚度(mm)护套厚度(mm)电缆外径(mm)电缆参考重量(km/kg)20℃导体(铜)最大直流电阻(Ω/km)25℃额定载流量A参考值最小最大3×16+1×4+3×2.51.64.531.334.421451.24855.098.213×25+1×6+4×2.51.85.538.441.028150.7951103.398.213×35+1×6+4×41.85.543.948.337000.5651353.395.093×50+1×10+3×42.05.547.751.045600.3931701.955.093×70+1×35+3×62.05.551.058.051210.2772050.5653.393×95+1×50+3×62.55.556.566.065000.212500.3933.393×120+1×70+3×63.05.564.070.080800.1642950.2773.393×150+1×70+3×63.56.069.076.095000.1323200.2773.393×185+1×95+3×63.56.073.082.0112400.1083600.213.39电缆结构图如下:第2页共96页第1页共96页编号:时间:2021年x月x日书山有路勤为径,学海无涯苦作舟页码:第2页共96页1.动力线芯导体2.绝缘3.地线芯导体4.控制线芯导体5.控制线芯绝缘6.护套煤矿用采煤机橡套软电缆使用说明一、1、使用范围:适用于额定电压u0/u为0.38/0.66kV采煤机及类似设备用的铜芯橡皮护套软电缆2、用途:额定电压为0.38/0.66kV采煤机及类似设备的电源连接二、产品使用条件:1、额定电压uo/u0.38/0.66kV2、电缆导体的长期允许工作温度为65℃3、电缆的最小弯曲半径为电缆直径的6倍三、电缆的使用及其注意事项:1、在安装电缆前首先检查产品是否跟设备所配备的型号规格相一致,是否能满足生产的正常需要,安装时必须注意将绝缘层表面处理干净。2、用电缆时,机电工应严格按规定进行操作和安装,在运行过程中时刻对电缆的运行情况进行检测,并将检查的结果予以记录,防止电缆在运行中受到外力的损伤或其他原因造成的电缆短路、断路。3、停机以后,对电缆进行全面的检查,发行问题及时处理。第3页共96页第2页共96页5342编号:时间:2021年x月x日书山有路勤为径,学海无涯苦作舟页码:第3页共96页煤矿用采煤机屏蔽橡套软电缆型号:MCP、额定电压:0.38/0.66kV执行标准:MT818.2-1999、Q/MD005-2006芯数×截面(mm2)绝缘厚度(mm)护套厚度(mm)电缆外径(mm)电缆参考重量(km/kg)20℃导体(铜)最大直流电阻(Ω/km)25℃额定载流量A参考值最小最大3×16+1×4+3×2.51.64.533.236.522801.24855.098.213×25+1×6+4×2.51.85.540.344.329980.7951103.398.213×35+1×6+4×41.85.545.850.438000.5651353.395.093×50+1×10+3×42.05.551.555.046800.3931701.955.093×70+1×35+3×62.05.553.060.051800.2772050.5653.393×95+1×50+3×62.55.558.068.066980.212500.3933.393×120+1×70+3×63.05.565.072.080800.1642950.2773.393×150+1×70+3×63.56.070.075.095000.1323200.2773.393×185+1×95+3×63.56.075.084.0118000.1083600.213.39电缆结构图如下:1第4页共96页第3页共96页编号:时间:2021年x月x日书山有路勤为径,学海无涯苦作舟页码:第4页共96页1.动力线芯导体2.动力线芯绝缘3.绝缘屏蔽4.地线芯导体5.控制线芯导体6.控制线芯绝缘7.护套煤矿用采煤机屏蔽橡套软电缆使用说明一、1、使用范围:适用于额定电压u0/u为0.38/0.66kV采煤机及类似设备用的铜芯橡皮护套软电缆2、用途:额定电压为0.38/0.66kV采煤机及类似设备的电源连接二、产品使用条件:1、额定电压uo/u0.38/0.66kV2、电缆导体的长期允许工作温度为65℃3、电缆的最小弯曲半径为电缆直径的6倍三、电缆的使用及其注意事项1、在安装电缆前首先检查产品是否跟设备所配备的型号规格相一致,是否能满足生产的正常需要,安装时必须注意将绝缘屏蔽表面层处理干净。2、用电缆时,机电工应严格按规定进行操作和安装,在运行过程中时刻对电缆的运行情况进行检测,并将检查的结果予以记录,防止电缆在运行中受到外力的损伤或其他原因造成的电缆短路、断路。3、停机以后,对电缆进行全面的检查,发行问题及时处理。第5页共96页第4页共96页编号:时间:2021年x月x日书山有路勤为径,学海无涯...

1、当您付费下载文档后,您只拥有了使用权限,并不意味着购买了版权,文档只能用于自身使用,不得用于其他商业用途(如 [转卖]进行直接盈利或[编辑后售卖]进行间接盈利)。
2、本站所有内容均由合作方或网友上传,本站不对文档的完整性、权威性及其观点立场正确性做任何保证或承诺!文档内容仅供研究参考,付费前请自行鉴别。
3、如文档内容存在违规,或者侵犯商业秘密、侵犯著作权等,请点击“违规举报”。

碎片内容

煤矿用采煤机橡套软电缆使用说明

确认删除?
VIP
微信客服
  • 扫码咨询
会员Q群
  • 会员专属群点击这里加入QQ群
客服邮箱
回到顶部