电脑桌面
添加小米粒文库到电脑桌面
安装后可以在桌面快捷访问

涂料防水工程施工工艺标准VIP专享VIP免费

涂料防水工程施工工艺标准_第1页
1/7
涂料防水工程施工工艺标准_第2页
2/7
涂料防水工程施工工艺标准_第3页
3/7
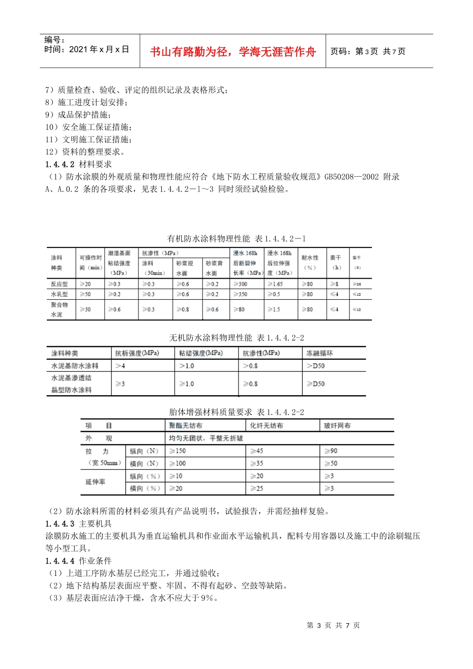
第1页共7页编号:时间:2021年x月x日书山有路勤为径,学海无涯苦作舟页码:第1页共7页1.4涂料防水工程施工工艺标准1.4.1总则1.4.1.1适用范围适用于受侵蚀性介质或振动作用的地下工程主体迎水面或背水面涂涮的涂料防水层。1.4.1.2编制参考标准及规范(l)《地下防水工程质量验收规范》GB50208—2002(2)《建筑工程施工质量验收统一标准》GB50300—2001(3)地下工程防水技术规范》GB50108—20011.4.2术语、符号1.4.2.1术语(1)涂料防水:在基层上涂刷有机或无机防水涂料,经固化后形成有一定厚度的弹性具有防水能力的防水层涂膜。(2)有机防水涂料:主要包括反应型防水涂料、水乳型防水材料和聚合物水泥型防水涂料,固化后形成柔性防水层,用于主体结构的迎水面作防水层。(3)水乳型防水涂料:水乳型防水涂料是一类以水为溶剂的挥发固化型有机防水涂料。(4)反应型防水涂料:双组分或多组分材料,按规定比例混合配制,涂刷后各组分发生交联反应,固化成膜的防水涂料,如聚氨酯防水涂料。(5)聚合物水泥防水涂料;以高分子聚合物为主要基料,加入少量无机活性粉料(如水泥、石英砂等)制成的水凝固型涂料。(6)无机防水涂料:包括水泥基、水泥渗漏结晶型防水涂料,在水泥中掺有一定数量的无机活性材料的涂料,可改善水泥固化后的物理力学性能。可用于主体结构的迎水面或背水面作防水层。此类涂料不适用于变形较大或受振动部位。(7)一道防水设防:具有单独防水能力的一道防水层。(8)胎体增强材料:聚酯无纺布、化纤无纺布或玻纤无防布等纤维材料,在两层涂膜之间铺贴用以提高涂膜的抗拉强度和改善其延伸率,使涂膜具有较好的力学性能。(9)耐水性:是指防水涂料在浸水168h后,材料的粘结强度及砂浆抗渗性的保持率(即与浸水前的比率)。1.4.3基本规定1.4.3.1地下工程的防水等级分为4级,各级标准应符合表1.4.3.1的规定,涂料防水适用于防水等级1、2、3级的明挖法地下工程防水设防。地下工程防水等级标准表1.4.3.1第2页共7页第1页共7页编号:时间:2021年x月x日书山有路勤为径,学海无涯苦作舟页码:第2页共7页1.4.3.2涂料防水层应采用反应型、水乳型、聚合物水泥防水涂料,或水泥基、水泥基渗透结晶型防水涂料。其厚度应根据防水等级按表1.4.3.2选用。防水涂料厚度(mm)表1.4.3.21.4.3.3涂料防水层所用的材料必须配套使用,所有材料均应有产品合格证书,性能检测报告,材料的品种、规格、性能等应符合国家现行标准和设计要求。1.4.3.4防水涂料为多组分材料时,配料应按配合比规定准确计量、搅拌均匀,每次配料量必须保证在规定的可操作时间内涂刷完毕,以免固化失效。1.4.3.5防水涂料施工完毕并经验收合格后,应及时做保护层。保护层应符合下列规定:(1)顶板的细石混凝土保护层与防水层之间应设隔离层。(1)底板的细石混凝土厚度应大于30mm。(3)侧墙宜采用聚乙烯泡沫塑料层或多或少聚苯乙烯泡沫塑料保护层,或砖砌保护墙边砌边填实和铺抹30mm厚水泥砂浆。1.4.4施工准备1.4.4.1技术准备(1)熟悉设计图纸及验收规范,掌握涂膜防水的具体设计和构造要求。(2)编制涂膜防水工程分项施工方案、作业指导书。其内容应包含:1)人员、物资、机具、材料的组织计划;2)与其他分项工程的搭接、交叉、配合;3)原材料的规格、型号、质量要求、检验方法;4)质量目标及质量保证措施;5)施工工艺流程及施工工艺中的技术要点;6)本分项工程验收标准;第3页共7页第2页共7页编号:时间:2021年x月x日书山有路勤为径,学海无涯苦作舟页码:第3页共7页7)质量检查、验收、评定的组织记录及表格形式;8)施工进度计划安排;9)成品保护措施;10)安全施工保证措施;11)文明施工保证措施;12)资料的整理要求。1.4.4.2材料要求(1)防水涂膜的外观质量和物理性能应符合《地下防水工程质量验收规范》GB50208—2002附录A、A.0.2条的各项要求,见表1.4.4.2-l~3同时须经试验检验。有机防水涂料物理性能表1.4.4.2-l无机防水涂料物理性能表1.4.4.2-2胎体增强材料质量要求表1.4.4.2-2(2)防水涂料所需的材料必须具有产品说明书,试验报告,并需经抽样复验。1.4.4.3主要机具涂膜防水施...

1、当您付费下载文档后,您只拥有了使用权限,并不意味着购买了版权,文档只能用于自身使用,不得用于其他商业用途(如 [转卖]进行直接盈利或[编辑后售卖]进行间接盈利)。
2、本站所有内容均由合作方或网友上传,本站不对文档的完整性、权威性及其观点立场正确性做任何保证或承诺!文档内容仅供研究参考,付费前请自行鉴别。
3、如文档内容存在违规,或者侵犯商业秘密、侵犯著作权等,请点击“违规举报”。

碎片内容

涂料防水工程施工工艺标准

确认删除?
VIP
微信客服
  • 扫码咨询
会员Q群
  • 会员专属群点击这里加入QQ群
客服邮箱
回到顶部