电脑桌面
添加小米粒文库到电脑桌面
安装后可以在桌面快捷访问

水利水工金属结构新安装表VIP免费

水利水工金属结构新安装表_第1页
1/46
水利水工金属结构新安装表_第2页
2/46
水利水工金属结构新安装表_第3页
3/46
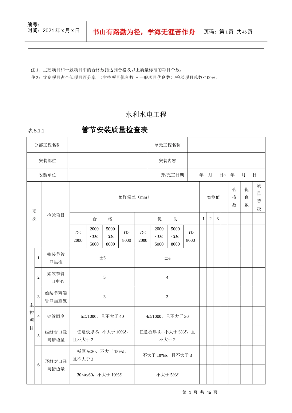
水利水电工程表5.1压力钢管单元工程安装质量验收评定表单位工程名称单元工程量分部工程名称安装单位单元工程名称、部位评定日期年月日项次项目主控项目(个)一般项目(个)合格数其中优良数合格数其中优良数1管节安装(见表5.1.1)2焊缝外观质量(见表5.1.2)3焊缝内部质量(见表5.1.3)4表面防腐蚀安装(见表5.1.4)试运行效果____质量标准(见附表A.0.2-2)安装单位自评意见各项试验和单元工程试运行符合要求,各项报验资料符合规定。检验项目全部合格。检验项目优良率为____,其中主控项目优良率为____,单元工程安装质量验收评定等级为____。(签字,加盖公章)年月日监理单位意见各项试验和单元工程试运行符合要求,各项报验资料符合规定。检验项目全部合格。检验项目优良率为____,其中主控项目优良率为____,单元工程安装质量验收评定等级为____。(签字,加盖公章)年月日第1页共46页编号:时间:2021年x月x日书山有路勤为径,学海无涯苦作舟页码:第1页共46页注1:主控项目和一般项目中的合格数指达到合格及以上质量标准的项目个数。住2:优良项目占全部项目百分率=(主控项目优良数+一般项目优良数)/检验项目总数×100%。水利水电工程表5.1.1管节安装质量检查表分部工程名称单元工程名称安装部位安装内容安装单位开/完工日期年月日~年月日项次检验项目允许偏差(mm)实测值合格数优良数质量等级合格优良123D≤200020008000D≤200020008000主控项目1始装节管口里程±5±42始装节管口中心543始装节两端管口垂直度334钢管圆度5D/1000,且不大于404D/1000,且不大于305纵缝对口径向错边量任意板厚δ,不大于10%δ,且不大于2任意板厚δ,不大于5%δ,且不大于26环缝对口径向错边量板厚δ≤30,不大于15%δ,且不大于3不大于10%δ,且不大于330<δ≤60,不大于10%δ不大于5%δ第2页共46页第1页共46页编号:时间:2021年x月x日书山有路勤为径,学海无涯苦作舟页码:第2页共46页δ>6,0不大于,10%δ不大于6不锈钢复合板焊缝任意板厚δ,不大于10%δ,且不大于1.5不锈钢复合板焊缝任意板厚δ,不大于5%δ,且不大于1.5一般项目1与蜗壳、伸缩节、蝴蝶阀、球阀、岔管连接的管节及弯管起点的管口中心610121261012122其他部位管节的管口中心15202530101520253鞍式支座和样板间隙不大于2项次检验项目允许偏差(mm)实测值合格数优良数质量等级合格优良123D≤200020008000D≤200020008000主控项目4滚动支座或摇摆支座的支墩垫板高程和纵、横中心±5±45支墩垫板与钢管设计轴线的倾斜度不大于2/10006各接触面的局部间隙(滚动支座和摇摆支座)不大于0.5第3页共46页第2页共46页编号:时间:2021年x月x日书山有路勤为径,学海无涯苦作舟页码:第3页共46页检查意见:主控项目共____项,其中合格____项,优良____项,合格率____,优良率____%。一般项目共____项,其中合格____项,优良____项,合格率____,优良率____%。测量人年月日安装单位评定人年月日监理工程师年月日注:D为钢管内径,单位水利水电工程表5.1.2焊缝外观质量检查表分部工程名称单元工程名称安装部位安装内容安装单位开/完工日期年月日~年月日项次检验项目允许偏差(mm)实测值(mm)合格数优良数质量等级合格优良123…主控项目1裂纹不允许2表面夹渣一类、二类焊缝:不允许;三类焊缝:深不大于0.1δ,长不大于0.3δ,且不大于10第4页共46页第3页共46页编号:时间:2021年x月x日书山有路勤为径,学海无涯苦作舟页码:第4页共46页3咬边钢管一类、二类焊缝:深不大于0.5;三类焊缝:深不大于1钢闸门一类、二类焊缝:深不大于0.5;连续咬边长度不大于焊缝总长的10%,且不大于100;两侧咬边累计长度不大于该焊缝总长的15%;角焊缝不大于20%;三类焊缝深不大于14表面气孔钢管一类、二类焊缝不允许,三类焊缝:每米范围内允许直径小于1.5的气孔5个,间距不小于20不允许钢闸门一类焊缝不允许二类焊缝:直径不大于1.0mm气孔每米范围内允许3个,间距不小于20三类焊缝:直径不大于1.5mm气孔每米范围内允许5个,间距不小于205未焊满一、...

1、当您付费下载文档后,您只拥有了使用权限,并不意味着购买了版权,文档只能用于自身使用,不得用于其他商业用途(如 [转卖]进行直接盈利或[编辑后售卖]进行间接盈利)。
2、本站所有内容均由合作方或网友上传,本站不对文档的完整性、权威性及其观点立场正确性做任何保证或承诺!文档内容仅供研究参考,付费前请自行鉴别。
3、如文档内容存在违规,或者侵犯商业秘密、侵犯著作权等,请点击“违规举报”。

碎片内容

水利水工金属结构新安装表

您可能关注的文档

确认删除?
VIP
微信客服
  • 扫码咨询
会员Q群
  • 会员专属群点击这里加入QQ群
客服邮箱
回到顶部