电脑桌面
添加小米粒文库到电脑桌面
安装后可以在桌面快捷访问

机械工业企业质量管理必备条件VIP免费

机械工业企业质量管理必备条件_第1页
1/15
机械工业企业质量管理必备条件_第2页
2/15
机械工业企业质量管理必备条件_第3页
3/15
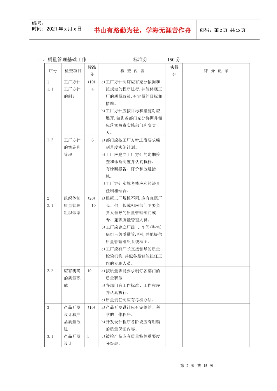
机械工业企业质量管理必备条件验收细则工厂条件验收评分记录年月第1页共15页编号:时间:2021年x月x日书山有路勤为径,学海无涯苦作舟页码:第1页共15页一、本细则是在总结机械工业执行《机械工业企业全面质量管理验收细则》和《颁发机床工具出口产品质量许可证考核办法》的经验基础上制订的。二、本细则适用于机械工业企业申请产品质量等级评定,评选优质产品,颁发生产许可证和出口产品质量许可证的工厂条件的考核。各项考核具体分值要求如下:1)优等品(国优产品)工厂考核总分值在450分以上。(其中第一项2、4、5、6条、第二、第三项必须达到标准分的90%)2)一等品(部优产品,出口质量许可证)总分值在400分以上。(其中第一项2、4、5、6条、第二项、第三项必须达到标准分的80%)3)合格品(生产许可证)总分值在380分以上。(其中第一项2、4、5、6条、第二项、第三项必须达到标准分的80%)三、必备条件验收细则评分办法按质量管理基础工作(150分),技术文件(110分)、设备、工装及检测器具(110分),文明生产与均衡生产(80分),人员素质(50分)进行考核。评分采用扣分办法每项分数扣完为止,不给负分。四、必备条件验收结果有效期为一年。在有效期内,上级主管部门检查结果对下级有效,高等级产品的检查结果对低等级产品有效、不同类型的检查可以结合起来进行,出口质量许可证要由当地商检局封样及工厂条件验收要有当地商检局参加。五、下列任何条件之一,如达不到要求,对本细则的验收结果有否决权。1)交检产品质量不合格或达不到相应规定的要求;2)企业在近期发生了重大质量事故或安全事故;3)本细则第一项第2、4、5、6条;第二项;第三项中,有任何一项或条达不到要求值。第2页共15页第1页共15页编号:时间:2021年x月x日书山有路勤为径,学海无涯苦作舟页码:第2页共15页一、质量管理基础工作标准分150分序号检查项目标准分检查内容实得分评分记录11.11.2工厂方针工厂方针的制订(10)4a)工厂方针制订应有充分依据和按规定的程序进行,并能体现工厂的质量政策,有定量的目标和措施。b)工厂方针应按目标和措施对应展开,做到各部门充分协调并相应落实负责实施部门和负责人。工厂方针的实施和管理6a)部门应按工厂方针进度要求编制月度实施计划。b)工厂应建立工厂方针的定期检查和诊断制度并认真执行。有诊断报告、评价和改进措施。c)工厂方针实施考核应和经济责任制相结合。22.12.2组织体制质量管理组织体系(20)10a)根据工厂规模不同,应有直属厂长、付厂长或相应部门主要负责人领导的质量管理部门或专、兼职质量管理人员。b)工厂应建立厂级、车间(科室)班组三级质量管理网,并能提供质量管理组织系统框图。c)工厂应有厂长直接领导的质量检验机构,并配备足够能担任工作的专职人员。应有明确的质量职能10a)按质量职能要求制订各部门的质量职能b)各部门有工作标准、工作程序并认真执行。c)质量责任制应有考核办法。33.1产品开发设计和产品质量改进产品开发设计(10)5a)产品开发设计应有完整的、科学的工作程序。b)开发设计程序各阶段应有明确的质量保证内容。c)被检产品应有质量特性重要度分级表。第3页共15页第2页共15页编号:时间:2021年x月x日书山有路勤为径,学海无涯苦作舟页码:第3页共15页3.2产品质量改进5a)应有产品质量改进计划和实施总结。b)应有产品质量改进计划的管理制度。序号检查项目标准分检查内容实得分评分记录44.1生产技术准备和制造产品标准和内控质量指标(60)5工厂必须执行上级主管部门批准的产品标准。优等品、一等品应执行高于现行标准的内控质量指标。4.24.3设备工装和检测器具的管理5a)应制订设备工装和检测设备(器具)的管理制度。(包括定期检测的规定}b)随机抽查设备,工装、检测设备(器具)各三台,检查验收规则,操作规程(含自制设备)c)检查工厂设备和工装完好率,检查前期数据和统计资料。(优等品完好率90%,一等品、合格品完好率85%)d)质量控制点上的设备,工装和检测器具应有日常的点检制度,并按控制点要求建立周期点检卡。e)根据管理制度要求,随机抽查设备,工装和检测器具各三台,检查执行情况。第4页共15页第3页共15页编号:...

1、当您付费下载文档后,您只拥有了使用权限,并不意味着购买了版权,文档只能用于自身使用,不得用于其他商业用途(如 [转卖]进行直接盈利或[编辑后售卖]进行间接盈利)。
2、本站所有内容均由合作方或网友上传,本站不对文档的完整性、权威性及其观点立场正确性做任何保证或承诺!文档内容仅供研究参考,付费前请自行鉴别。
3、如文档内容存在违规,或者侵犯商业秘密、侵犯著作权等,请点击“违规举报”。

碎片内容

机械工业企业质量管理必备条件

中小学文库+ 关注
实名认证
内容提供者

精品资料应用尽有

确认删除?
VIP
微信客服
  • 扫码咨询
会员Q群
  • 会员专属群点击这里加入QQ群
客服邮箱
回到顶部