电脑桌面
添加小米粒文库到电脑桌面
安装后可以在桌面快捷访问

桩基工程施工组织设计方案VIP免费

桩基工程施工组织设计方案_第1页
1/71
桩基工程施工组织设计方案_第2页
2/71
桩基工程施工组织设计方案_第3页
3/71
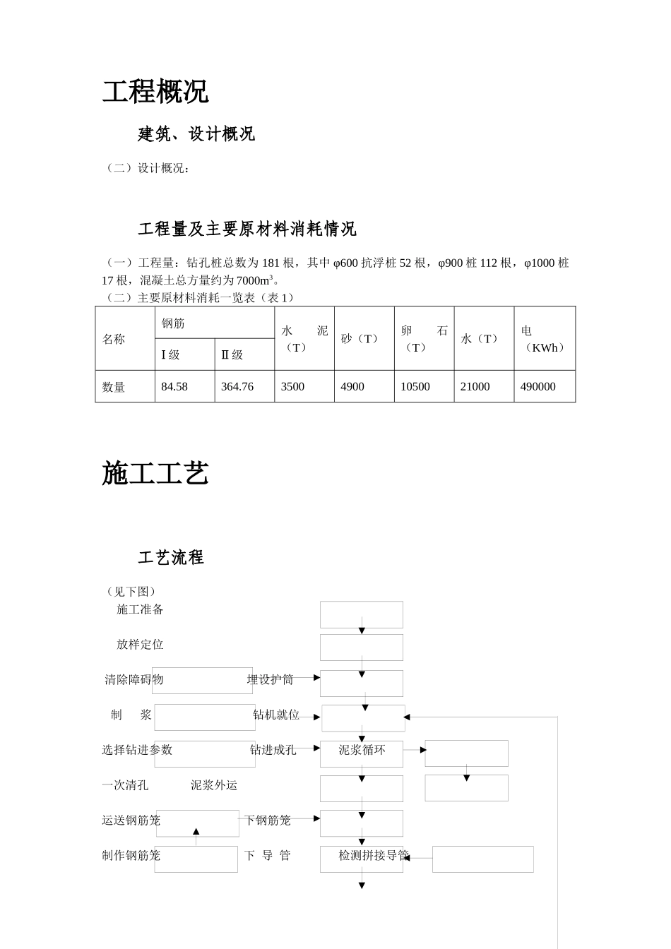
目录第一章工程概况................................................................5第1节建筑、设计概况.......................................................5第2节场址工程地质条件.....................................................6第3节工程量及主要原材料消耗情况...........................................6第二章施工工艺................................................................7第1节工艺流程.............................................................7第2节施工方法.............................................................9第3节试成孔内容..........................................................171、准备工作..........................................................................................................172、成孔全过程......................................................................................................17第三章质量目标、质量控制及保证措施...........................................18第1节质量目标:合格......................................................18第2节质量控制及保证措施..................................................181、质量控制手段..................................................................................................182、质量管理制度..................................................................................................223、质量通病控制手段..........................................................................................244、针对性质量控制措施......................................................................................28第四章施工组织部署及安全文明措施.............................................31第1节施工组织部署........................................................311、施工总部署......................................................................................................322、现场总平面布置..............................................................................................33第2节安全文明施工措施....................................................331、健全安全管理保证体系..................................................................................332、完善安全生产责任制......................................................................................353、目标管理..........................................................................................................35第3节文明施工措施........................................................37第4节工地管理制度........................................................40第五章施工进度计划与工期保证措施.............................................42第1节目标工期:80日历天.................................................42第2节施工进度计划及形象进度控制..........................................431、施工准备..........................................................................................................432、钻孔桩施工......................................................................................................433、施工进度安排..................................................................................................44第3节工期保证措施........................................................451、组织措施..........................................................................................................452、配合措施..............................................................................

1、当您付费下载文档后,您只拥有了使用权限,并不意味着购买了版权,文档只能用于自身使用,不得用于其他商业用途(如 [转卖]进行直接盈利或[编辑后售卖]进行间接盈利)。
2、本站所有内容均由合作方或网友上传,本站不对文档的完整性、权威性及其观点立场正确性做任何保证或承诺!文档内容仅供研究参考,付费前请自行鉴别。
3、如文档内容存在违规,或者侵犯商业秘密、侵犯著作权等,请点击“违规举报”。

碎片内容

桩基工程施工组织设计方案

确认删除?
VIP
微信客服
  • 扫码咨询
会员Q群
  • 会员专属群点击这里加入QQ群
客服邮箱
回到顶部