电脑桌面
添加小米粒文库到电脑桌面
安装后可以在桌面快捷访问

服装企业安全标准化标准(DOC39页)VIP免费

服装企业安全标准化标准(DOC39页)_第1页
1/40
服装企业安全标准化标准(DOC39页)_第2页
2/40
服装企业安全标准化标准(DOC39页)_第3页
3/40
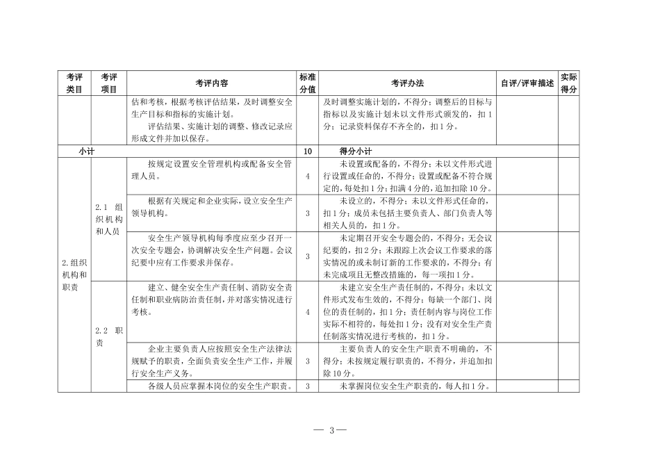
服装生产企业安全生产标准化评定标准考评说明1.本评定标准适用于适用于以面料为主要原料,进行裁剪、缝制等加工后生产服装、服饰的生产企业,皮革、毛皮服装生产企业参照执行。2.本评定标准共13项考评类目、48项考评项目和142条考评内容。3.在本评定标准的“自评/评审描述”列中,企业及评审单位应根据“考评内容”和“考评办法”的有关要求,针对企业实际情况,如实进行扣分点说明、描述,并在《自评扣分点及原因说明汇总表》(见附表)中逐条列出。4.本评定标准中累计扣分的,直到该考评内容分数扣完为止,不得出现负分。有需要追加扣分的,在该考评类目内进行扣分,也不得出现负分。5.本评定标准共计1000分。最终评审评分换算成百分制,换算公式如下:最后得分采用四舍五入,取小数点后一位数。7.标准化等级分为一级、二级和三级,一级为最高。评定所对应的等级须同时满足评审评分和安全绩效等要求,取最低的等级来确定标准化等级(见下表)。评定等级评审评分安全绩效一级≥90申请评审前一年内未发生两起以上的轻伤事故。二级≥75申请评审前一年内未发生人员重伤的生产安全事故。三级≥60申请评审前一年内发生生产安全事故死亡事故。—1—附表1服装企业安全生产标准化评定标准自评/评审单位:自评/评审时间:从年月日到年月日自评/评审组组长:自评/评审组主要成员:考评类目考评项目考评内容标准分值考评办法自评/评审描述实际得分1.安全生产目标1.1目标建立安全生产目标的管理制度,明确目标与指标的制定、分解、实施、考核等环节内容。2无该项制度的,不得分;未以文件形式发布生效的,不得分;安全生产目标管理制度缺少制定、分解、实施、绩效考核等任一环节内容的,扣1分;未能明确相应环节的责任部门或责任人相应责任的,扣1分。按照安全生产目标管理制度的规定,制定文件化的年度安全生产目标与指标。2无年度安全生产目标与指标的,不得分;安全生产目标与指标未以企业正式文件发布的,不得分。1.2监测与考核根据所属基层单位和部门在安全生产中的职能,分解年度安全生产目标与指标,并制定实施计划和考核办法。2无年度安全生产目标与指标分解的,不得分;无实施计划或考核办法的,不得分;实施计划无针对性的,不得分;每缺一个基层单位和职能部门的指标实施计划或考核办法的,扣1分。按照制度规定,对安全生产目标和指标实施计划的执行情况进行监测,并保存有关监测记录资料。2无安全目标与指标实施情况的检查或监测记录的,不得分;检查和监测不符合制度规定的,扣1分;检查和监测资料不齐全的,扣1分。定期对安全生产目标的完成效果进行评2未定期进行效果评估和考核的,不得分;未—2—考评类目考评项目考评内容标准分值考评办法自评/评审描述实际得分估和考核,根据考核评估结果,及时调整安全生产目标和指标的实施计划。评估结果、实施计划的调整、修改记录应形成文件并加以保存。及时调整实施计划的,不得分;调整后的目标与指标以及实施计划未以文件形式颁发的,扣1分;记录资料保存不齐全的,扣1分。小计10得分小计2.组织机构和职责2.1组织机构和人员按规定设置安全管理机构或配备安全管理人员。4未设置或配备的,不得分;未以文件形式进行设置或任命的,不得分;设置或配备不符合规定的,每处扣1分;扣满4分的,追加扣除10分。根据有关规定和企业实际,设立安全生产领导机构。3未设立的,不得分;未以文件形式任命的,扣1分;成员未包括主要负责人、部门负责人等相关人员的,扣1分。安全生产领导机构每季度应至少召开一次安全专题会,协调解决安全生产问题。会议纪要中应有工作要求并保存。3未定期召开安全专题会的,不得分;无会议纪要的,扣2分;未跟踪上次会议工作要求的落实情况的或未制订新的工作要求的,不得分;有未完成项且无整改措施的,每一项扣1分。2.2职责建立、健全安全生产责任制、消防安全责任制和职业病防治责任制,并对落实情况进行考核。4未建立安全生产责任制的,不得分;未以文件形式发布生效的,不得分;每缺一个部门、岗位的责任制的,扣1分;责任制内容与岗位工作实际不相符的,每处扣1分;没有对安全生产责任制落实情况进行考核的,...

1、当您付费下载文档后,您只拥有了使用权限,并不意味着购买了版权,文档只能用于自身使用,不得用于其他商业用途(如 [转卖]进行直接盈利或[编辑后售卖]进行间接盈利)。
2、本站所有内容均由合作方或网友上传,本站不对文档的完整性、权威性及其观点立场正确性做任何保证或承诺!文档内容仅供研究参考,付费前请自行鉴别。
3、如文档内容存在违规,或者侵犯商业秘密、侵犯著作权等,请点击“违规举报”。

碎片内容

服装企业安全标准化标准(DOC39页)

您可能关注的文档

确认删除?
VIP
微信客服
  • 扫码咨询
会员Q群
  • 会员专属群点击这里加入QQ群
客服邮箱
回到顶部