电脑桌面
添加小米粒文库到电脑桌面
安装后可以在桌面快捷访问

某市定向钻过江煤气管道工程施工组织设计方案(DOC100页)VIP免费

某市定向钻过江煤气管道工程施工组织设计方案(DOC100页)_第1页
1/128
某市定向钻过江煤气管道工程施工组织设计方案(DOC100页)_第2页
2/128
某市定向钻过江煤气管道工程施工组织设计方案(DOC100页)_第3页
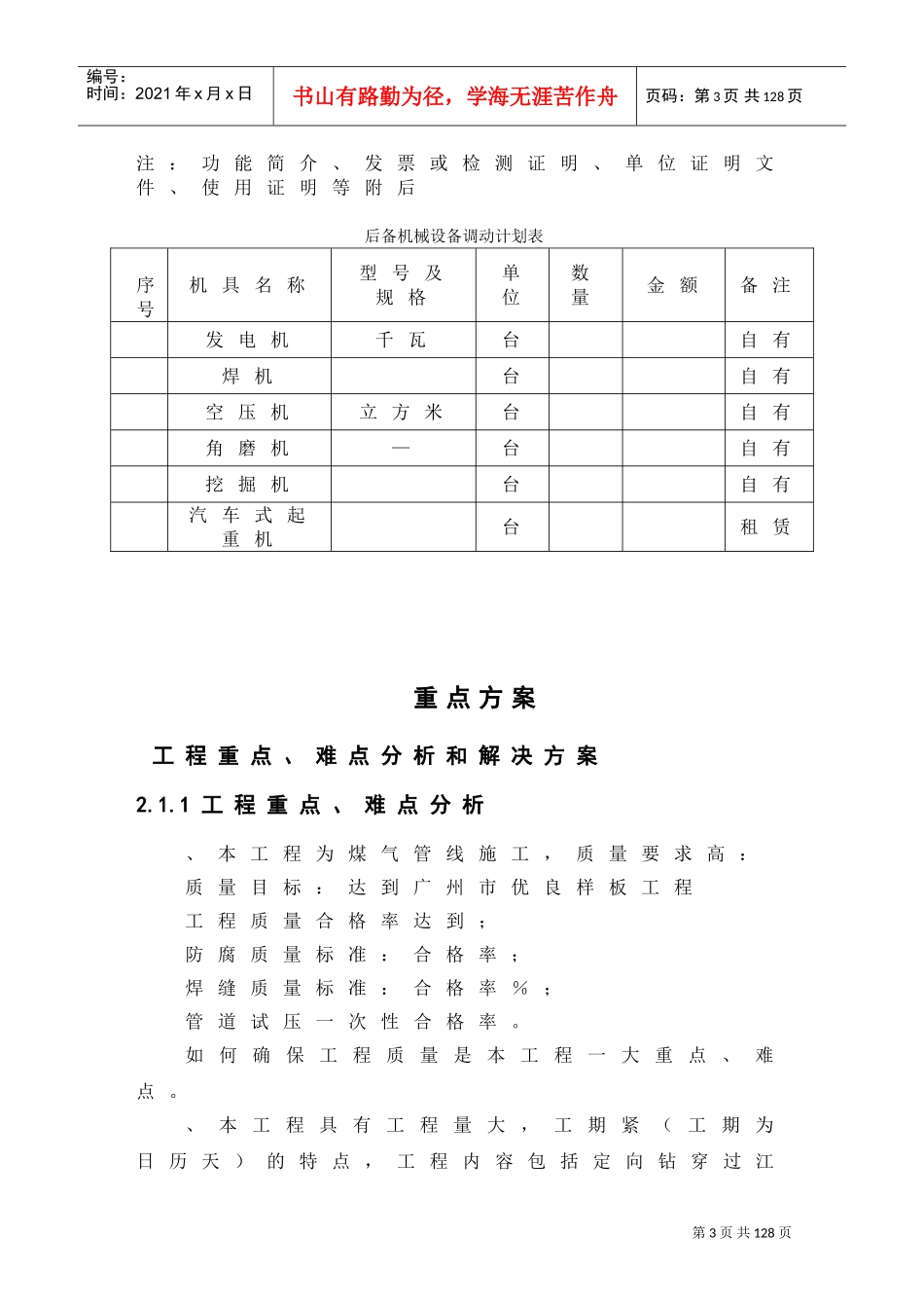
3/128
第1页共128页编号:时间:2021年x月x日书山有路勤为径,学海无涯苦作舟页码:第1页共128页机械设备投入计划拟投入的主要机械设备计划针对该工程的特点,为保证完成工程施工,以高效的机械化作业水平,为工期提供保证。根据本标段的工程情况和施工组织设计总体安排及定额测算,我公司拟投入本工程的各种机械设备详见下页的“自供机具清单表格”“租赁机具清单表格”。为了加强施工机械管理、提高利用率,现场配备专业特种维修技术人员,随时对施工所用的机械电气设备定期和不定期进行测试检查和维修保养,使所用的施工机械电气设备长期处于良好的状态下,提高设备完好率,保证工程顺利完成。自供、租赁机具清单表格为本工程常备机械设备,根据工程需要,我公司还为本工程准备了后备机械设备,随时准备投入本工程施工见表“后备机械设备调动计划表”。自供机具清单表格序号机具名称型号及规格单位数量金额备注柴油发电机组千瓦台自有氩弧焊机台自有电火花检测仪套自有全直动电熔焊机台自有全直动热熔焊机台自有第2页共128页编号:时间:2021年x月x日书山有路勤为径,学海无涯苦作舟页码:第2页共128页液压挖掘机台自有工程指挥车辆自有手推车辆自有现场转管车自制辆自有电动钢丝刷成都台自有阀门试压装置套自有空气压缩机立方米台自有通球装置自制套自有焊条保温筒台自有全自动焊条电烘箱度台自有链条葫芦套自有角向磨光机—只自有防腐检测仪北京套自有水准仪台自有经纬仪台自有注:功能简介、发票或检测证明、单位证明文件、使用证明等附后租赁机具清单表格序号机具名称型号及规格单位数量金额备注定向钻设备海瑞克台租赁汽车式起重机台租赁弯管机台租赁焊口检测设备套外委坡口机台租赁第3页共128页编号:时间:2021年x月x日书山有路勤为径,学海无涯苦作舟页码:第3页共128页注:功能简介、发票或检测证明、单位证明文件、使用证明等附后后备机械设备调动计划表序号机具名称型号及规格单位数量金额备注发电机千瓦台自有焊机台自有空压机立方米台自有角磨机—台自有挖掘机台自有汽车式起重机台租赁重点方案工程重点、难点分析和解决方案2.1.1工程重点、难点分析、本工程为煤气管线施工,质量要求高:质量目标:达到广州市优良样板工程工程质量合格率达到;防腐质量标准:合格率;焊缝质量标准:合格率%;管道试压一次性合格率。如何确保工程质量是本工程一大重点、难点。、本工程具有工程量大,工期紧(工期为日历天)的特点,工程内容包括定向钻穿过江第4页共128页编号:时间:2021年x月x日书山有路勤为径,学海无涯苦作舟页码:第4页共128页煤气管道米及米的高频直缝电阻焊钢管直埋敷设,部分配套设施的采购、运输、制作和安装及调试,工艺管道的无损检测。要确保在个日历天内完成本工程的施工是一大难点。、本工程施工期间正逢冬季时节,湿度较大,给工程施工造成一定难度。、本工程工艺管线为煤气管线施工,确保全线安全施工是一大重点。、本工程为新建的煤气管线施工,地下管网复杂,障碍物多,穿、跨越工程多,如何保证穿、跨越工程安装质量,是本工程的一大难点。2.1.2针对重点、难点的解决方案一、施工的管理措施针对本项目的重点及难点,我公司以“确保工期,全面创优”的指导思想,将其列为“第一重点工程”,拟按“建筑精品工程”——进行实施,在进场施工前做好各项准备工作,为进场创造充分有利的条件,在整个施工过程考虑到各方面的影响因素,充分酝酿施工任务、人力、资源、时间、空间的总体布局,做好各项施工管理的统筹协调工作,从而在保证工程质量、安全文明施工及综合治理的前提下,依期完成本工程的施工任务。()组建强有力的组织管理机构及协调组织机构。严格按施工总承包管理体系和“项目法施工”组织施工,成立本工程的现场项目经理部并根据本工程的特点,划分二个区域,实行区第5页共128页编号:时间:2021年x月x日书山有路勤为径,学海无涯苦作舟页码:第5页共128页域负责制,加强施工现场管理,调动战斗力强的施工队伍,投入先进完备的施工机械设备及足够的周转材料,做好资源的充分蓄备和紧急调配计划,以科学的管理方法、严格的管理手段、精湛的施工技术,...

1、当您付费下载文档后,您只拥有了使用权限,并不意味着购买了版权,文档只能用于自身使用,不得用于其他商业用途(如 [转卖]进行直接盈利或[编辑后售卖]进行间接盈利)。
2、本站所有内容均由合作方或网友上传,本站不对文档的完整性、权威性及其观点立场正确性做任何保证或承诺!文档内容仅供研究参考,付费前请自行鉴别。
3、如文档内容存在违规,或者侵犯商业秘密、侵犯著作权等,请点击“违规举报”。

碎片内容

某市定向钻过江煤气管道工程施工组织设计方案(DOC100页)

您可能关注的文档

确认删除?
VIP
微信客服
  • 扫码咨询
会员Q群
  • 会员专属群点击这里加入QQ群
客服邮箱
回到顶部