电脑桌面
添加小米粒文库到电脑桌面
安装后可以在桌面快捷访问

水利工程乙级检测资质单位涉及到的大多数实验仪器自检VIP免费

水利工程乙级检测资质单位涉及到的大多数实验仪器自检_第1页
1/75
水利工程乙级检测资质单位涉及到的大多数实验仪器自检_第2页
2/75
水利工程乙级检测资质单位涉及到的大多数实验仪器自检_第3页
3/75
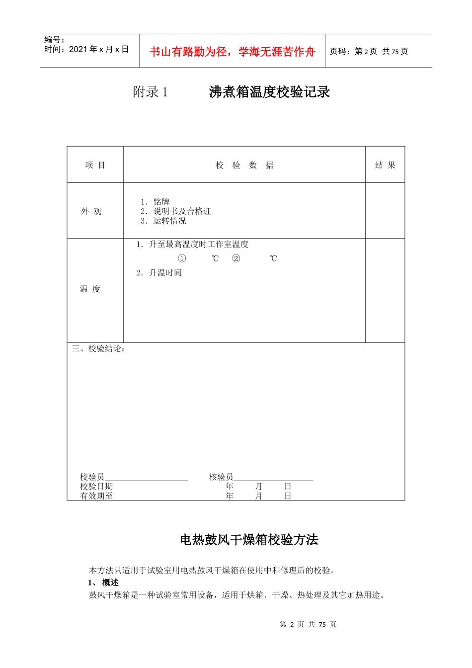
第1页共75页编号:时间:2021年x月x日书山有路勤为径,学海无涯苦作舟页码:第1页共75页沸煮箱校验方法本方法适用于新购或使用中及检修后的沸煮箱的校验。1、技术要求1.1外观1.1.1应用铭牌和出厂合格证书。1.2温度和时间1.2.1沸煮箱:最高沸煮温度100℃。1.2.2升温时间:30±5min(20℃升至100℃)1.2.3加热时间控制:0~3.5h2、校验用标准器温度计:灵敏度为±1℃。秒表:1/10秒。3、校验方法3.1目测箱外表有无铭牌和控温器。3.2将温度计置于箱内,关好门。然后接筒电源开始升温。升温至最高温度。这时,取出工作室内事先放好的温度计,观察记录所显示的温度。同时用秒表记录升温时间。4、校验结果评定全部检测项目结束后,应填写校验证书。全部项目合格,在结论栏内填写“合格”任意项目不合格时,校验结论为“不合格”,并给出不合格项目的数值。5、校验周期校验周期为一年。第2页共75页第1页共75页编号:时间:2021年x月x日书山有路勤为径,学海无涯苦作舟页码:第2页共75页附录1沸煮箱温度校验记录电热鼓风干燥箱校验方法本方法只适用于试验室用电热鼓风干燥箱在使用中和修理后的校验。1、概述鼓风干燥箱是一种试验室常用设备,适用于烘箱、干燥、热处理及其它加热用途。项目校验数据结果外观1.铭牌2.说明书及合格证3.运转情况温度1.升至最高温度时工作室温度①℃②℃2.升温时间三、校验结论:校验员核验员校验日期年月日有效期至年月日第3页共75页第2页共75页编号:时间:2021年x月x日书山有路勤为径,学海无涯苦作舟页码:第3页共75页鼓风干燥箱的工作原理是由电加热系统供热,电动机鼓风,促成箱内热空气对流,使温度均匀,自动控温系统保持箱内温度恒定。2、技术要求2.1外观2.1.1铭牌上标有仪器的名称、型号、制造厂名(或厂标)、出厂编号、额定功率和电源要求等。2.1.2外观完好、有产品使用说明书和出厂合格证书。2.1.3干燥箱各功能键、调节旋钮应能正常调节,各功能指示灯显示正常。2.2控制温度范围:室温~300℃。2.3恒温控制精度:±1℃。3、校验条件3.1环境条件3.1.1环境温度:不大于40℃、环境湿度:≤85%。3.1.2电源电压:220V、电源频率:50Hz。3.2安装3.2.1干燥箱应安装在干燥、防腐蚀、基座牢固平稳处,周围无易燃、易爆物品。3.2.2电源采用一电源插座供电,并有一定的电流容量和过流保护装置。电源线采用双层绝缘护套线,机壳接地良好。3.3校验用计量器具3.3.1温度计:分度值为0.1℃的温度计,经计量检定合格。4、校验项目和校验方法4.1外观检查应符合2.1.1~2.1.2条要求。4.2运行试验:箱底排气阀孔中插入标准温度计,同时旋开排气阀、空隙约10mm左右。接上电源,开启加热开关,将控温器旋钮由“0”位顺时针方向旋至100℃处,此时箱内应开始升温,加热指示灯作指示,无异常气味。开启鼓风机开关,鼓风机转动,无异常噪声应符合2.1.3要求。4.3控温范围:分别将控温器旋钮调至控温范围的最低温度值和最高温度值,控温器在最低温度和最高温度点能控制加热,系统正常启停。4.4恒温控制精度:恒温定点设置为105℃,用分度值不大于0.1℃的标准温度计(经检定合格)放入箱底排气阀温度计穴内,插入内箱体不得小于80mm,达到恒温温度时,关闭一组加热开关,只留一组电热器工作。待温度稳定30min后,读取加热器工作时的温度T1和加热器停止工作时的温度T2,计算出恒温精确度△T,△T=T1-T2,恒温控制精确度应满足2.3条要求。5、校验结果处理和校验周期5.1经校验,满足2.1~2.3条技术要求的仪器为合格,发给校验合格证书,任何一条技术要求不合格者,均为校验不合格,发给校验结果通知书。5.2该仪器的校验周期为一年。在维修后应提前校验。电热鼓风干燥箱校验记录第4页共75页第3页共75页编号:时间:2021年x月x日书山有路勤为径,学海无涯苦作舟页码:第4页共75页仪器编号生产厂家校验仪器型号校验环境温度:℃湿度:%复核校验日期有效期审核检查项目技术要求校验数据结果资料资料齐全外观检查仪器完好、配套试运行正常控温精度±1℃控温范围室温~300℃校验结论第5页共75页第4页共75页编号:时间:2021年x月x日书山有路勤为径,学海无涯苦作舟页码:第5页共75页钢...

1、当您付费下载文档后,您只拥有了使用权限,并不意味着购买了版权,文档只能用于自身使用,不得用于其他商业用途(如 [转卖]进行直接盈利或[编辑后售卖]进行间接盈利)。
2、本站所有内容均由合作方或网友上传,本站不对文档的完整性、权威性及其观点立场正确性做任何保证或承诺!文档内容仅供研究参考,付费前请自行鉴别。
3、如文档内容存在违规,或者侵犯商业秘密、侵犯著作权等,请点击“违规举报”。

碎片内容

水利工程乙级检测资质单位涉及到的大多数实验仪器自检

您可能关注的文档

确认删除?
VIP
微信客服
  • 扫码咨询
会员Q群
  • 会员专属群点击这里加入QQ群
客服邮箱
回到顶部