电脑桌面
添加小米粒文库到电脑桌面
安装后可以在桌面快捷访问

机电安装工程范本表格样本VIP免费

机电安装工程范本表格样本_第1页
1/68
机电安装工程范本表格样本_第2页
2/68
机电安装工程范本表格样本_第3页
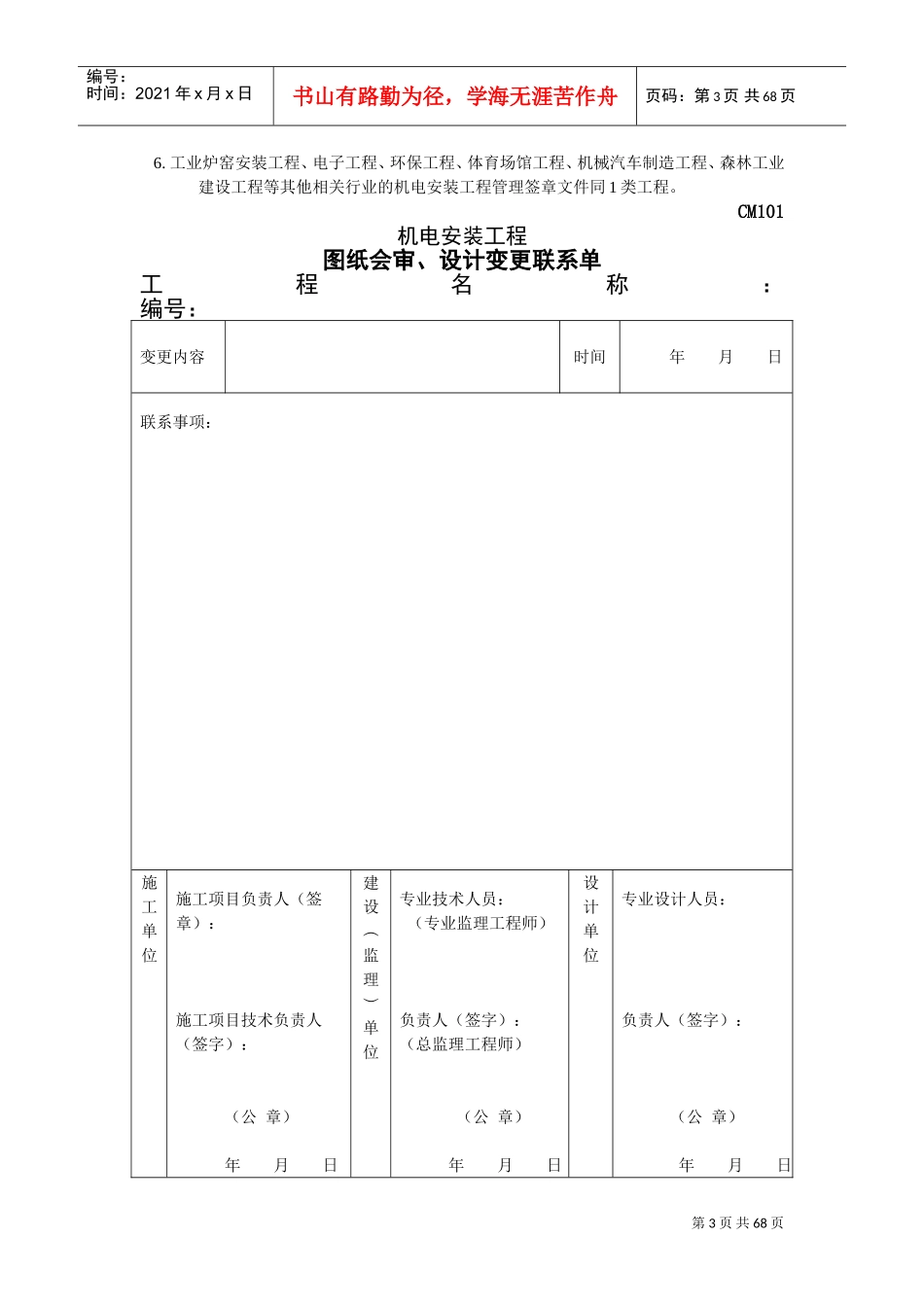
3/68
第1页共68页编号:时间:2021年x月x日书山有路勤为径,学海无涯苦作舟页码:第1页共68页施工管理竣工签章资料(机电安装工程)序号工程类别文件类别文件名称代码1一般工业、民用、公用机电安装工程施工组织管理图纸会审、设计变更联系单CM101施工组织设计报审表CM102主要施工方案、吊装方案、临电方案的报审表CM103劳动力计划审查表CM104特殊或特种作业人员资格审查表CM105关键或特殊过程人员资格审查表CM106工程开工报告CM107工程延期报告CM108工程停工报告CM109工程复工报告CM110工程竣工报告CM111工程交工验收报告CM112建设、监理、政府监管单位、外部协调单位联系单CM113工程一切保险委托书CM114合同管理分包单位资格报审表CM201工程分包合同CM202劳务分包合同CM203工程材料采购总计划表CM204工程设备采购总计划表CM205工程设备、关键材料招标书CM206-1工程设备、关键材料中标通知书CM206-2合同变更(索赔)申请报告CM207施工进度管理总进度计划报审表CM301分部工程进度计划报审表CM302单位工程进度计划的报审表CM303分包工程进度计划批准表CM304质量管理单位工程竣工验收纪录表CM401单位(子单位)工程安全和功能检验资料核查及主要功能抽查记录表CM402单位(子单位)工程观感质量检查记录表CM403单位工程质量预验(复验)收记录表CM404单位(子单位)工程质量验收记录表CM405中间交工验收报告CM406质量事故调查处理报告CM407工程资料移交清单CM408工程质量保修书CM409第2页共68页编号:时间:2021年x月x日书山有路勤为径,学海无涯苦作舟页码:第2页共68页工程试运行验收报告CM410一般工业、民用公用机电安装工程安全管理工程项目安全生产责任书CM501分包工程安全管理协议书CM502施工安全技术措施报审表CM503施工现场消防重点部位报审表CM504-1施工现场消防重点部位登记表CM504-2施工现场临时用电申请书CM505大型施工机具使用检查表CM506安全事故应急预案审批表CM507安全隐患通知书CM508施工现场安全事故上报、调查、处理报告CM509现场环保文明施工管理施工环境保护措施及管理方案报审表CM601施工现场文明施工措施报批表CM602成本费用管理工程款支付申请表CM701工程变更费用报审表CM702工程费用索赔申请表CM703工程费用变更申请表CM704工程月进度款报审表CM705工程竣工结算报审表CM706工程保险(人身、设备、运输等)申报表CM707工程结算审计表CM7082净化工程施工组织管理特种气体设备安装改造维修告知书CM1153动力站安装工程质量管理锅炉水压试验申报表CM411锅炉安全附件安装整定记录表CM412锅炉点火试运行申报表CM413锅炉总体验收证明书CM4144起重设备安装工程质量管理起重设备安装工程主要安全部件合格证报审表CM415起重设备安装工程安全附件整定申请书CM416起重设备安装工程技术检测报告CM4175消防工程质量管理政府监管单位(公安消防部门)联系单CM418消防工程报装备案表CM419注:1.净化工程管理签章文件同1类工程外,增加施工组织管理文件CM115。2.动力站安装工程管理签章文件同1类工程外,增加施工组织管理文件CM115和质量管理文件CM411、CM412、CM413、CM414。3.起重设备安装工程管理签章文件同1类工程外,增加施工组织管理文件CM115和质量管理文件CM415、CM416、CM417.。4.消防工程管理签章文件同1类工程外,增加质量管理文件CM418、CM419。5.轻纺工业建设工程管理签章文件同1类工程外,增加施工组织管理文件CM115。第3页共68页编号:时间:2021年x月x日书山有路勤为径,学海无涯苦作舟页码:第3页共68页6.工业炉窑安装工程、电子工程、环保工程、体育场馆工程、机械汽车制造工程、森林工业建设工程等其他相关行业的机电安装工程管理签章文件同1类工程。CM101机电安装工程图纸会审、设计变更联系单工程名称:编号:变更内容时间年月日联系事项:施工单位施工项目负责人(签章):施工项目技术负责人(签字):(公章)年月日建设︵监理︶单位专业技术人员:(专业监理工程师)负责人(签字):(总监理工程师)(公章)年月日设计单位专业设计人员:负责人(签字):(公章)年月日第4页共68页编号:时间:2021年x月x日书山有路勤为径,学海无涯苦作舟页码:第4页共...

1、当您付费下载文档后,您只拥有了使用权限,并不意味着购买了版权,文档只能用于自身使用,不得用于其他商业用途(如 [转卖]进行直接盈利或[编辑后售卖]进行间接盈利)。
2、本站所有内容均由合作方或网友上传,本站不对文档的完整性、权威性及其观点立场正确性做任何保证或承诺!文档内容仅供研究参考,付费前请自行鉴别。
3、如文档内容存在违规,或者侵犯商业秘密、侵犯著作权等,请点击“违规举报”。

碎片内容

机电安装工程范本表格样本

精品中小学文档+ 关注
实名认证
内容提供者

精品资料,值得下载

确认删除?
VIP
微信客服
  • 扫码咨询
会员Q群
  • 会员专属群点击这里加入QQ群
客服邮箱
回到顶部