电脑桌面
添加小米粒文库到电脑桌面
安装后可以在桌面快捷访问

煤矿科技术语-北京国信安科技术有限公司VIP免费

煤矿科技术语-北京国信安科技术有限公司_第1页
1/16
煤矿科技术语-北京国信安科技术有限公司_第2页
2/16
煤矿科技术语-北京国信安科技术有限公司_第3页
3/16
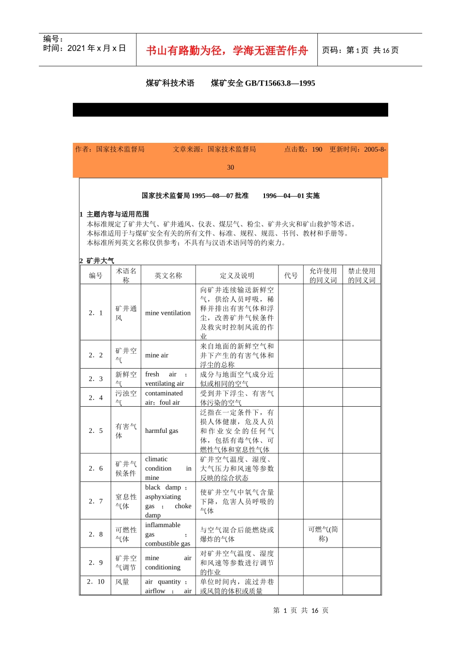
第1页共16页编号:时间:2021年x月x日书山有路勤为径,学海无涯苦作舟页码:第1页共16页煤矿科技术语煤矿安全GB/T15663.8—1995作者:国家技术监督局文章来源:国家技术监督局点击数:190更新时间:2005-8-30国家技术监督局1995—08—07批准1996—04—01实施1主题内容与适用范围本标准规定了矿井大气、矿井通风、仪表、煤层气、粉尘、矿井火灾和矿山救护等术语。本标准适用于与煤矿安全有关的所有文件、标准、规程、规范、书刊、教材和手册等。本标准所列英文名称仅供参考;不具有与汉语术语同等的约束力。2矿井大气编号术语名称英文名称定义及说明代号允许使用的同义词禁止使用的同义词2.1矿井通风mineventilation向矿井连续输送新鲜空气,供给人员呼吸,稀释并排出有害气体和浮尘,改善矿井气候条件及救灾时控制风流的作业2.2矿井空气mineair来自地面的新鲜空气和井下产生的有害气体和浮尘的总称2.3新鲜空气freshair;ventilatingair成分与地面空气成分近似或相同的空气2.4污浊空气contaminatedair;foulair受到井下浮尘、有害气体污染的空气2.5有害气体harmfulgas泛指在一定条件下,有损人体健康,危及人员和作业安全的任何气体,包括有毒气体、可燃性气体和窒息性气体2.6矿井气候条件climaticconditioninmine矿井空气温度、湿度、大气压力和风速等参数反映的综合状态2.7窒息性气体blackdamp;asphyxiatinggas;chokedamp使矿井空气中氧气含量下降,危害人员呼吸的气体2.8可燃性气体inflammablegas;combustiblegas与空气混合后能燃烧或爆炸的气体可燃气(简称)2.9矿井空气调节mineairconditioning对矿井空气温度、湿度和风速等参数进行调节的作业2.10风量airquantity;airflow;air单位时间内,流过井巷或风筒的体积或质量第2页共16页第1页共16页编号:时间:2021年x月x日书山有路勤为径,学海无涯苦作舟页码:第2页共16页volume2.11需风量requiredairflow;requiredairquantity;airrequirement矿井生产过程中,为供人员呼吸,稀释和排出有害气体、浮尘,创造良好气候条件所需要的风量2.12风量分配airdistribution将矿井总进风量,按各采掘工作面、硐室所需要的风量进行的分配2.13掘进工作面风流aircurrentatheadingface从风筒出口到掘进工作面这一段巷道中的风流2.14采煤工作面风流aircurrentalongtheworkingface;airflowalongtheworkingface采煤工作面工作空间的风流2.15进风风流intakeaircurrent;intakeair;intakeairflow进入井下各用风地点以前的风流进风(简称)2.16回风风流returnaircurrent;returnair;returnairflow从井下各用风地点流出的风流回风(简称)3矿井通风编号术语名称英文名称定义及说明代号允许使用的同义词禁止使用的同义词3.1负压negativepressure;negativeairpressure抽出式通风的矿井中,风流的绝对压力小于井外或风筒外同标高的绝对压力,其相对压力为负值,称负压3.2正压positivepressure;positiveairpressure压入式通风的矿井中,风流的绝对压力大于井外或风筒外同标高的大气压力,其相对压力为正值,称正压3.3自然通风压力naturalventilationpressure在矿井通风系统中,由于空气柱质量不同而产生的压力差自然风压(简称)3.4通风机全压totalpressureoffan在通风机出口侧和进口侧风流的总压力差扇风机全压3.5通风机动压velocitypressureoffan风流在通风机出口断面上流动的压力扇风机动压3.6通风机静压staticpressureoffan通风机的全压和动压之差扇风机静压3.7通风压力分布图ventilationpressuredistributionchart;ventilationpressuredistributionmap表示某一通风线路的压力、阻力变化的图形第3页共16页第2页共16页编号:时间:2021年x月x日书山有路勤为径,学海无涯苦作舟页码:第3页共16页3.8摩擦阻力Frictionalresistance;frictionloss由于风流和井、巷壁或管道壁间的摩擦而产生的阻力3.9局部阻力localresistance;shockresistance;shockloss由于风流速度或方向的变化,导致风流剧烈冲击,形成涡流而引起的阻力3.10通风阻力mineresistance;ventilationresistance;pressuredrop;ventilationloss风流的摩擦阻力和...

1、当您付费下载文档后,您只拥有了使用权限,并不意味着购买了版权,文档只能用于自身使用,不得用于其他商业用途(如 [转卖]进行直接盈利或[编辑后售卖]进行间接盈利)。
2、本站所有内容均由合作方或网友上传,本站不对文档的完整性、权威性及其观点立场正确性做任何保证或承诺!文档内容仅供研究参考,付费前请自行鉴别。
3、如文档内容存在违规,或者侵犯商业秘密、侵犯著作权等,请点击“违规举报”。

碎片内容

煤矿科技术语-北京国信安科技术有限公司

精品中小学文档+ 关注
实名认证
内容提供者

精品资料,值得下载

确认删除?
VIP
微信客服
  • 扫码咨询
会员Q群
  • 会员专属群点击这里加入QQ群
客服邮箱
回到顶部