电脑桌面
添加小米粒文库到电脑桌面
安装后可以在桌面快捷访问

危险货物包装标志VIP免费

危险货物包装标志_第1页
1/13
危险货物包装标志_第2页
2/13
危险货物包装标志_第3页
3/13
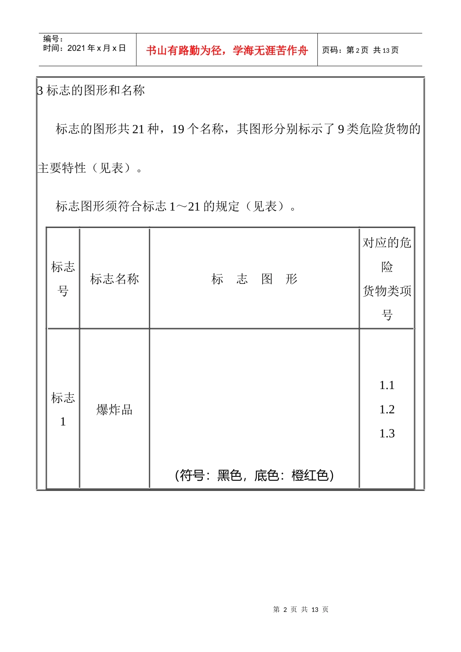
第1页共13页编号:时间:2021年x月x日书山有路勤为径,学海无涯苦作舟页码:第1页共13页中华人民共和国国家标准危险货物包装标志GB190-90Labelsforpackagesofdangerousgoods代替GB190-851主要内容与适用范围本标准规定了危险货物包装图示标志(以下科称标志)的种类、名称、尺寸及颜色等。本标准适用于危险货物的运输包装。2引用标准GB6944危险货物分类和品名编号GB12268危险货物品名表第2页共13页第1页共13页编号:时间:2021年x月x日书山有路勤为径,学海无涯苦作舟页码:第2页共13页3标志的图形和名称标志的图形共21种,19个名称,其图形分别标示了9类危险货物的主要特性(见表)。标志图形须符合标志1~21的规定(见表)。标志号标志名称标志图形对应的危险货物类项号标志1爆炸品(符号:黑色,底色:橙红色)1.11.21.3第3页共13页第2页共13页编号:时间:2021年x月x日书山有路勤为径,学海无涯苦作舟页码:第3页共13页标志2爆炸品(符号:黑色,底色:橙红色)1.4标志3爆炸品(符号:黑色,底色:橙红色)1.5标志4易燃气体(符号:黑色或白色,底色:正红色)2.1第4页共13页第3页共13页编号:时间:2021年x月x日书山有路勤为径,学海无涯苦作舟页码:第4页共13页标志5不燃气体(符号:黑色或白色,底色:绿色)2.2标志6有毒气体(符号:黑色,底色:白色)2.3标志7易燃液体(符号:黑色或白色,底色:正红色)3第5页共13页第4页共13页编号:时间:2021年x月x日书山有路勤为径,学海无涯苦作舟页码:第5页共13页标志8易燃固体(符号:黑色,底色:白色红条)4.1标志9自燃物品(符号:黑色,底色:上白下红)4.2标志10遇湿易燃物品(符号:黑色或白色,底色:蓝色)4.3第6页共13页第5页共13页编号:时间:2021年x月x日书山有路勤为径,学海无涯苦作舟页码:第6页共13页标志11氧化剂(符号:黑色,底色:柠檬黄色)5.1标志12有机过氧化物(符号:黑色,底色:柠檬黄色)5.2标志13剧毒品(符号:黑色,底色:白色)6.1第7页共13页第6页共13页编号:时间:2021年x月x日书山有路勤为径,学海无涯苦作舟页码:第7页共13页标志14有毒品(符号:黑色,底色:白色)6.1标志15有害品(远离食品)(符号:黑色,底色:白色)6.1标志16感染性物品(符号:黑色,底色:白色)6.2第8页共13页第7页共13页编号:时间:2021年x月x日书山有路勤为径,学海无涯苦作舟页码:第8页共13页标志17一级放射性物品(符号:黑色,底色:白色,附一条红竖条)7标志18二级放射性物品(符号:黑色,底色:上黄下白,附二条红竖条)7标志19三级放射性物品7第9页共13页第8页共13页编号:时间:2021年x月x日书山有路勤为径,学海无涯苦作舟页码:第9页共13页(符号:黑色,底色:上黄下白,附三条红竖条)标志20腐蚀品(符号:上黑下白,底色:上白黑下)8标志21杂类(符号:黑色,底色:白色)9注:表中对应的危险货物类项号及各标志角号是按GB6944的规定编写的。第10页共13页第9页共13页编号:时间:2021年x月x日书山有路勤为径,学海无涯苦作舟页码:第10页共13页4标志的尺寸、颜色4.1标志的尺寸标志的尺寸一般分为4种,见表。尺寸号别长宽15050210010031501504250250注:如遇特大或特小的运输包装件,标志的尺寸可按规定适当扩大或缩小。4.2标志的颜色标志的颜色按标志1~21规定。5标志的使用方法第11页共13页第10页共13页编号:时间:2021年x月x日书山有路勤为径,学海无涯苦作舟页码:第11页共13页5.1标志的标打,可采用粘贴、钉附及喷涂等方法。5.2标志的位置规定如下:箱状包装:位于包装端面或侧面的明显处;袋、捆包装:位于包装明显处;桶形包装:位于桶身或桶盖;集装箱、成组货物:粘贴四个侧面。5.3每种危险品包装件应按其类别贴相应的标志。但如果某种物质或物品还有属于其他类别的危险性质,包装上除了粘贴该类标志作为主标志以外,还应粘贴表明其他危险性的标志作为副标志,副标志图形的下角不应标有危险货物的类项号。5.4储运的各种危险货物性质的区分及其应标打的标志,应按GB6944、GB12268及有关国家运输主管部门规定的危险货物安全运输管理的具体办法执行,出口货物的标志应按我国执行的有...

1、当您付费下载文档后,您只拥有了使用权限,并不意味着购买了版权,文档只能用于自身使用,不得用于其他商业用途(如 [转卖]进行直接盈利或[编辑后售卖]进行间接盈利)。
2、本站所有内容均由合作方或网友上传,本站不对文档的完整性、权威性及其观点立场正确性做任何保证或承诺!文档内容仅供研究参考,付费前请自行鉴别。
3、如文档内容存在违规,或者侵犯商业秘密、侵犯著作权等,请点击“违规举报”。

碎片内容

危险货物包装标志

您可能关注的文档

确认删除?
VIP
微信客服
  • 扫码咨询
会员Q群
  • 会员专属群点击这里加入QQ群
客服邮箱
回到顶部