电脑桌面
添加小米粒文库到电脑桌面
安装后可以在桌面快捷访问

成都市某立交桥工程施工组织设计方案VIP专享VIP免费

成都市某立交桥工程施工组织设计方案_第1页
1/58
成都市某立交桥工程施工组织设计方案_第2页
2/58
成都市某立交桥工程施工组织设计方案_第3页
3/58
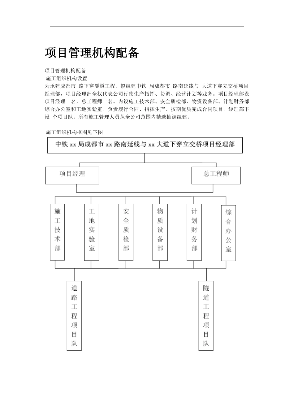
目录第一章项目管理机构配备.........................................................第二章施工组织文字说明.........................................................第节工程概况...............................................................、工程概况.............................................................、工程地质条件.........................................................、主要工程数量.........................................................第节施工组织...............................................................、施工队伍组成及任务划分...............................................、施工平面布置.........................................................、主要技术力量投入.....................................................、项目管理目标.........................................................、技术准备.............................................................、现场准备.............................................................第节施工方案及主要施工方法.................................................、总体施工部署.........................................................、总体施工方案.........................................................、各分项工程施工方法、技术措施.........................................第节重点(关键)和难点工程的施工...........................................、基坑防护.............................................................、大体积混凝土施工.....................................................、隧道防水.............................................................、施工环境与工期紧的处理措施...........................................第节施工机械配置...........................................................第节工期目标及保证措施.....................................................、工期目标.............................................................、工程进度计划.........................................................、确保工期措施.........................................................第节确保工程质量、安全的措施...............................................、质量目标.............................................................、保证工程质量的措施...................................................、质量保证体系图.......................................................、保证安全的措施.......................................................、季节性施工措施.......................................................第节文明施工、环境保护措施.................................................、文明施工的措施.......................................................、环境保护的措施.......................................................、廉政建设措施.........................................................项目管理机构配备项目管理机构配备施工组织机构设置为承建成都市路下穿隧道工程,拟组建中铁局成都市路南延线与大道下穿立交桥项目经理部,项目经理部全权代表公司行使生产指挥、协调、经营计划等业务。项目经理部设项目经理一名,总工程师一名。内设施工技术部、安全质检部、物资设备部、计划财务部综合办公室和工地实验室。负责履行合同、指挥生产、按期优质完成合同项目。经理部下设个项目队。所有施工管理人员从全公司范围内精选抽调组建。施工组织机构框图见下图主要技术力量投入表序号拟任职务姓名备注项目经理高级工程师总工程师高级工程师计划统计负责人工程师财务负责人会计师质检工程师高级工程师道路工程师工程师结构工程师工程师结构工程师高级工程师地质工程师高级工程师试验工程师工程...

1、当您付费下载文档后,您只拥有了使用权限,并不意味着购买了版权,文档只能用于自身使用,不得用于其他商业用途(如 [转卖]进行直接盈利或[编辑后售卖]进行间接盈利)。
2、本站所有内容均由合作方或网友上传,本站不对文档的完整性、权威性及其观点立场正确性做任何保证或承诺!文档内容仅供研究参考,付费前请自行鉴别。
3、如文档内容存在违规,或者侵犯商业秘密、侵犯著作权等,请点击“违规举报”。

碎片内容

成都市某立交桥工程施工组织设计方案

确认删除?
VIP
微信客服
  • 扫码咨询
会员Q群
  • 会员专属群点击这里加入QQ群
客服邮箱
回到顶部