电脑桌面
添加小米粒文库到电脑桌面
安装后可以在桌面快捷访问

岭澳核电工程设计采购管理VIP免费

岭澳核电工程设计采购管理_第1页
1/34
岭澳核电工程设计采购管理_第2页
2/34
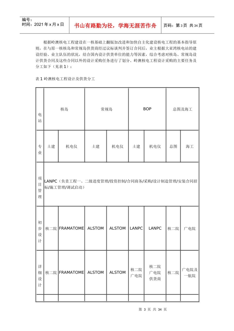
岭澳核电工程设计采购管理_第3页
3/34
第1页共34页编号:时间:2021年x月x日书山有路勤为径,学海无涯苦作舟页码:第1页共34页岭澳核电工程设计采购管理沈如刚(岭澳核电有限公司,广东深圳518124)岭澳核电站是中国广东核电集团在广东省兴建的第二座大型商用核电站(二核),与大亚湾核电站(一核)建设相比,岭澳核电站建设的最大特点是工程管理自主化、部分设备国产化、核岛土建和BOP设计采购自主化以及土建施工、设备安装、调试启动和生产准备自主化。在核岛和常规岛采用议标方式与供货商签订了主设备供货合同的前提下,岭澳核电设计采购工作在大亚湾核电站工程设计采购运作实践的基础上,参照法国电力公司核电工程设计采购管理模式,由业主全面承担起设计采购管理、组织、协调和控制任务,并负责执照申请及总体运行研究等工作。设计采购从1995年1月主设备供货合同议标协议签订开始,先后经历了主合同谈判、工程前期准备、设计、设备制造及采购高峰、现场施工、安装、调试及移交接产配合等阶段,历时7年多。在所有参与和技术支持单位的共同努力下,工程设计采购工作进展顺利,满足了工程各阶段的需要,也为百万千瓦级核电机组建设的自主化和国产化进行了有益的探索,积累了经验。1工程背景及设计采购管理模式的选择1.1工程背景经过近八年的建设,大亚湾核电站于1994年顺利投产。按照国务院领导"以核养核、滚动发展"的指示,中国广东核电集团通过对国际核电市场的考察和了解,结合大亚湾核电站近一年的运行业绩,决定在一核翻版加改进的基础上兴建岭澳核电站。根据当时国际政治形势和核电市场的实际情况,工程从开始就有了一些特殊的背景:(1)1994年底,考虑到国际信贷的发展形势和近期内能否真正形成国际竞争的不确定性,经请示国务院领导同意后,决定与原大亚湾核电站供货商进行议标,1995年1月与一核原供货商法马通(FRAMATOME)和阿尔斯通(ALSTOM)签订了主设备供货合同议标协议,经过约一年的谈判,于1995年10月25日与之签订了核岛和常规岛设备供货合同,同时与法国电力公司(EDF)签订了工程咨询服务合同及相关的融资贷款合同;第2页共34页第1页共34页编号:时间:2021年x月x日书山有路勤为径,学海无涯苦作舟页码:第2页共34页(2)业主及所选主供货商已经适应大亚湾核电工程管理模式,而该模式在大亚湾核电工程建设中已成功地得到验证;(3)国内设计院的核电工程设计能力和经验不足,不具备百万千瓦级核电站的设计能力;(4)国家对自主化、国产化的要求和业主降低造价的希望,都要求工程建设自主化和国产化方面有较大的推进;(5)需要考虑工程与生产的接口以及利用大亚湾核电站已有资源。1.2设计采购管理模式的选择电力工程常见的设计采购管理模式有几种:一种是业主全权委托设计院进行工程设计,业主负责主要设备的招标采购,大宗材料采购交由施工、安装承包商负责,国内常规电力工程较多采用这种模式;第二种是业主委托工程管理公司代替业主开展设计采购工作,业主只按照合同局部参与或协调设计采购委托合同的执行,该模式在国外采用较普遍,这要求工程管理公司有非常丰富的工程经验和实力,通常工程管理公司还负责工程后续各阶段工作的管理,大亚湾核电工程采用的就是与此类似的模式;第三种是业主扮演工程公司的角色,全面负责和参与设计采购工作,在工程设计采购工作中业主从总体上对各部分设计采购工作进行控制,协调各参与单位共同完成工程设计采购任务,业主更主要的任务是负责设计采购的管理和协调,参与设计采购的深度可以根据工程的特点进行不同的选择。综合考虑上述工程背景,岭澳核电工程选择参照EDF在大亚湾核电工程建设期间采用的设计采购管理模式,选择了由业主扮演工程公司的角色,在外部支持单位的协助下全面负责设计采购管理。2设计采购任务和分工2.1岭澳核电工程设计采购的主要任务及分工第3页共34页第2页共34页编号:时间:2021年x月x日书山有路勤为径,学海无涯苦作舟页码:第3页共34页根据岭澳核电工程建设在一核基础上翻版加改进和加快自主化建设核电工程的基本指导原则,在与原一核核岛和常规岛供货商经过议标谈判并签订合同后,业主根据大亚湾核电站的建设经验、业主队伍的...

1、当您付费下载文档后,您只拥有了使用权限,并不意味着购买了版权,文档只能用于自身使用,不得用于其他商业用途(如 [转卖]进行直接盈利或[编辑后售卖]进行间接盈利)。
2、本站所有内容均由合作方或网友上传,本站不对文档的完整性、权威性及其观点立场正确性做任何保证或承诺!文档内容仅供研究参考,付费前请自行鉴别。
3、如文档内容存在违规,或者侵犯商业秘密、侵犯著作权等,请点击“违规举报”。

碎片内容

岭澳核电工程设计采购管理

您可能关注的文档

确认删除?
VIP
微信客服
  • 扫码咨询
会员Q群
  • 会员专属群点击这里加入QQ群
客服邮箱
回到顶部