电脑桌面
添加小米粒文库到电脑桌面
安装后可以在桌面快捷访问

市年产五万吨柠条固体生物质燃料加工项目VIP免费

市年产五万吨柠条固体生物质燃料加工项目_第1页
1/39
市年产五万吨柠条固体生物质燃料加工项目_第2页
2/39
市年产五万吨柠条固体生物质燃料加工项目_第3页
3/39
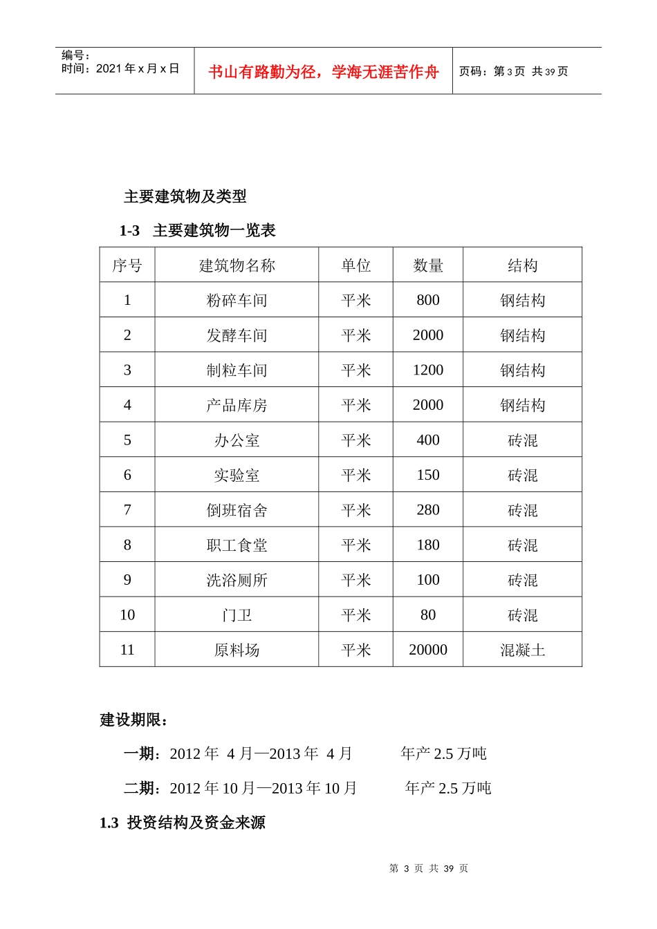
第1页共39页编号:时间:2021年x月x日书山有路勤为径,学海无涯苦作舟页码:第1页共39页乌兰察布市年产五万吨生物质固态燃料及配套饲料加工项目第一章总论1.1项目单位基本情况1.1.1概况项目单位名称:内蒙古昂牧古郎生物科技有限责任公司企业所有制形式:民营主营业务:新能源产品、饲料加工、牛羊养殖、生物技术开发1.2项目建设方案1.2.1项目名称、建设性质及建设地点项目名称:乌兰察布市年产5万吨生物质固态燃料及配套加工项目建设性质:柠条生态林综合开发与保护建设地点:内蒙古乌兰察布市1.2.2建设规模及产品方案项目区现有柠条林地1500多万亩,其中:具备规模化采伐条件的约90多万亩。长期以来,由于柠条缺乏利用价值,维护管理不够,致使目前平均亩产只有400公斤左右,若经合理平茬管护亩产可以达到700多公斤。按照柠条的生物学特性及自治区林业厅关于灌木平茬管护的有关规定进行隔带平茬(即隔两行平一行)计算:第2页共39页第1页共39页编号:时间:2021年x月x日书山有路勤为径,学海无涯苦作舟页码:第2页共39页90万亩每年可以平茬30万亩,每年可以收获含水率在20-25%左右的柠条枝杆12万吨。分选出含蛋白较高热值较低的嫩枝条、叶4万吨后,可获得木质素较高热值较高的用于加工生物质颗粒燃料的枝杆8万吨。保守的按照1.6吨枝杆加工1吨颗粒燃料计算,每年可生产生物质燃料5万吨。1.2.2技术、设备及建筑物主要技术来源:柠条颗粒燃料、生物发酵饲料配方,加工技术全部来源于本企业。主要设备名称、数量:1-2主要设备一览表序号名称型号单位数量1灌木平茬机台302粉碎机台43分选机台24除铁除石机台25烘干机台26制粒机台48自动包装机台2第3页共39页第2页共39页编号:时间:2021年x月x日书山有路勤为径,学海无涯苦作舟页码:第3页共39页主要建筑物及类型1-3主要建筑物一览表序号建筑物名称单位数量结构1粉碎车间平米800钢结构2发酵车间平米2000钢结构3制粒车间平米1200钢结构4产品库房平米2000钢结构5办公室平米400砖混6实验室平米150砖混7倒班宿舍平米280砖混8职工食堂平米180砖混9洗浴厕所平米100砖混10门卫平米80砖混11原料场平米20000混凝土建设期限:一期:2012年4月—2013年4月年产2.5万吨二期:2012年10月—2013年10月年产2.5万吨1.3投资结构及资金来源第4页共39页第3页共39页编号:时间:2021年x月x日书山有路勤为径,学海无涯苦作舟页码:第4页共39页1.3.1投资结构项目投资主要用于设备购置、厂房及配套设施建设和原料基地的流转及保护建设1.3.2资金来源项目总投资11500万元。其中:设备投资1730万元、基础建设投资1416万元、林地流转6000万元、流动资金2354万元。所需资金分两部分筹措:1、企业自筹5000万元;2、申请国家能源局新能源投资6500万元;1.4项目效益1.4.1经济效益A.年产5万吨颗粒燃料。柠条颗粒燃料平均热值为4100千卡/公斤、灰分≤8%,按照这个标准目前市场上同类产品价格在800~950元/吨之间,我们按850元/吨计算,5万吨年销售收入为4250万元;产品成本构成:1、原料成本:6000万元流转90万亩林地使用权10年,每年原料费600万元,每年收割12万吨,平均每吨费用:600万元/12万吨=50元/吨;50元/吨2、收割成本(含铡断):燃料费30元/吨、设备折旧、保养(按10年折旧):20万元/10年=20000元/年,每年运行160天、每天收割20吨,每吨成本为:第5页共39页第4页共39页编号:时间:2021年x月x日书山有路勤为径,学海无涯苦作舟页码:第5页共39页20000元/年/160天/年/20吨/天=6.25元/吨,按15元/吨计算;收割成本计:45元/吨3、运输成本(50公里之内):50元/吨4、粉碎成本:45元/吨5、制粒成本:260元/吨合计:450元/吨B.年产4万吨生物发酵饲料。用加工颗粒燃料的下脚料,通过生物发酵可得到粗蛋白含量在12~15%之间、水分30~45%的反刍动物草饲料。按照目前市场上同类产品的价格比较,该产品保守出厂价应该在800元/吨。4万吨的年销售收入为3200万元;产品成本构成:1、收割成本(同上):45元/吨2、运输成本(同上):50元/吨3、粉碎成本(同上):45元/吨4、发酵成本:发酵剂成本5元/吨、搅拌配料35元/吨、40元/吨5、包装费用:真空包装袋1元/50公斤、运行费...

1、当您付费下载文档后,您只拥有了使用权限,并不意味着购买了版权,文档只能用于自身使用,不得用于其他商业用途(如 [转卖]进行直接盈利或[编辑后售卖]进行间接盈利)。
2、本站所有内容均由合作方或网友上传,本站不对文档的完整性、权威性及其观点立场正确性做任何保证或承诺!文档内容仅供研究参考,付费前请自行鉴别。
3、如文档内容存在违规,或者侵犯商业秘密、侵犯著作权等,请点击“违规举报”。

碎片内容

市年产五万吨柠条固体生物质燃料加工项目

精品中小学文档+ 关注
实名认证
内容提供者

精品资料,值得下载

相关文档

确认删除?
VIP
微信客服
  • 扫码咨询
会员Q群
  • 会员专属群点击这里加入QQ群
客服邮箱
回到顶部