电脑桌面
添加小米粒文库到电脑桌面
安装后可以在桌面快捷访问

录井工程参数的地质应用VIP免费

录井工程参数的地质应用_第1页
1/13
录井工程参数的地质应用_第2页
2/13
录井工程参数的地质应用_第3页
3/13
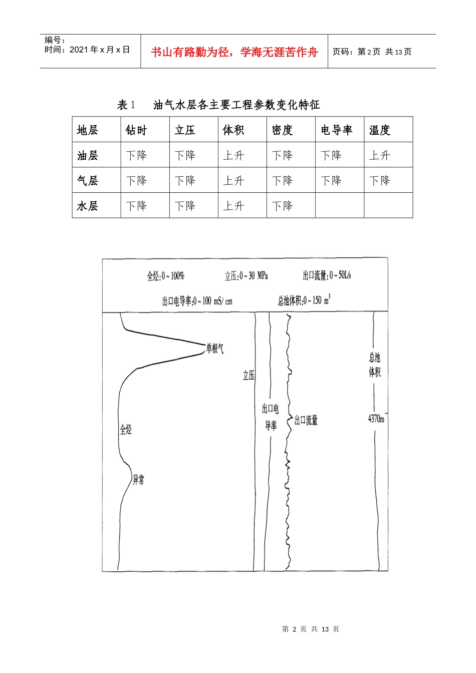
第1页共13页编号:时间:2021年x月x日书山有路勤为径,学海无涯苦作舟页码:第1页共13页工程录井参数的地质应用韩涛(大庆油田地质录井分公司)摘要从传统意义上讲,工程录井参数应用于实时钻井监控和随钻地层压力检测倍受人们的重视,而将其应用于确定流体性质、划分盐膏层以及确定地层界面等地质应用方面尚未引起人们的足够重视。该文从工程录井参数与相关地质因素关系出发,探讨了利用钻时、钻井液密度、电导率、池体积等工程参数进行地层划分、储集层评价以及卡取潜山界面等方面的相互关系和实例,总结归纳了一些规律性的特征。对扩展工程录井参数应用范围、提升其应用水平以及深入研究工程参数的地质意义具有推动作用。关键词工程录井参数应用地层划分储集层评价地层界面0引言众所周知,综合录井仪的工程录井参数对指导安全钻井起到了极为重要的作用,如对钻头寿命、钻具刺穿、井涌、井漏、断钻具等的预报和监测,这些功能同时也为保护油气层、缩短建井周期等综合勘探效益起到了积极的作用。近二十年实践证明,综合录井仪在实时钻井监控、随钻地层压力检测等方面发挥了不可替代的重要作用。另外,综合录井仪的工程录井参数对油气层解释及其他方面的地质工作有着较好的应用效果。1油气水层与钻井液参数的关系工程参数的变化对综合分析地层流体性质有着重要的参考意义。参数的变化幅度可用于定性分析产能,而钻井液温度、电导率的变化可用来区分油气水层。钻遇油气水层时,各主要工程参数的变化见表1。第2页共13页第1页共13页编号:时间:2021年x月x日书山有路勤为径,学海无涯苦作舟页码:第2页共13页表1油气水层各主要工程参数变化特征地层钻时立压体积密度电导率温度油层下降下降上升下降下降上升气层下降下降上升下降下降下降水层下降下降上升下降第3页共13页第2页共13页编号:时间:2021年x月x日书山有路勤为径,学海无涯苦作舟页码:第3页共13页图1C25井录井参数图1为C25井录井参数示意图。钻开井深4370m以后,钻井液密度由1.21g/cm3下降到1.20g/cm3,总池体积由146.00m3上升到147.86m3,出口电导率由68mS/cm下降到66mS/cm,立压由16.6MPa下降到16.0MPa,全烃由4.5%上升到8.0%,虽然随钻异常值远低于接单根气31%,电导率等各工程录井参数均有明显变化,证明该层有较高的产能。根据该地区地层水矿化度较高的特点,该层不可能为水层,结合地层特征,分析认为以出油为主。经测试,日产原油22t,水0.12m3。第4页共13页第3页共13页编号:时间:2021年x月x日书山有路勤为径,学海无涯苦作舟页码:第4页共13页图2X160井录井参数图2为X160井录井参数示意图。在钻开井深3198m之后进行地质循环过程中,气测及相关工程参数均有明显异常,从图上可以看出,全烃异常值由4.0%上升到95%,池体积由60.5m3上升到67.5m3,密度由1.50g/cm3下降到1.05g/cm3,温度由58℃上升到62℃,立压由9.5MPa下降到8.0MPa,分析认为是高产油层特征,综合解释为油层。经3198~3202m进行测试,日产原油27.6t。2油气层与盐水层的区分第5页共13页第4页共13页编号:时间:2021年x月x日书山有路勤为径,学海无涯苦作舟页码:第5页共13页钻至盐水层时,气测全烃值及甲烷含量往往都特别高,单凭气测资料往往难以与油气层进行区分,究其原因,主要有以下两点:①石油在水中的溶解度随水中盐度的增加而减少,如戊烷、苯、甲苯和甲环戊烷在含20%NaCl溶液中的溶解度分别是蒸馏水中的溶解度的15%、20%、19%和14%。如果含盐度达到35%,那么烃的可溶性将减少93%~99%。随着地层水中含盐量的增加,烃类气体溶解度变小,使钻井液背景气中的溶解气大部分变成了游离气;②油气运移过程中大量烃类气体与地层水共同运移,致使水层烃类含量较高。但由于其含盐量较高,电导率变大,因而可轻易地凭借电导率曲线进行区分。如Y891井位于东营凹陷董集洼陷东坡,临近一条东西向南掉断层,在沙三中2786.7~2800.9m钻遇盐水层。岩屑录井为浅灰色油迹粉砂岩;2786.7~2793.0m井壁取心见两颗浅灰色油斑粉砂岩、3颗灰色荧光粉砂岩、1颗灰色粉砂岩,2793.0m后见7颗灰色粉砂岩;气测全烃由5.4%上升至82%,甲烷86%,之后全烃降至40%左右,甲烷升至91%;钻井液变成“豆腐脑”状,出口电导率检测值在2786.7~279...

1、当您付费下载文档后,您只拥有了使用权限,并不意味着购买了版权,文档只能用于自身使用,不得用于其他商业用途(如 [转卖]进行直接盈利或[编辑后售卖]进行间接盈利)。
2、本站所有内容均由合作方或网友上传,本站不对文档的完整性、权威性及其观点立场正确性做任何保证或承诺!文档内容仅供研究参考,付费前请自行鉴别。
3、如文档内容存在违规,或者侵犯商业秘密、侵犯著作权等,请点击“违规举报”。

碎片内容

录井工程参数的地质应用

确认删除?
VIP
微信客服
  • 扫码咨询
会员Q群
  • 会员专属群点击这里加入QQ群
客服邮箱
回到顶部