电脑桌面
添加小米粒文库到电脑桌面
安装后可以在桌面快捷访问

建设工程施工安全监督登记表(6)(1)VIP专享VIP免费

建设工程施工安全监督登记表(6)(1)_第1页
1/8
建设工程施工安全监督登记表(6)(1)_第2页
2/8
建设工程施工安全监督登记表(6)(1)_第3页
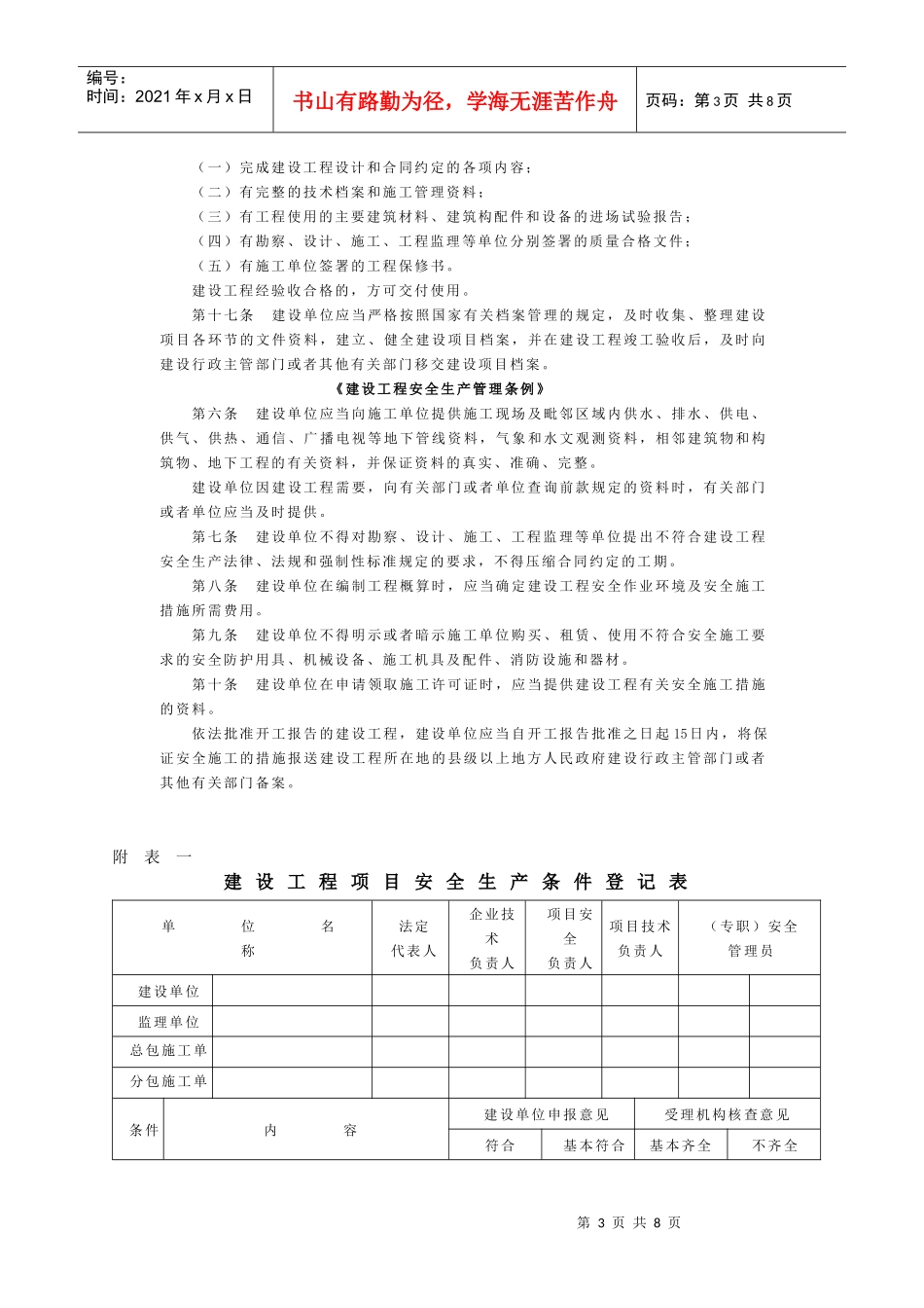
3/8
第1页共8页编号:时间:2021年x月x日书山有路勤为径,学海无涯苦作舟页码:第1页共8页建设工程施工安全监督登记表工程名称:建设单位(盖章):说明:1、本表由建设单位填写,一式六份,市建设与管理局、建设单位、施工单位、监理单位各一份,厦门市建设工程质量安全监督站存二份。2、如一次申报多个单位工程,应附单位工程明细表(单位工程名称、结构类型、层数、面积、造价、电梯台数、项目经理、专职安全员)。3、办理地点:斗西路209号电控大厦5楼厦门市建设工程质量安全监督站第2页共8页第1页共8页编号:时间:2021年x月x日书山有路勤为径,学海无涯苦作舟页码:第2页共8页厦门市建设工程质量安全监督站印制建设单位质量安全责任《建设工程质量管理条例》第七条建设单位应当将工程发包给具有相应资质等级的单位。建设单位不得将建设工程肢解发包。第八条建设单位应当依法对工程建设项目的勘察、设计、施工、监理以及与工程建设有关的重要设备、材料等的采购进行招标。第九条建设单位必须向有关的勘察、设计、施工、工程监理等单位提供与建设工程有关的原始资料。原始资料必须真实、准确、齐全。第十条建设工程发包单位不得迫使承包方以低于成本的价格竞标,不得任意压缩合理工期。建设单位不得明示或者暗示设计单位或者施工单位违反工程建设强制性标准,降低建设工程质量。第十一条建设单位应当将施工图设计文件报县级以上人民政府建设行政主管部门或者其他有关部门审查。施工图设计文件审查的具体办法,由国务院建设行政主管部门会同国务院其他有关部门制定。施工图设计文件未经审查批准的,不得使用。第十二条实行监理的建设工程,建设单位应当委托具有相应资质等级的工程监理单位进行监理,也可以委托具有工程监理相应资质等级并与被监理工程的施工承包单位没有隶属关系或者其他利害关系的该工程的设计单位进行监理。下列建设工程必须实行监理:(一)国家重点建设工程;(二)大中型公用事业工程;(三)成片开发建设的住宅小区工程;(四)利用外国政府或者国际组织贷款、援助资金的工程;(五)国家规定必须实行监理的其他工程。第十三条建设单位在领取施工许可证或者开工报告前,应当按照国家有关规定办理工程质量监督手续。第十四条按照合同约定,由建设单位采购建筑材料、建筑构配件和设备的,建设单位应当保证建筑材料、建筑构配件和设备符合设计文件和合同要求。建设单位不得明示或者暗示施工单位使用不合格的建筑材料、建筑构配件和设备。第十五条涉及建筑主体和承重结构变动的装修工程,建设单位应当在施工前委托原设计单位或者具有相应资质等级的设计单位提出设计方案;没有设计方案的,不得施工。房屋建筑使用者在装修过程中,不得擅自变动房屋建筑主体和承重结构。第十六条建设单位收到建设工程竣工报告后,应当组织设计、施工、工程监理等有关单位进行竣工验收。建设工程竣工验收应当具备下列条件:第3页共8页第2页共8页编号:时间:2021年x月x日书山有路勤为径,学海无涯苦作舟页码:第3页共8页(一)完成建设工程设计和合同约定的各项内容;(二)有完整的技术档案和施工管理资料;(三)有工程使用的主要建筑材料、建筑构配件和设备的进场试验报告;(四)有勘察、设计、施工、工程监理等单位分别签署的质量合格文件;(五)有施工单位签署的工程保修书。建设工程经验收合格的,方可交付使用。第十七条建设单位应当严格按照国家有关档案管理的规定,及时收集、整理建设项目各环节的文件资料,建立、健全建设项目档案,并在建设工程竣工验收后,及时向建设行政主管部门或者其他有关部门移交建设项目档案。《建设工程安全生产管理条例》第六条建设单位应当向施工单位提供施工现场及毗邻区域内供水、排水、供电、供气、供热、通信、广播电视等地下管线资料,气象和水文观测资料,相邻建筑物和构筑物、地下工程的有关资料,并保证资料的真实、准确、完整。建设单位因建设工程需要,向有关部门或者单位查询前款规定的资料时,有关部门或者单位应当及时提供。第七条建设单位不得对勘察、设计、施工、工程监理等单位提出不符合建设工程安全生产法律、法规和强制...

1、当您付费下载文档后,您只拥有了使用权限,并不意味着购买了版权,文档只能用于自身使用,不得用于其他商业用途(如 [转卖]进行直接盈利或[编辑后售卖]进行间接盈利)。
2、本站所有内容均由合作方或网友上传,本站不对文档的完整性、权威性及其观点立场正确性做任何保证或承诺!文档内容仅供研究参考,付费前请自行鉴别。
3、如文档内容存在违规,或者侵犯商业秘密、侵犯著作权等,请点击“违规举报”。

碎片内容

建设工程施工安全监督登记表(6)(1)

精品中小学文档+ 关注
实名认证
内容提供者

精品资料,值得下载

确认删除?
VIP
微信客服
  • 扫码咨询
会员Q群
  • 会员专属群点击这里加入QQ群
客服邮箱
回到顶部