电脑桌面
添加小米粒文库到电脑桌面
安装后可以在桌面快捷访问

建筑工程材料见证取样手册VIP免费

建筑工程材料见证取样手册_第1页
1/57
建筑工程材料见证取样手册_第2页
2/57
建筑工程材料见证取样手册_第3页
3/57
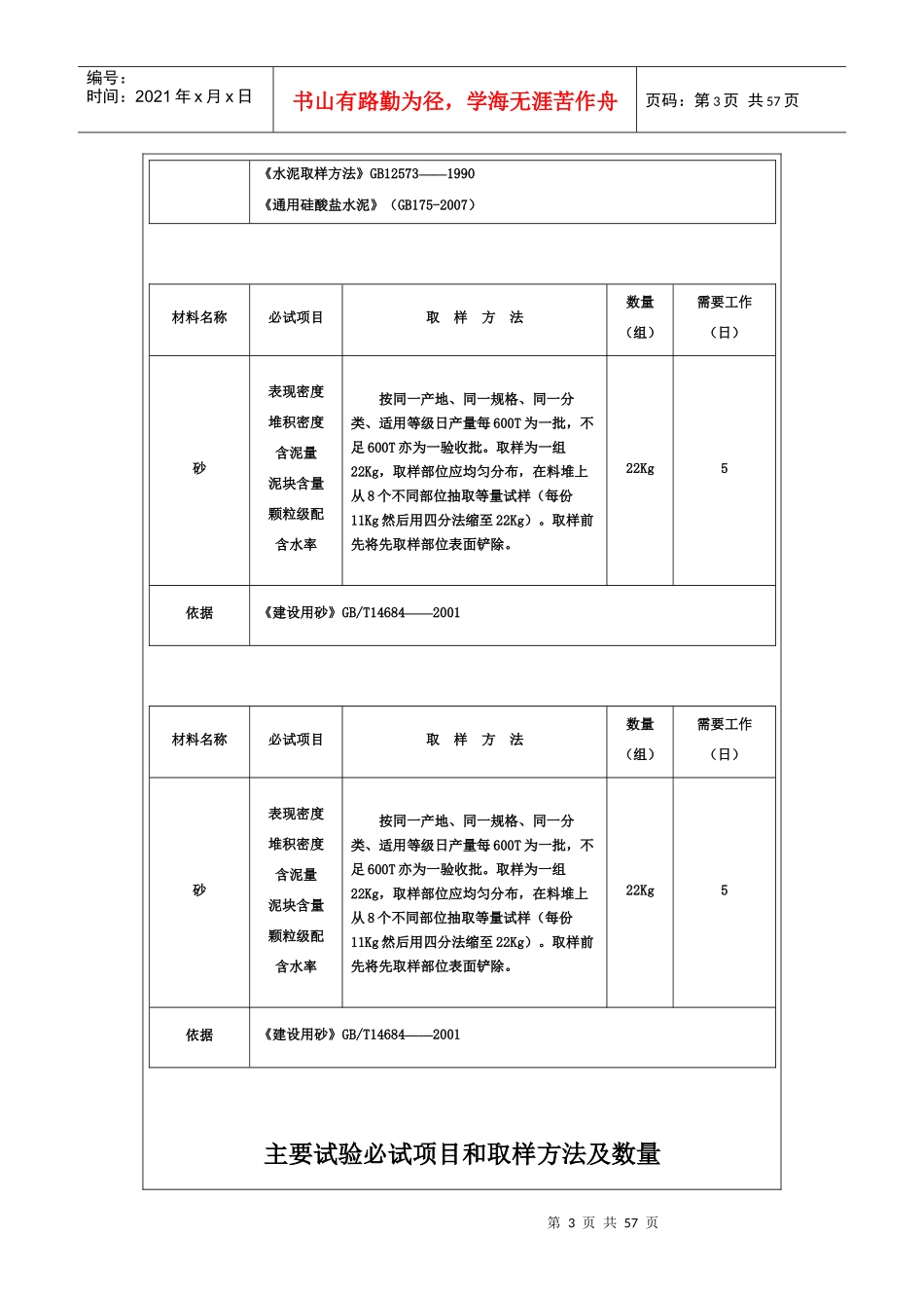
第1页共57页编号:时间:2021年x月x日书山有路勤为径,学海无涯苦作舟页码:第1页共57页建筑工程材料见证取样手册建筑工程材料见证取样手册德清县建安建设工程检测有限公司二零一零年八月第2页共57页第1页共57页编号:时间:2021年x月x日书山有路勤为径,学海无涯苦作舟页码:第2页共57页建筑工程材料见证取样手册主要试验必试项目和取样方法及数量材料名称必试项目取样方法数量(组)需要工作(日)水泥安定性胶砂流动度强度初凝时间细度按同一生产厂家、同一等级、同一品种、同一批号且连续进场的水泥,①袋装≤200T为一批,从20个以上不同部位或20袋中取同等量样品拌合均匀总量12Kg为一组。②散袋≤500T为一批,随机地从不少于3个罐中各取同等量水泥,经拌合均匀后再从中称取不少于12Kg为一组。12Kg5强度30依据《混凝土结构工程施工质量验收规范》GB50204——2002《水泥取样方法》GB12573——1990《通用硅酸盐水泥》(GB175-2007)材料名称必试项目取样方法数量(组)需要工作(日)水泥安定性胶砂流动度强度初凝时间细度按同一生产厂家、同一等级、同一品种、同一批号且连续进场的水泥,①袋装≤200T为一批,从20个以上不同部位或20袋中取同等量样品拌合均匀总量12Kg为一组。②散袋≤500T为一批,随机地从不少于3个罐中各取同等量水泥,经拌合均匀后再从中称取不少于12Kg为一组。12Kg5强度30依据《混凝土结构工程施工质量验收规范》GB50204——2002第3页共57页第2页共57页编号:时间:2021年x月x日书山有路勤为径,学海无涯苦作舟页码:第3页共57页《水泥取样方法》GB12573——1990《通用硅酸盐水泥》(GB175-2007)材料名称必试项目取样方法数量(组)需要工作(日)砂表现密度堆积密度含泥量泥块含量颗粒级配含水率按同一产地、同一规格、同一分类、适用等级日产量每600T为一批,不足600T亦为一验收批。取样为一组22Kg,取样部位应均匀分布,在料堆上从8个不同部位抽取等量试样(每份11Kg然后用四分法缩至22Kg)。取样前先将先取样部位表面铲除。22Kg5依据《建设用砂》GB/T14684——2001材料名称必试项目取样方法数量(组)需要工作(日)砂表现密度堆积密度含泥量泥块含量颗粒级配含水率按同一产地、同一规格、同一分类、适用等级日产量每600T为一批,不足600T亦为一验收批。取样为一组22Kg,取样部位应均匀分布,在料堆上从8个不同部位抽取等量试样(每份11Kg然后用四分法缩至22Kg)。取样前先将先取样部位表面铲除。22Kg5依据《建设用砂》GB/T14684——2001主要试验必试项目和取样方法及数量第4页共57页第3页共57页编号:时间:2021年x月x日书山有路勤为径,学海无涯苦作舟页码:第4页共57页材料名称必试项目取样方法数量(组)需要工作(日)石子表现密度堆积密度含泥量泥块含量针片状颗粒的总含量压碎指标值颗粒级配按同一产地、同一规格、同一分类、适用等级日产量每600T为一批,不足600T亦为一验收批。取样为一组40Kg(最大粒径9.5、16、19mm)或80Kg(最大粒径26.5、31.5、37.5mm)取样部位应均匀分布。在堆料上从五个不同部位抽取大致相等的试样15份(在料堆的顶部、中部、底部)每份5—10Kg,然后缩分至40)Kg或80Kg送试。(粒径9.5-19)40Kg5(粒径26.5-37.5)80Kg依据《建筑用卵石、碎石》GB/T14685——2001主要试验必试项目和取样方法及数量材料名称必试项目取样方法数量(组)需要工作(日)石子表现密度堆积密度含泥量按同一产地、同一规格、同一分类、适用等级日产量每600T为一批,不足600T亦为一验收批。取样为一组40Kg(最大粒径9.5、16、19mm)或80Kg(最大粒径(粒径9.5-19)40Kg5第5页共57页第4页共57页编号:时间:2021年x月x日书山有路勤为径,学海无涯苦作舟页码:第5页共57页泥块含量针片状颗粒的总含量压碎指标值颗粒级配26.5、31.5、37.5mm)取样部位应均匀分布。在堆料上从五个不同部位抽取大致相等的试样15份(在料堆的顶部、中部、底部)每份5—10Kg,然后缩分至40)Kg或80Kg送试。(粒径26.5-37.5)80Kg依据《建筑用卵石、碎石》GB/T14685——2001主要试验必试项目和取样方法及数量材料名称必试项目取样方法数量(组)需要工作(日)普通混凝...

1、当您付费下载文档后,您只拥有了使用权限,并不意味着购买了版权,文档只能用于自身使用,不得用于其他商业用途(如 [转卖]进行直接盈利或[编辑后售卖]进行间接盈利)。
2、本站所有内容均由合作方或网友上传,本站不对文档的完整性、权威性及其观点立场正确性做任何保证或承诺!文档内容仅供研究参考,付费前请自行鉴别。
3、如文档内容存在违规,或者侵犯商业秘密、侵犯著作权等,请点击“违规举报”。

碎片内容

建筑工程材料见证取样手册

您可能关注的文档

确认删除?
VIP
微信客服
  • 扫码咨询
会员Q群
  • 会员专属群点击这里加入QQ群
客服邮箱
回到顶部