电脑桌面
添加小米粒文库到电脑桌面
安装后可以在桌面快捷访问

数控毕业设计VIP专享VIP免费

数控毕业设计_第1页
1/22
数控毕业设计_第2页
2/22
数控毕业设计_第3页
3/22
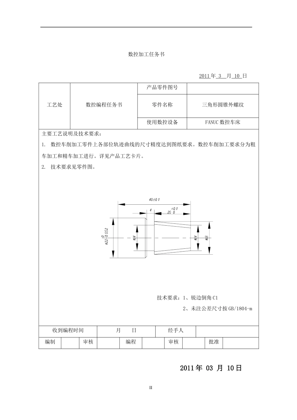
毕业设计任务书设计题目:三角形圆锥外螺纹加工任务与要求:⑴熟悉并掌握数控编程中坐标系与坐标原点、起始点的确定,以及程序编制的相关知识。从手工编程的角度出发,掌握和运用加工运行轨迹和节点尺寸的数学计算。⑵说明程序中使用的工件装夹、刀具类型、加工工艺、数控粗、精加工的内容和先后顺序。⑶画出数控加工走刀路线图,注意刀具切入和切出的方法。⑷编制数控车削加工程序。⑸掌握刀具、夹具的装夹与数控加工对刀等实际操作。材料为硬铝I数控加工任务书2011年3月10日工艺处数控编程任务书产品零件图号零件名称三角形圆锥外螺纹使用数控设备FANUC数控车床主要工艺说明及技术要求:1.数控车削加工零件上各部位轨迹曲线的尺寸精度达到图纸要求。数控车削加工要求分为粗车加工和精车加工进行。详见产品工艺卡片。2.技术要求见零件图。技术要求:1、锐边倒角C12、未注公差尺寸按GB/1804-m收到编程时间月日经手人编制审核编程审核批准2011年03月10日II毕业设计进度计划表日期工作内容执行情况指导教师签字02.1602.18工艺分析工艺处理完成03.0203.03加工刀具选择数控加工工艺卡与切削用量选择完成03.04机床刀具运行轨迹图与运行节点坐标完成03.0603.07数控加工程序单使用设备、夹具、刀具与材料等完成03.0803.09数控加工任务书数控系统辅助参数确定完成03.1003.1104.02数控加工刀具安装数控夹具与工件安装完成03.1303.14数控加工对到操作设计小结、参考文献完成III指导教师对进度计划实施情况总评签名年月日本表评定学生平时成绩的依据之一。摘要本设计是利用UGX5.0来完成的一套完整的设计。该说明书主要描素了该零件的整体建模过程,系统的阐述了该零件的工艺分析,有具体的零件分析和工艺路线,对零件的加工工艺、刀具的选择、机床工装的选择等,分析明确,有完整的分析过程和加工方案,且加工工艺路线合理和满足要求。我相信经过指导老师的指导和我们本组同学的共同努力还有全班同学们的帮助,本次设计一定会使我们对实体零件的工艺分析和加工路线有了一定的深刻认识,对我们以后的工作和学习有很大的帮助。关键词工艺分析刀具运行轨迹数控编程IV目录一、工艺分析.........................................................................................................11、零件结构分析.............................................................................................12、零件精度分析.............................................................................................13、零件装夹分析.............................................................................................14、零件加工刀具分析.....................................................................................15、定位基准分析.............................................................................................16、毛坯余量分析.............................................................................................17、数控车削加工方式分析.............................................................................2二、使用的设备、夹具、刀具与材料等...............................................................2三、工艺处理...........................................................................................................21、零件预备加工工艺.....................................................................................22、零件数控加工工艺.....................................................................................22.1数控车削加工时的零件装夹方式.....................................................2V2.2三角形圆锥外螺纹数控加工工序.....................................................23、零件后续工艺.............................................................................................3四、零件安装、工件坐标系零件...

1、当您付费下载文档后,您只拥有了使用权限,并不意味着购买了版权,文档只能用于自身使用,不得用于其他商业用途(如 [转卖]进行直接盈利或[编辑后售卖]进行间接盈利)。
2、本站所有内容均由合作方或网友上传,本站不对文档的完整性、权威性及其观点立场正确性做任何保证或承诺!文档内容仅供研究参考,付费前请自行鉴别。
3、如文档内容存在违规,或者侵犯商业秘密、侵犯著作权等,请点击“违规举报”。

碎片内容

数控毕业设计

确认删除?
VIP
微信客服
  • 扫码咨询
会员Q群
  • 会员专属群点击这里加入QQ群
客服邮箱
回到顶部