电脑桌面
添加小米粒文库到电脑桌面
安装后可以在桌面快捷访问

商用表格印刷机安全操作手册VIP免费

商用表格印刷机安全操作手册_第1页
1/33
商用表格印刷机安全操作手册_第2页
2/33
商用表格印刷机安全操作手册_第3页
3/33
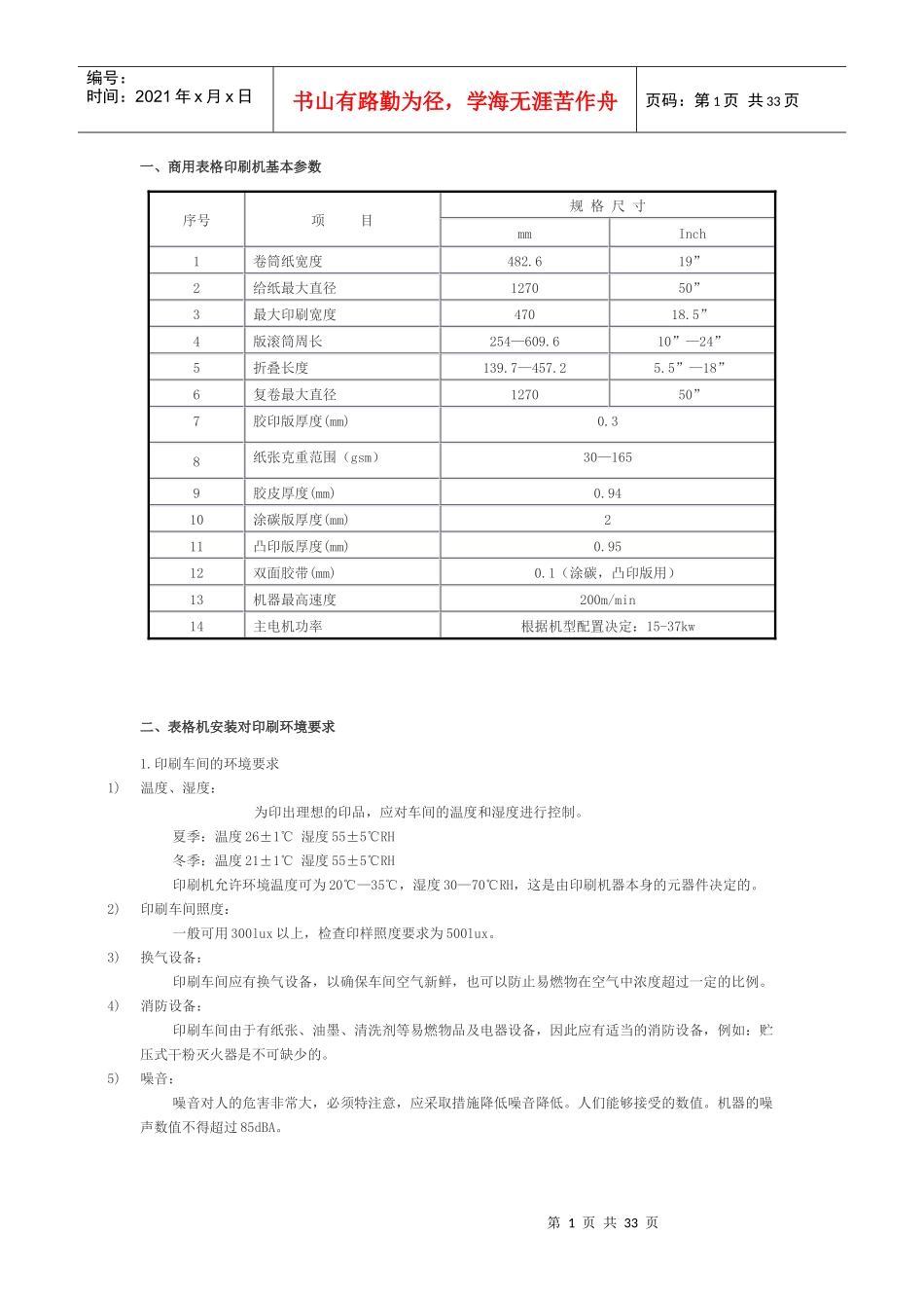
第1页共33页编号:时间:2021年x月x日书山有路勤为径,学海无涯苦作舟页码:第1页共33页一、商用表格印刷机基本参数序号项目规格尺寸mmInch1卷筒纸宽度482.619”2给纸最大直径127050”3最大印刷宽度47018.5”4版滚筒周长254—609.610”—24”5折叠长度139.7—457.25.5”—18”6复卷最大直径127050”7胶印版厚度(mm)0.38纸张克重范围(gsm)30—1659胶皮厚度(mm)0.9410涂碳版厚度(mm)211凸印版厚度(mm)0.9512双面胶带(mm)0.1(涂碳,凸印版用)13机器最高速度200m/min14主电机功率根据机型配置决定:15-37kw二、表格机安装对印刷环境要求1.印刷车间的环境要求1)温度、湿度:为印出理想的印品,应对车间的温度和湿度进行控制。夏季:温度26±1℃湿度55±5℃RH冬季:温度21±1℃湿度55±5℃RH印刷机允许环境温度可为20℃—35℃,湿度30—70℃RH,这是由印刷机器本身的元器件决定的。2)印刷车间照度:一般可用300lux以上,检查印样照度要求为500lux。3)换气设备:印刷车间应有换气设备,以确保车间空气新鲜,也可以防止易燃物在空气中浓度超过一定的比例。4)消防设备:印刷车间由于有纸张、油墨、清洗剂等易燃物品及电器设备,因此应有适当的消防设备,例如:贮压式干粉灭火器是不可缺少的。5)噪音:噪音对人的危害非常大,必须特注意,应采取措施降低噪音降低。人们能够接受的数值。机器的噪声数值不得超过85dBA。第2页共33页第1页共33页编号:时间:2021年x月x日书山有路勤为径,学海无涯苦作舟页码:第2页共33页如果印刷车间同时开动多台机器,噪音数值可能会超过85dBA。必须采取措施。如:车间采用吸音材料,操作者带防护装置,或者把噪音大的声源(空压机、气泵)移到车间外等措施,本机实测噪音(平均)85dBA。2.机器安装地面要求1)印刷机应安装在坚固、无震动的基础上。基础表面必须平整,机器安装范围内地面不平度应小于10mm,地面承载不低于3000kg/m2,抗压强度应不低于3.2Mpa。对地基较松软的基础须进一步加固。地基的深度可视土质而稍作变动,厂房附近有较大的震源,则地基四周须加防震槽.2)机器两侧离墙体的距离不小于1.5m,前后两头离墙体的距离不小于2m。3.电气系统对用户提供安装条件的要求用户负责对机器的电气系统提供动力电源。1)动力电源应为三相五线制380V,50Hz,400A电源,其中中线(N)地线(TE)作为机器的保护接地总线,因此要求地线要有良好的接地性能。电源电压应保证均衡,波动范围不应超过±10%。2)电源线由用户自备,导线规格:185mm?2?黑色,数量3根;95mm?2?黄绿相间色,数量1根;导线长度根据现场确定,分别安到主电气箱的A1、A2、A3、TE接线柱上。动力电源的容量不小于85KVA,用户必须在机器外部设置单独的动力开关。3)如设备有热风、UV干燥装置,需要单独设置电源、要求与动力电源的要求相同。三、表格机胶辊规格表喷水型胶印机组胶辊规格表:名称件数数量材料辊径辊体长总长硬度Hsh传墨辊11橡胶6548058038º~40º匀墨辊55橡胶6548058038º~40º着水辊11橡胶64.152059820º匀水辊22橡胶64.152059820º着墨辊11橡胶7548059825º~30º着墨辊11橡胶56.848055625º~30º连续给水型胶印机组胶辊规格表:名称件数数量材料辊径辊体长总长硬度Hsh传墨辊11橡胶6548058030º~40º第3页共33页第2页共33页编号:时间:2021年x月x日书山有路勤为径,学海无涯苦作舟页码:第3页共33页匀墨辊55橡胶6548058038º~40º着墨辊11橡胶7548059825º~30º着水墨辊11橡胶56.850054223º~25º出水辊11橡胶6452460825°四、表格机同步齿型带规格表序号项目代码规格型号数量使用部位11020307570H1001给纸机组2N289-40201T5-7003胶印机组3N292-21041T5-3501加工部切边机构4N292-58811T5-4001加工部边缘孔51020308630H1001张力机组61020301T10-5002张力机组、连续给水7N342-SD20304T5-5001裁单张机组8N342-SD30336T10-8001裁单张机组9N342-SD30419T10-4501裁单张机组10N342-SD40202450H1001裁单张机组11N342-SD10205T10-18001裁单张连切边机构12N293-314DT10-15-1101折页机组双面皮带13N293-315T10-25-1451折页机组141020300770H1001折页机组151020302T10-7001折页机...

1、当您付费下载文档后,您只拥有了使用权限,并不意味着购买了版权,文档只能用于自身使用,不得用于其他商业用途(如 [转卖]进行直接盈利或[编辑后售卖]进行间接盈利)。
2、本站所有内容均由合作方或网友上传,本站不对文档的完整性、权威性及其观点立场正确性做任何保证或承诺!文档内容仅供研究参考,付费前请自行鉴别。
3、如文档内容存在违规,或者侵犯商业秘密、侵犯著作权等,请点击“违规举报”。

碎片内容

商用表格印刷机安全操作手册

确认删除?
VIP
微信客服
  • 扫码咨询
会员Q群
  • 会员专属群点击这里加入QQ群
客服邮箱
回到顶部