电脑桌面
添加小米粒文库到电脑桌面
安装后可以在桌面快捷访问

宁波市中等职业学校机械专业技能统考方案(工具钳工)VIP免费

宁波市中等职业学校机械专业技能统考方案(工具钳工)_第1页
1/9
宁波市中等职业学校机械专业技能统考方案(工具钳工)_第2页
2/9
宁波市中等职业学校机械专业技能统考方案(工具钳工)_第3页
3/9
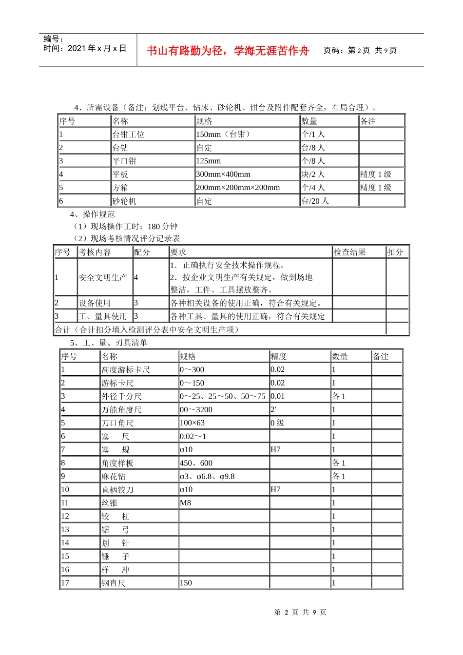
第1页共9页编号:时间:2021年x月x日书山有路勤为径,学海无涯苦作舟页码:第1页共9页宁波市中等职业学校机械专业技能统考方案(工具钳工)一、统考项目:工具钳工二、统考目的:通过技能统考,检验各校学生的实际工艺实施能力、操作水平以及质量、效益、成本和安全意识,检验各职业学校专业实践教学水平,促进学校教育教学改革,推动实训教学,展示中等职业学校办学成果。三、参加对象:宁波市各开设机械专业的职业学校必须报名参加。参加的学生为具有初级工水平的机械专业学生,所有机械大类专业的学生都必须参加技能统考。四、参加形式:以《机械识图》等会考一样,具体安排看宁波职成教信息网。五、测试内容:测试内容主要包括锯、锉、钻、铰、划线、锉配等部分:即在规定时间内完成以下任务:按《中华人民共和国国家职业标准——工具钳工》三级(初级工)的实际操作技能要求,在180分钟内完成规定技术图样工件的加工。试题在宁波市机械实训技能题库(钳工)中选取,满分为100分,60分为合格。六、安全操作规程:1、工作前将劳保用品穿戴整齐,并检查工具是否齐全可靠。2、使用手锯、锉刀、刮刀时应精力集中、工件一定要夹牢、铁屑不得用嘴吹、手摸,应使用专用工具清扫。3、工作完后及时清理现场。4、钻头和工件要装卡牢固可靠,装卸钻头要用专用钥匙,不得乱剔,操作时严禁戴手套。5、不准用手摸旋转的钻头和其它运动部件,运转设备未停稳时,禁止用手制动,变速时必须停车。6、不得用机用铰刀进行铰孔加工,不得用机用丝锥进行攻牙加工。七、统考场地、设施、设备、工、量、刃具及毛坯:1、工位:每个工位1人,对号入位,工位不得自行调整。2、各校应提供台钻、砂轮机、工作台等基本设施及环境布置,并根据宁波市职成教研室的要求统一准备工件毛坯。3、毛坯准备(说明:以下为1位参赛选手所需材料,题库中的工件所用到的毛坯尺寸一致)。序号材料名称规格数量备注1Q235钢60×70×81精度保证±0.04第2页共9页第1页共9页编号:时间:2021年x月x日书山有路勤为径,学海无涯苦作舟页码:第2页共9页4、所需设备(备注:划线平台、钻床、砂轮机、钳台及附件配套齐全,布局合理)。序号名称规格数量备注1台钳工位150mm(台钳)个/1人2台钻自定台/8人3平口钳125mm个/8人4平板300mm×400mm块/2人精度1级5方箱200mm×200mm×200mm个/4人精度1级6砂轮机自定台/20人4、操作规范(1)现场操作工时:180分钟(2)现场考核情况评分记录表序号考核内容配分要求检查结果扣分1安全文明生产41.正确执行安全技术操作规程。2.按企业文明生产有关规定,做到场地整洁,工件、工具摆放整齐。2设备使用3各种相关设备的使用正确,符合有关规定。3工、量具使用3各种工具、量具的使用正确,符合有关规定合计(合计扣分填入检测评分表中安全文明生产项)5、工、量、刃具清单序号名称规格精度数量备注1高度游标卡尺0~3000.0212游标卡尺0~1500.0213外径千分尺0~25、25~50、50~750.01各14万能角度尺00~32002′15刀口角尺100×630级16塞尺0.02~117塞规φ10H718角度样板450、600各19麻花钻φ3、φ6.8、φ9.8各110直柄铰刀φ10H7111丝锥M8112铰杠113锯弓114划针115锤子116样冲117钢直尺1501第3页共9页第2页共9页编号:时间:2021年x月x日书山有路勤为径,学海无涯苦作舟页码:第3页共9页18粗扁锉250119中扁锉200,150120细扁锉150121粗三角锉250122细三角锉150123软钳口板124锉刀刷125毛刷1八、统考试题库:1、工件一:(1)试件图:(2)检测评分表:序号考核要求配分评分标准检测结果得分第4页共9页第3页共9页编号:时间:2021年x月x日书山有路勤为径,学海无涯苦作舟页码:第4页共9页115±0.2(2处)4×2250±0.2437.5±0.24414±0.046520±0.046610±0.04(2处)6×2740±0.046870±0.046960°±6′(2处)5×210φ10H7411412M8413Ra1.6214Ra3.2(12处)1×1216技术要求1(12处)1×1217安全文明生产(违者扣1~10分)2、工件二:(第5页共9页第4页共9页编号:时间:2021年x月x日书山有路勤为径,学海无涯苦作舟页码:第5页共9页(2)检测评分表:序号考核要求配分评分标准检测结果得分125±0.24255...

1、当您付费下载文档后,您只拥有了使用权限,并不意味着购买了版权,文档只能用于自身使用,不得用于其他商业用途(如 [转卖]进行直接盈利或[编辑后售卖]进行间接盈利)。
2、本站所有内容均由合作方或网友上传,本站不对文档的完整性、权威性及其观点立场正确性做任何保证或承诺!文档内容仅供研究参考,付费前请自行鉴别。
3、如文档内容存在违规,或者侵犯商业秘密、侵犯著作权等,请点击“违规举报”。

碎片内容

宁波市中等职业学校机械专业技能统考方案(工具钳工)

确认删除?
VIP
微信客服
  • 扫码咨询
会员Q群
  • 会员专属群点击这里加入QQ群
客服邮箱
回到顶部