电脑桌面
添加小米粒文库到电脑桌面
安装后可以在桌面快捷访问

历届全国大学生电子设计竞赛题目汇编—PLDVIP专享VIP免费

历届全国大学生电子设计竞赛题目汇编—PLD_第1页
1/9
历届全国大学生电子设计竞赛题目汇编—PLD_第2页
2/9
历届全国大学生电子设计竞赛题目汇编—PLD_第3页
3/9
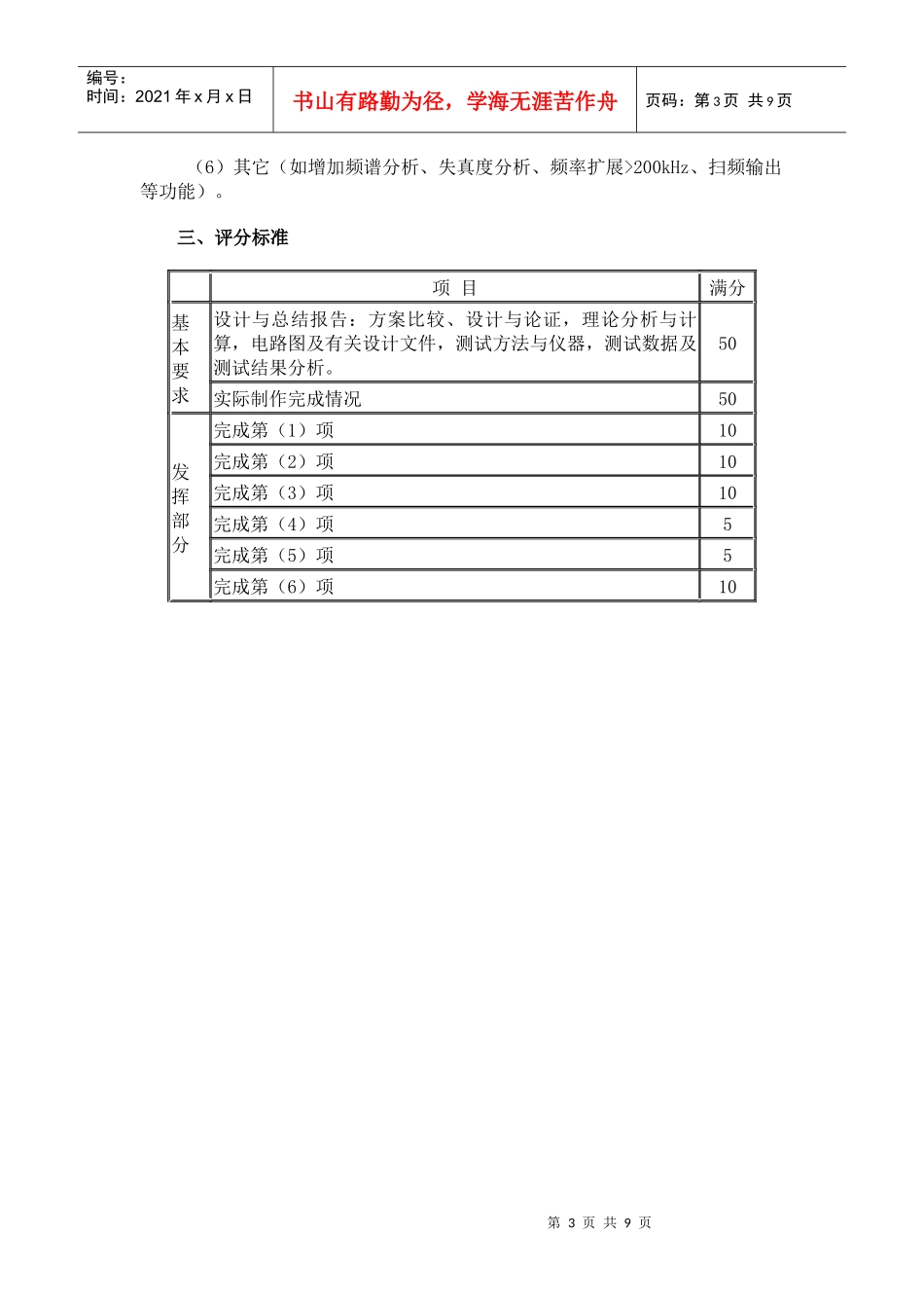
第1页共9页编号:时间:2021年x月x日书山有路勤为径,学海无涯苦作舟页码:第1页共9页第三届(1997年)全国大学生电子设计竞赛题目简易数字频率计一、任务:设计并制作一台数字显示的简易频率计。二、要求1.基本要求(1)频率测量a.测量范围信号:方波、正弦波;幅度:0.5V~5V;频率:1Hz~1MHzb.测量误差≤0.1%(2)周期测量a.测量范围信号:方波、正弦波;幅度:0.5V~5V;频率:1Hz~1MHzb.测量误差≤0.1%(3)脉冲宽度测量a.测量范围信号:脉冲波;幅度:0.5V~5V;脉冲宽度≥100μsb.测量误差≤1%(4)显示器,十进制数字显示,显示刷新时间1~10秒连续可调,对上述三种测量功能分别用不同颜色的发光二极管指示。(5)具有自校功能,时标信号频率为1MHz。(6)自行设计并制作满足本设计任务要求的稳压电源。2.发挥部分(1)扩展频率测量范围为0.1Hz~10MHz(信号幅度0.5V~5V),测量误差降低为0.01%(最大闸门时间≤10s)。(2)测量并显示周期脉冲信号(幅度0.5V~5V、频率1Hz~1kHz)的占空比,占空比变化范围为10%~90%,测量误差≤1%。(3)在1Hz~1MHz范围内及测量误差≤1%的条件下,进行小信号的频率测量,提出并实现抗干扰的措施。三、评分意见项目得分基本要求设计与总结报告:方案设计与论证,理论分析与计算,电路图,测试方法与数据,对测试结果的分析50实际制作完成情况50发挥部分完成第(1)项10完成第(2)项10完成第(3)项20特色与创新10第2页共9页第1页共9页编号:时间:2021年x月x日书山有路勤为径,学海无涯苦作舟页码:第2页共9页第五届(2001年)全国大学生电子设计竞赛题目A题波形发生器一、任务设计制作一个波形发生器,该波形发生器能产生正弦波、方波、三角波和由用户编辑的特定形状波形。示意图如下:二、要求1.基本要求(1)具有产生正弦波、方波、三角波三种周期性波形的功能。(2)用键盘输入编辑生成上述三种波形(同周期)的线性组合波形,以及由基波及其谐波(5次以下)线性组合的波形。(3)具有波形存储功能。(4)输出波形的频率范围为100Hz~20kHz(非正弦波频率按10次谐波计算);重复频率可调,频率步进间隔≤100Hz。(5)输出波形幅度范围0~5V(峰-峰值),可按步进0.1V(峰-峰值)调整。(6)具有显示输出波形的类型、重复频率(周期)和幅度的功能。2.发挥部分(1)输出波形频率范围扩展至100Hz~200kHz。(2)用键盘或其他输入装置产生任意波形。(3)增加稳幅输出功能,当负载变化时,输出电压幅度变化不大于±3%(负载电阻变化范围:100Ω~∞)。(4)具有掉电存储功能,可存储掉电前用户编辑的波形和设置。(5)可产生单次或多次(1000次以下)特定波形(如产生1个半周期三角波输出)。第3页共9页第2页共9页编号:时间:2021年x月x日书山有路勤为径,学海无涯苦作舟页码:第3页共9页(6)其它(如增加频谱分析、失真度分析、频率扩展>200kHz、扫频输出等功能)。三、评分标准项目满分基本要求设计与总结报告:方案比较、设计与论证,理论分析与计算,电路图及有关设计文件,测试方法与仪器,测试数据及测试结果分析。50实际制作完成情况50发挥部分完成第(1)项10完成第(2)项10完成第(3)项10完成第(4)项5完成第(5)项5完成第(6)项10第4页共9页第3页共9页编号:时间:2021年x月x日书山有路勤为径,学海无涯苦作舟页码:第4页共9页第六届(2003年)全国大学生电子设计竞赛题目简易逻辑分析仪(D题)一、任务设计并制作一个8路数字信号发生器与简易逻辑分析仪,其结构框图如图1所示:二、要求1、基本要求(1)制作数字信号发生器能产生8路可预置的循环移位逻辑信号序列,输出信号为TTL电平,序列时钟频率为100Hz,并能够重复输出。逻辑信号序列示例如图2所示。(2)制作简易逻辑分析仪a.具有采集8路逻辑信号的功能,并可设置单级触发字。信号采集的触发条件为各路被测信号电平与触发字所设定的逻辑状态相同。在满足触发条件时,能对被测信号进行一次采集、存储。第5页共9页第4页共9页编号:时间:2021年x月x日书山有路勤为径,学海无涯苦作舟页码:第5页共9页b.能利用模拟示波器清晰稳定地显示所采集到的...

1、当您付费下载文档后,您只拥有了使用权限,并不意味着购买了版权,文档只能用于自身使用,不得用于其他商业用途(如 [转卖]进行直接盈利或[编辑后售卖]进行间接盈利)。
2、本站所有内容均由合作方或网友上传,本站不对文档的完整性、权威性及其观点立场正确性做任何保证或承诺!文档内容仅供研究参考,付费前请自行鉴别。
3、如文档内容存在违规,或者侵犯商业秘密、侵犯著作权等,请点击“违规举报”。

碎片内容

历届全国大学生电子设计竞赛题目汇编—PLD

确认删除?
VIP
微信客服
  • 扫码咨询
会员Q群
  • 会员专属群点击这里加入QQ群
客服邮箱
回到顶部