电脑桌面
添加小米粒文库到电脑桌面
安装后可以在桌面快捷访问

可再生能源建筑应用示范项目验收评估报告VIP免费

可再生能源建筑应用示范项目验收评估报告_第1页
1/10
可再生能源建筑应用示范项目验收评估报告_第2页
2/10
可再生能源建筑应用示范项目验收评估报告_第3页
3/10
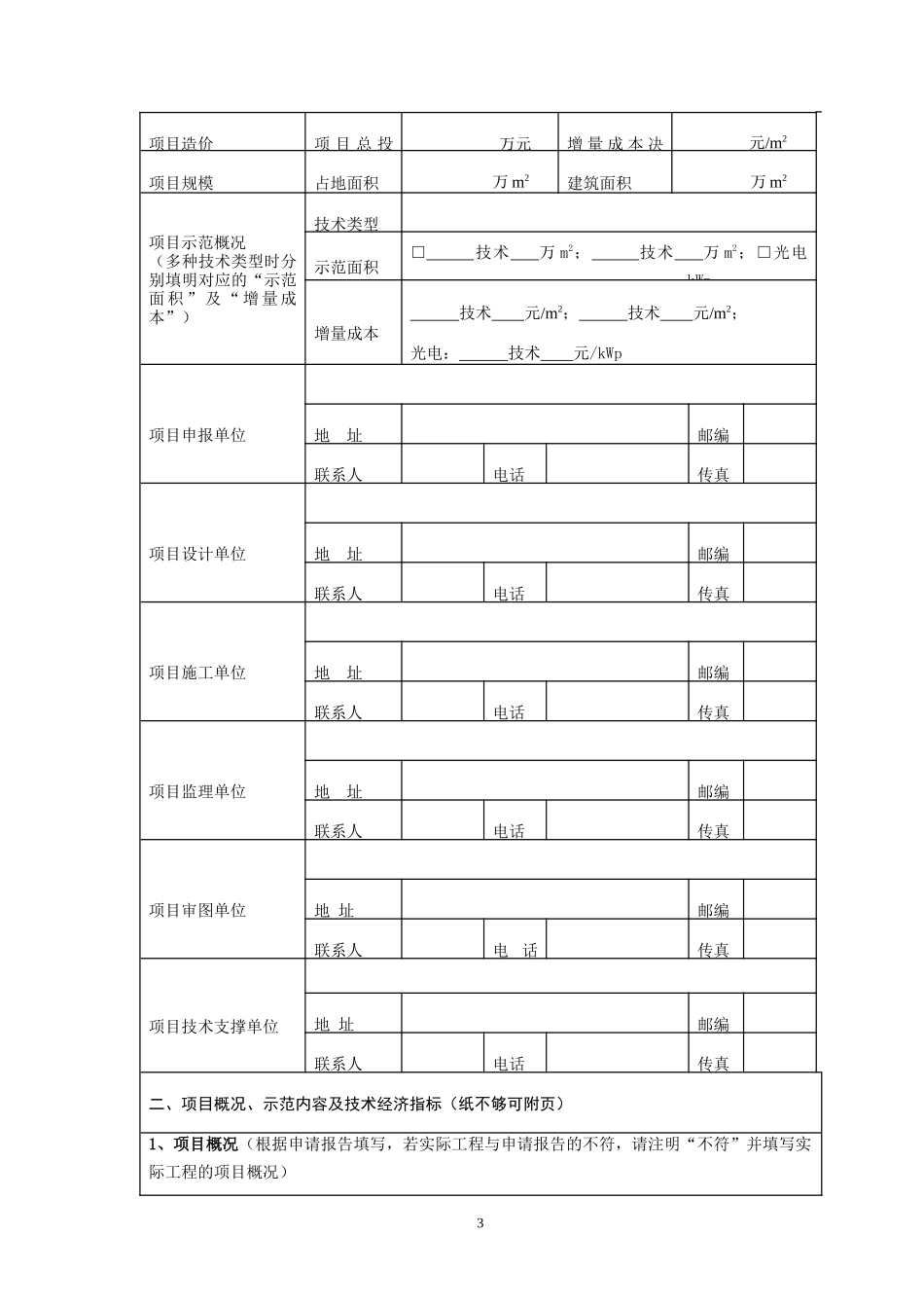
附件1:财政部、住房和城乡建设部可再生能源建筑应用示范项目验收评估报告(模板)验收项目名称:申请验收单位:(盖章)申请验收日期:组织验收单位:组织验收日期:住房和城乡建设部建筑节能与科技司二〇〇九年月制填写说明11.此表用于财政部、住房和城乡建设部可再生能源建筑应用示范项目验收评估。规格为标准A4纸、竖装,必须打印或铅印并装订成册:一式三份,其中第七项的附件材料提供一份即可。2.此表封面用3号仿宋字体填写,表格内容用5号宋体填写。3.此表封面由申请验收单位填写并盖章,其中“组织验收单位”应为地方住房城乡建设、财政主管部门;“验收项目名称”必须填写全称,并与公示(或公示期间更正后)项目名称一致。4.此表第一至第七项内容由申请验收单位填写、提供。5.此表第八项内容由地方住房城乡建设、财政主管部门组织专家对示范项目验收评估之后进行填写,其中“验收评估表”和“专家组验收意见”由专家组经过充分论证之后填写,“验收意见”由当地住房城乡建设、财政主管部门填写并盖章。一、项目基本信息项目类型□新建□既有(选项打√)□居住□公建□居住、公建都有□工业(选项打√)2项目造价项目总投万元增量成本决元/m2项目规模占地面积万m2建筑面积万m2项目示范概况(多种技术类型时分别填明对应的“示范面积”及“增量成本”)技术类型示范面积□技术万m2;技术万m2;□光电kWp增量成本技术元/m2;技术元/m2;光电:技术元/kWp项目申报单位地址邮编联系人电话传真项目设计单位地址邮编联系人电话传真项目施工单位地址邮编联系人电话传真项目监理单位地址邮编联系人电话传真项目审图单位地址邮编联系人电话传真项目技术支撑单位地址邮编联系人电话传真二、项目概况、示范内容及技术经济指标(纸不够可附页)1、项目概况(根据申请报告填写,若实际工程与申请报告的不符,请注明“不符”并填写实际工程的项目概况)32、示范内容及技术经济指标(根据申请报告填写,填写完整的技术经济指标。如太阳能光热系统:全年太阳能保证率、集热系统得热量、全年系统常规能源消耗量、贮热水箱热损系数、集热系统效率;太阳能光电系统:光电转换效率、费效比(元/千瓦时);热泵系统:室内温湿度、机组能效比(COP)、系统能效比。所有示范技术均须填写“全年系统常规能源替代量”、“年节约费用”、“CO2、SO2、粉尘减排量”和“静态投资回收年限”。)三、项目执行情况(纸不够可附页)1、申报方案执行情况(是否存在变更,若变更请注明并简要叙述变更情况)42、项目完成质量情况(应包括:①实际工程进展;②工程质量:太阳能利用系统应注明与建筑结合的措施及效果等,地下水源热泵系统应注明地下水回灌情况等,土壤源热泵应注明土壤热平衡监测情况等,污水源、淡水源、海水源等其他水源热泵系统应注明水源取/回水情况等,复合系统应注明系统控制措施等内容)四、项目测评(纸不够可附页)1、形式检查结果:(依据测评机构提供的《形式检查报告》)52、性能检测结果:(依据测评机构提供的《性能检测报告》)3、能效评估结果:(依据测评机构提供的《能效评估报告》)五、能耗监测(是否建立相关指标的计量装置,通过数据采集器进行实时数据采集,与本地计算机进行连接,通过监测软件系统能够实时查看、分析、统计等)(纸不够可附页)六、项目取得的经济、社会、环境效益和项目管理经验6七、提供验收的附件清单附件材料应包括:1.该示范项目的《测评报告》,其中包括《形式检查报告》、《性能检测报告》、《能效评估报告》;2.项目施工图审查文件及地方建设部门同意拨付前50%补贴资金的审核同意意见等相关文件;3.项目立项审批文件、建设项目选址意见书、建设用地规划许可证、建设工程规划许可证、土地使用证和建筑工程施工许可证;4.分项工程验收资料;5.施工验收记录复印件;6.试运行调试记录(含竣工总结报告);7.可再生能源建筑应用的管理制度、操作规程和建筑能耗监测方案等。7第8页共10页编号:时间:2021年x月x日书山有路勤为径,学海无涯苦作舟页码:第8页共10页八、验收评估表序号验收内容验收项验收标准验收结论备注1项目测评建筑是否达到...

1、当您付费下载文档后,您只拥有了使用权限,并不意味着购买了版权,文档只能用于自身使用,不得用于其他商业用途(如 [转卖]进行直接盈利或[编辑后售卖]进行间接盈利)。
2、本站所有内容均由合作方或网友上传,本站不对文档的完整性、权威性及其观点立场正确性做任何保证或承诺!文档内容仅供研究参考,付费前请自行鉴别。
3、如文档内容存在违规,或者侵犯商业秘密、侵犯著作权等,请点击“违规举报”。

碎片内容

可再生能源建筑应用示范项目验收评估报告

确认删除?
VIP
微信客服
  • 扫码咨询
会员Q群
  • 会员专属群点击这里加入QQ群
客服邮箱
回到顶部