电脑桌面
添加小米粒文库到电脑桌面
安装后可以在桌面快捷访问

微生物检验岗VIP专享VIP免费

微生物检验岗_第1页
1/3
微生物检验岗_第2页
2/3
微生物检验岗_第3页
3/3
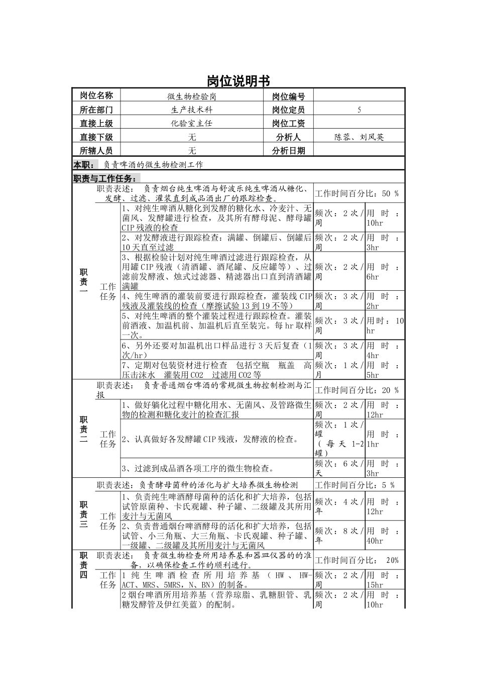
岗位说明书岗位名称微生物检验岗岗位编号所在部门生产技术科岗位定员5直接上级化验室主任岗位工资直接下级无分析人陈蓉、刘风英所辖人员无分析日期本职:负责啤酒的微生物检测工作职责与工作任务:职责一职责表述:负责烟台纯生啤酒与舒波乐纯生啤酒从糖化、发酵、过滤、灌装直到成品酒出厂的跟踪检查。工作时间百分比:50%工作任务1、对纯生啤酒从糖化到发酵的糖化水、冷麦汁、无菌风、发酵罐进行检查,及其所有酵母泥、酵母罐CIP残液的检查频次:2次/周用时:10hr2、对发酵液进行跟踪检查:满罐、倒罐后、倒罐后10天直至过滤频次:2次/周用时:3hr3、根据检验计划对纯生啤酒过滤进行跟踪检查,从用罐CIP残液(清酒罐、酒尾罐、反应罐等)、过滤前发酵液、烛式过滤器、精滤器出口直到清酒罐满罐频次:2次/周用时:6hr4、纯生啤酒的灌装前要进行跟踪检查,灌装线CIP残液及灌装线的检查(摩擦试验13到19不等)频次:3次/周用时:2hr5、对纯生啤酒的整个灌装过程进行跟踪检查。灌装前酒液、加温机前、加温机后直至装完。每hr取样一次。频次:3次/周用时:10hr6、另外还要对加温机出口样品进行3天后复查(1次/hr)频次:3次/周用时:4hr7、定期对包装资材进行检查包括空瓶瓶盖高压击沫水灌装用CO2过滤用CO2等频次:1次/月用时:5hr职责二职责表述:负责普通烟台啤酒的常规微生物控制检测与汇报工作时间百分比:20%工作任务1、做好躺化过程中糖化用水、无菌风、及管路微生物的检测和糖化麦汁的检查汇报频次:2次/周用时:12hr2、认真做好各发酵罐CIP残液,发酵液的检查。频次:1次/罐(每天1-2罐)用时:1hr3、过滤到成品酒各项工序的微生物检查。频次:6次/天用时:3hr职责三职责表述:负责酵母菌种的活化与扩大培养微生物检测工作时间百分比:5%工作任务1、负责纯生啤酒酵母菌种的活化和扩大培养,包括试管原菌种、卡氏观罐、种子罐、二级罐及其所用麦汁与无菌风频次:4次/年用时:12hr2、负责普通烟台啤酒酵母的活化和扩大培养,包括试管、小三角瓶、大三角瓶、卡氏观罐、种子罐、一级罐、二级罐及其所用麦汁与无菌风频次:8次/年用时:40hr职责四职责表述:负责微生物检查所用培养基和器皿仪器的的准备,以确保检查工作的顺利进行。工作时间百分比:20%工作任务1纯生啤酒检查所用培养基(HW、HW-ACT、MRS、5MRS,N、BN)的制备。频次:2次/周用时:15hr2烟台啤酒所用培养基(营养琼脂、乳糖胆管、乳糖发酵管及伊红美蓝)的配制。频次:2次/周用时:10hr3微生物检查工作用的器皿刷洗,包括试管、平皿、大小三角瓶、取气装置、过滤容器的刷洗等频次:1次/天用时:3hr4微生物检验所用器皿量(包括大三角瓶,小三角瓶,取气瓶,各种试管,平皿,过滤漏斗,其他辅料,石蜡,无菌水、过滤装置等)及各种培养基的杀菌。频次:2次/天用时:2hr1纯生啤酒检查所用培养基(HW、HW-ACT、MRS、5MRS,N、BN)的制备。频次:2次/周用时:15hr职责五职责表述:负责微生物检测的原始记录,台帐,报告单及微生物质量保证书的填写、报告、整理与保存工作时间百分比:2%工作任务1、首先确保检查数据的准确性,如实填写原始记录频次:1次/天用时:1hr2、及时汇报检验结果,特别出现异常时,以指导车间生产频次:1次/天用时:1hr3、整理保存好当天的记录、台张、报告单、质量保证书频次:1次/天用时:1hr4、检测结果输入计算机频次:1次/天用时:1hr职责六职责表述:负责各项微生物检查工作的月份统计工作时间百分比:1%工作任务1、统计报送各项微生物检查项目的合格率频次:1次/月用时:1hr2、认真统计填写有关的月报,为QC报告会做准备。频次:1次/月用时:2hr职责七职责表述:负责所属卫生区的清扫整理,做好5S工作工作时间百分比:2%工作任务1、每天对所属工作环境和卫生区进行清扫整理频次:1次/天用时:0.5hr2、每周进行一次对缓冲间,无菌室的5S清理,以确保工作环境的无菌状态,确保样品检查的准确性频次:1次/周用时:2hr3、每月进行一次卫生彻底大扫除,清除所有卫生死角,搞好纯生化管理频次:1次/月用时:4hr职责八职责表述:保质保量完成上级交办的其他临时性工作任务工作时间百分比:1%权力...

1、当您付费下载文档后,您只拥有了使用权限,并不意味着购买了版权,文档只能用于自身使用,不得用于其他商业用途(如 [转卖]进行直接盈利或[编辑后售卖]进行间接盈利)。
2、本站所有内容均由合作方或网友上传,本站不对文档的完整性、权威性及其观点立场正确性做任何保证或承诺!文档内容仅供研究参考,付费前请自行鉴别。
3、如文档内容存在违规,或者侵犯商业秘密、侵犯著作权等,请点击“违规举报”。

碎片内容

微生物检验岗

精品中小学文档+ 关注
实名认证
内容提供者

精品资料,值得下载

确认删除?
VIP
微信客服
  • 扫码咨询
会员Q群
  • 会员专属群点击这里加入QQ群
客服邮箱
回到顶部