电脑桌面
添加小米粒文库到电脑桌面
安装后可以在桌面快捷访问

成都某酒店弱电系统设计方案VIP免费

成都某酒店弱电系统设计方案_第1页
1/80
成都某酒店弱电系统设计方案_第2页
2/80
成都某酒店弱电系统设计方案_第3页
3/80
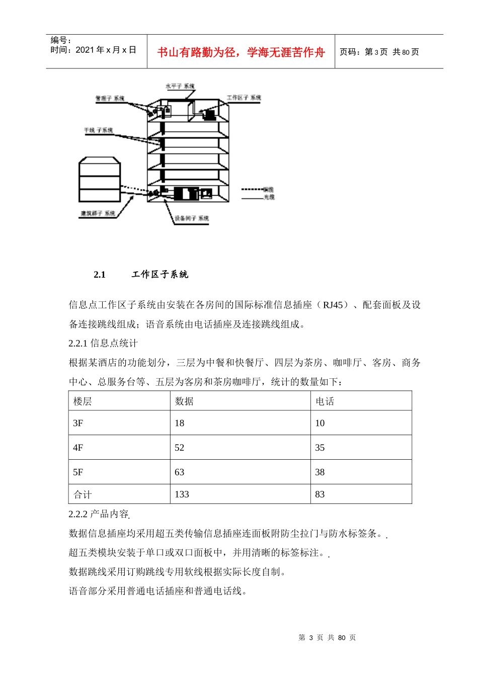
第1页共80页编号:时间:2021年x月x日书山有路勤为径,学海无涯苦作舟页码:第1页共80页1成都某酒店弱电系统设计方案第一节项目概况1.1项目简介工程名称:某酒店弱电系统工程项目地址:成都市某街建筑面积:三、四、五层约7000多m2结构类型:框架结构。设计范围:三-五层语音及综合布线系统、电视监控系统、紧急广播及背景音乐系统、有线电视系统(装修实施)、计算机网络系统、酒店一卡通消费系统、程控交换机。电信通信电缆需敷设至四层中心机房,紧急广播与背景音乐系统与消防联动、餐饮消费系统可实现远程查询、电视监控系统可通过局域网调阅或远程查看、有线电视图象清晰、计算机网络系统实现无纸化办公,所有数据通过服务器存储、程控交换机内部通话不收费,只申请几条外线,自拨电话不通过程控交换机转换。2.1投标设计依据标准及规范甲方提供的初步设计图纸GB/T50314-2000《智能建筑设计标准》GB50339-2003《智能建筑工程质量验收规范》GB/T50312-2000《建筑于建筑群综合布线系统施工及验收规范》GB/T50311-2000《建筑与建筑群综合布线系统工程设计规范》GB50303-2002《建筑电气工程施工质量验收规范》GB50348-2004《安全防范工程技术规范》GB/T50238-2001《建设工程文件归档整理规范》YD/T2008-93第2页共80页第1页共80页编号:时间:2021年x月x日书山有路勤为径,学海无涯苦作舟页码:第2页共80页《城市住宅和办公楼电话通讯设施设计标准》中国民用建筑电气设计规范(JGJ/T16-92)市内电话线路工程设计规范(YDJ8-850)EIA/TIATSB-75标准开放办公室布线系统标准EIA/TIA569A标准商业建筑电信通道及空间标准《民用建筑电气设计规范》JGJ/16-92《建筑设计防火规范》GBJ16-37《火灾自动报警设计规范》GBJ116-88《火灾自动报警系统施工及验收规范》GBJ50166-92第一节语音及综合布线系统1.1总体设计思路本系统实施的目标是实现酒店内各类数据信号的统一布线和共享,同时提供多种手段保证外部高速宽频接入技术的顺利应用,有力支持酒店各种业务的开展。同时,提供多种信息需求并且保证整个网络的扩展升级,以适应未来更先进系统的应用。本系统的物理托扑结构为分层星型拓扑结构。在本结构化综合布线系统方案具体设计中,我们根据酒店的具体情况,全面考虑实际应用需求和未来的发展,系统结构上应能根据业务发展变化的需要灵活调整和扩展,易于维护管理;系统技术上以最新的国际标准为依据,充分考虑技术的先进性以支持未来高速网络应用的发展;遵循“投资合理、规划统一、立足现在、适度超前”的指导思想,提供技术中心酒店内部通信系统发展应用的坚实基础本项目综合布线系统主要实现高速信息传输,在满足当前应用的基础上,在带宽上应有较大冗余,以保证在未来15-25年内仍能继续使用。基于上述设计思路,考虑数据传输采用当前最流行的布线类别:超5类布线系统。数据主干由于没超过100米,采用双娇线传输方式。第3页共80页第2页共80页编号:时间:2021年x月x日书山有路勤为径,学海无涯苦作舟页码:第3页共80页2.1工作区子系统信息点工作区子系统由安装在各房间的国际标准信息插座(RJ45)、配套面板及设备连接跳线组成;语音系统由电话插座及连接跳线组成。2.2.1信息点统计根据某酒店的功能划分,三层为中餐和快餐厅、四层为茶房、咖啡厅、客房、商务中心、总服务台等、五层为客房和茶房咖啡厅,统计的数量如下:楼层数据电话3F18104F52355F6338合计133832.2.2产品内容数据信息插座均采用超五类传输信息插座连面板附防尘拉门与防水标签条。超五类模块安装于单口或双口面板中,并用清晰的标签标注。数据跳线采用订购跳线专用软线根据实际长度自制。语音部分采用普通电话插座和普通电话线。第4页共80页第3页共80页编号:时间:2021年x月x日书山有路勤为径,学海无涯苦作舟页码:第4页共80页插座面板均固定在暗装在墙体内的86标准盒内。3.1水平子系统根据应用要求,水平布线系统所有信息点均采用超五传输水平4对非屏蔽双绞线,其带宽达到100MHz。水平线的长度计算:(最远点布线长度+最近点布线长度)/2*布线长度=管理间到信息点直距离+两端垂直长度+两端预留长度+施工预备...

1、当您付费下载文档后,您只拥有了使用权限,并不意味着购买了版权,文档只能用于自身使用,不得用于其他商业用途(如 [转卖]进行直接盈利或[编辑后售卖]进行间接盈利)。
2、本站所有内容均由合作方或网友上传,本站不对文档的完整性、权威性及其观点立场正确性做任何保证或承诺!文档内容仅供研究参考,付费前请自行鉴别。
3、如文档内容存在违规,或者侵犯商业秘密、侵犯著作权等,请点击“违规举报”。

碎片内容

成都某酒店弱电系统设计方案

您可能关注的文档

确认删除?
VIP
微信客服
  • 扫码咨询
会员Q群
  • 会员专属群点击这里加入QQ群
客服邮箱
回到顶部