电脑桌面
添加小米粒文库到电脑桌面
安装后可以在桌面快捷访问

建筑给排水采暖监理细则VIP免费

建筑给排水采暖监理细则_第1页
1/42
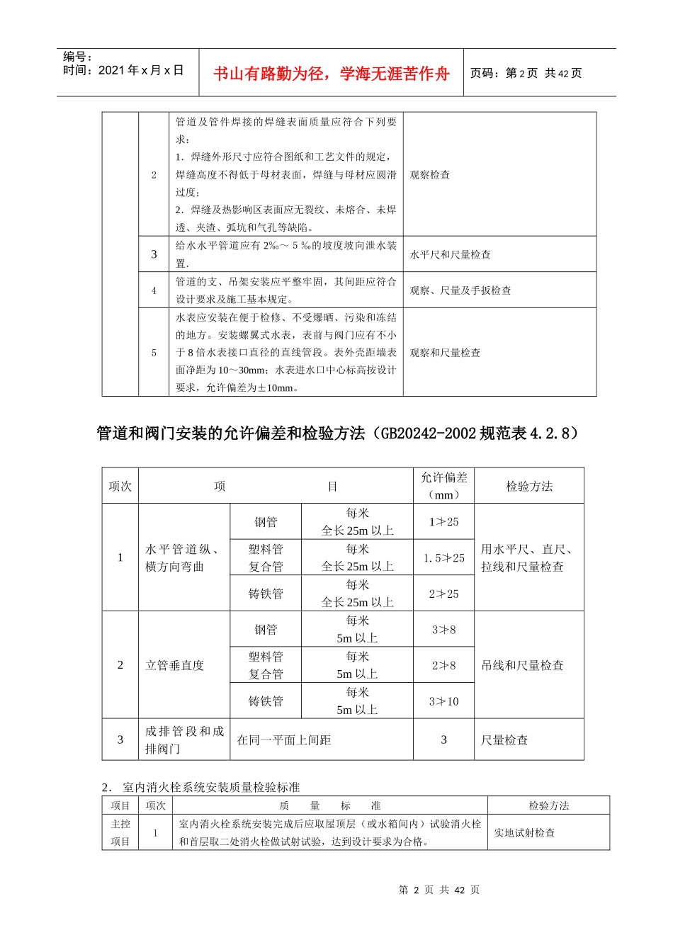
建筑给排水采暖监理细则_第2页
2/42
建筑给排水采暖监理细则_第3页
3/42
第1页共42页编号:时间:2021年x月x日书山有路勤为径,学海无涯苦作舟页码:第1页共42页一、建筑给水工程施工质量监理(一)建筑给水工程施工质量验评标准本细则包括:室内给水系统,消防系统,热水系统,中水系统的管道配件安装和各系统中附属设备安装的质量检验标准。其中隐含各系统中的分项工程的主控项目,一般项目,允许偏差项目的检验方法。1.室内给水管道安装质量检验评定标准项目项次内容检验方法主控项目1给水管道隐蔽,水压试验结果,必须符合设计要求和施工规范规定。观察,检查试验记录2管道及管道支座(墩),严禁铺设在冻土和未经处理的松土上观察,检查隐蔽记录3给水系统竣工后或交付使用前,必须进行冲洗观察,检查管道溃洗记录4室内给水管道的水压试验必须符合设计要求。当设计未注明时,各种材质的给水管道系统试验压力均为工作压力的1.5倍,但不得小于0.6Mpa1.金属及复合管给水管道系统在试验压力下观测10分钟,压力降不应大于0.02Mpa,然后降到工作压力进行检查,应不渗不漏;塑料管给水系统应在试验压力下稳压1h,压力降不得超过0.05Mpa,然后在工作压力的1.15倍状态下稳压2h,压力降不得超过0.03Mpa,同时检查各连接处不得渗漏。2.观察和开启阀门、水嘴等放水。5生产给水系统管道在交付使用前必须冲洗和消毒,并经有关部门取样检验,符合国家《生活饮用水标准》方可使用。检查有关部门提供的检测报告6室内直埋给水管道(塑料管道和复合管道除外)应做防腐处理,埋地管道防腐层材质和结构应符合设计要求。观察或局部解剖检查一般项目1给水引入管与排水排出管的水平净距不得小于1m。室内给水与排水管道平行敷设时,两管间的最小水平净距不得小于0.5m;交叉铺设时,垂直净距不得小于0.15m。给水管应铺在排水管上面,若给水管必须铺在排水管的下面时,给水管应加套管,其长度不得小于排水管管径的3倍。观察尺量检查第2页共42页第1页共42页编号:时间:2021年x月x日书山有路勤为径,学海无涯苦作舟页码:第2页共42页2管道及管件焊接的焊缝表面质量应符合下列要求:1.焊缝外形尺寸应符合图纸和工艺文件的规定,焊缝高度不得低于母材表面,焊缝与母材应圆滑过度;2.焊缝及热影响区表面应无裂纹、未熔合、未焊透、夹渣、弧坑和气孔等缺陷。观察检查3给水水平管道应有2‰~5‰的坡度坡向泄水装置.水平尺和尺量检查4管道的支、吊架安装应平整牢固,其间距应符合设计要求及施工基本规定。观察、尺量及手扳检查5水表应安装在便于检修、不受爆晒、污染和冻结的地方。安装螺翼式水表,表前与阀门应有不小于8倍水表接口直径的直线管段。表外壳距墙表面净距为10~30mm;水表进水口中心标高按设计要求,允许偏差为±10mm。观察和尺量检查管道和阀门安装的允许偏差和检验方法(GB20242-2002规范表4.2.8)项次项目允许偏差(mm)检验方法1水平管道纵、横方向弯曲钢管每米全长25m以上1≯25用水平尺、直尺、拉线和尺量检查塑料管复合管每米全长25m以上1.5≯25铸铁管每米全长25m以上2≯252立管垂直度钢管每米5m以上3≯8吊线和尺量检查塑料管复合管每米5m以上2≯8铸铁管每米5m以上3≯103成排管段和成排阀门在同一平面上间距3尺量检查2.室内消火栓系统安装质量检验标准项目项次质量标准检验方法主控项目1室内消火栓系统安装完成后应取屋顶层(或水箱间内)试验消火栓和首层取二处消火栓做试射试验,达到设计要求为合格。实地试射检查第3页共42页第2页共42页编号:时间:2021年x月x日书山有路勤为径,学海无涯苦作舟页码:第3页共42页一般项目1安装消火栓水龙带,水龙带与水枪和快速接头绑扎好后,应根据箱内构造将水龙带挂放在箱内的挂钉、托盘或支架上。观察检查2箱式消火栓的安装应符合下列规定栓口应朝外,并不应安装在门轴侧;观察和尺量检查栓口中心距地面为1.1m,允许偏差±20mm;阀门中心距箱侧面为140mm,距箱后内表面为100mm,允许偏差±5mm。消火栓箱体安装的垂直度允许偏差为3mm。3.给水设备安装检验评定标准项目项次内容检验方法主控项目1水泵就位前的基础混凝土强度、坐标、标高、尺寸和螺栓孔位置必须符合设计规定。对照图纸用仪器和尺量检查2水泵试运行的轴承温...

1、当您付费下载文档后,您只拥有了使用权限,并不意味着购买了版权,文档只能用于自身使用,不得用于其他商业用途(如 [转卖]进行直接盈利或[编辑后售卖]进行间接盈利)。
2、本站所有内容均由合作方或网友上传,本站不对文档的完整性、权威性及其观点立场正确性做任何保证或承诺!文档内容仅供研究参考,付费前请自行鉴别。
3、如文档内容存在违规,或者侵犯商业秘密、侵犯著作权等,请点击“违规举报”。

碎片内容

建筑给排水采暖监理细则

确认删除?
VIP
微信客服
  • 扫码咨询
会员Q群
  • 会员专属群点击这里加入QQ群
客服邮箱
回到顶部