电脑桌面
添加小米粒文库到电脑桌面
安装后可以在桌面快捷访问

室外给水规范VIP免费

室外给水规范_第1页
1/23
室外给水规范_第2页
2/23
室外给水规范_第3页
3/23
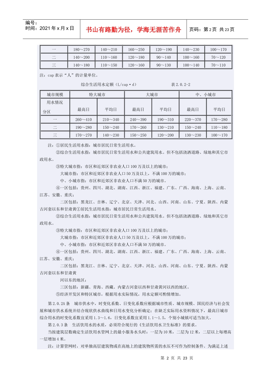
第1页共23页编号:时间:2021年x月x日书山有路勤为径,学海无涯苦作舟页码:第1页共23页第一章总则第1.0.1条为指导我国给水事业的建设,使给水工程设计符合党的方针政策,有利于提高人民健康水平和社会主义建设,特制订本规范。第1.0.2条本规范适用于新建、扩建或改建的城镇、工业企业及居住区的永久性室外给水工程设计。第1.0.3条给水工程设计必须正确处理城镇、工业与农业用水之间的关系,妥善选用水源,节约用地和节省劳动力。第1.0.4条给水工程的设计应在服从城市总体规划的前提下,近远期结合,以近期为主。近期设计年限宜采用5~10年,远期规划年限宜采用10~20年。对于扩建、改建的工程,应充分利用原有设施的能力。第1.0.5条给水工程系统中统一、分区、分质或分压的选择,应根据当地地形、水源情况、城镇和工业企业的规划、水量、水质、水温和水压的要求及原有的给水工程设施等条件,从全局出发,通过技术经济比较后综合考虑确定。第1.0.6条工业企业生产用水系统(复用、循环或直流)的选择,应从全局出发考虑水资源的节约利用和水体的保护,并应采用复用或循环系统。第1.0.7条给水工程设计应提高供水水质、提高供水安全可靠性、降低能耗、降低漏耗、降低药耗,应在不断总结生产实践经验和科学试验的基础上,积极采用行之有效的新技术、新工艺、新材料和新设备。给水工程设备机械化和自动化程度,应从提高供水水质和供水可靠性、降低能耗,提高科学管理水平,改善劳动条件和增加经济效益出发,根据需要和可能及设备供应情况,妥善确定。对繁重和频繁的手工操作、有关影响给水安全和危害人体健康的主要设备,应首先考虑采用机械化或自动化装置。第1.0.8条设计在地震、湿陷性黄土、多年冻土以及其它地质特殊地区给水工程时,尚应按现行的有关规范或规定执行。第1.0.9条设计给水工程时,除应按本规范执行外,尚应符合国家现行的有关标准、规范的规定。第二章用水量、水质和水压第2.0.1条设计供水量应根据下列各种用水确定:一、综合生活用水(包括居民生活用水和公共建筑用水);二、工业企业生产用水和工作人员生活用水;三、本款删去;四、消防用水;五、浇洒道路和绿地用水;六、未预见用水量及管网漏失水量。第2.0.2条居民生活用水定额和综合生活用水定额,应根据当地国民经济和社会发展规划、城市总体规划和水资源充沛程度,在现有用水定额基础上,结合给水专业规划,和给水工程发展的条件综合分析确定;在缺乏实际用水资料情况下可采用2.0.2-1表和表2.0.2-2的规定。居民生活用水定额(L/cap·d)表2.0.2-1城市规模特大城市大城市中、小城市用水情况分区最高日平均日最高日平均日最高日平均日第2页共23页第1页共23页编号:时间:2021年x月x日书山有路勤为径,学海无涯苦作舟页码:第2页共23页一180~270140~210160~250120~190140~230100~170二140~200110~160120~18090~140100~16070~120三140~180110~150120~16090~130100~14070~110注:cap表示“人”的计量单位。综合生活用水定额(L/cap·d)表2.0.2-2城市规模特大城市大城市中、小城市用水情况分区最高日平均日最高日平均日最高日平均日一260~410210~340240~390190~310220~370170~280二190~280150~240170~260130~210150~240110~180三170~270140~230150~250120~200130~230100~170注:①居民生活用水指:城市居民日常生活用水。②综合生活用水指:城市居民日常生活用水和公共建筑用水。但不包括浇洒道路、绿地和其它市政用水。③特大城市指:市区和近郊区非农业人口100万及以上的城市;大城市指:市区和近郊区非农业人口50万及以上,不满100万的城市;中、小城市指:市区和近郊区非农业人口不满50万的城市。④一区包括:贵州、四川、湖北、湖南、江西、浙江、福建、广东、广西、海南、上海、云南、江苏、安徽、重庆;二区包括:黑龙江、吉林、辽宁、北京、天津、河北、山西、河南、山东、宁夏、陕西、内蒙古河套以东和甘肃黄①居民生活用水指:城市居民日常生活用水。②综合生活用水指:城市居民日常生活用水和公共建筑用水。但不包括浇洒道路、绿地和其它市政用水。③特大城市指:市...

1、当您付费下载文档后,您只拥有了使用权限,并不意味着购买了版权,文档只能用于自身使用,不得用于其他商业用途(如 [转卖]进行直接盈利或[编辑后售卖]进行间接盈利)。
2、本站所有内容均由合作方或网友上传,本站不对文档的完整性、权威性及其观点立场正确性做任何保证或承诺!文档内容仅供研究参考,付费前请自行鉴别。
3、如文档内容存在违规,或者侵犯商业秘密、侵犯著作权等,请点击“违规举报”。

碎片内容

室外给水规范

确认删除?
VIP
微信客服
  • 扫码咨询
会员Q群
  • 会员专属群点击这里加入QQ群
客服邮箱
回到顶部