电脑桌面
添加小米粒文库到电脑桌面
安装后可以在桌面快捷访问

工程综述及施工组织设计方案VIP免费

工程综述及施工组织设计方案_第1页
1/44
工程综述及施工组织设计方案_第2页
2/44
工程综述及施工组织设计方案_第3页
3/44
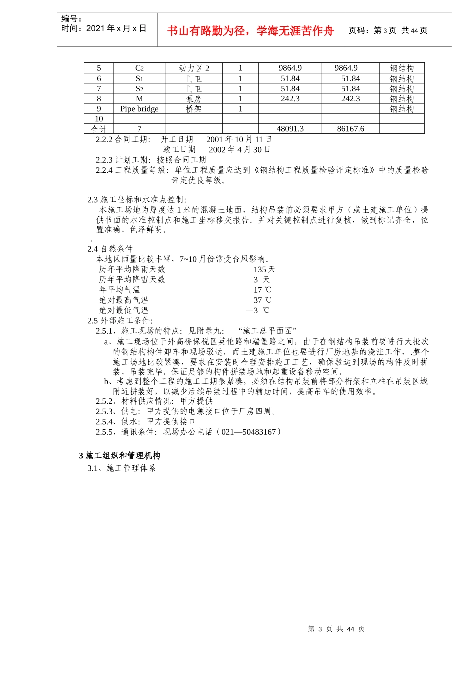
第1页共44页编号:时间:2021年x月x日书山有路勤为径,学海无涯苦作舟页码:第1页共44页目录0、编制说明…………………………………………………………………………..21、编制依据…………………………………………………………………………..22、工程综述…………………………………………………………………………..23、施工组织和管理机构……………………………………………………………..34、施工总体部署和施工方案………………………………………………………..55、施工总体进度计划及保证措施…………………………………………………..166、质量管理……………………………………………………………………………207、安全管理……………………………………………………………………………318、文明施工…………………………………………………………………………..339、降低成本措施……………………………………………………………………..3410、附录…………………………………………………………………………………………….35附录1:施工进度计划表附录2:P区施工工艺说明附录3:C区施工工艺说明附录4:A区施工工艺说明附录5:钢承板施工工艺说明附录6:安装质量检验计划表附录7:施工总平面图附录8:施工现场临时设施布置图附录9:临时供电布置图附录10:消防平面布置图0.编制说明0.1编制目的:(1)组织和指导工程施工(2)改善和提高工程管理水平(3)提高工程质量和取得经济效益0.2相关说明:第2页共44页第1页共44页编号:时间:2021年x月x日书山有路勤为径,学海无涯苦作舟页码:第2页共44页本工程施工组织设计根据HAVENS公司提供的部分施工图编写,相关内容将在正式施工图纸颁发后进行相应的调整。具体操作按正式施工图纸的要求执行。由于这次施工地处上海外高桥保税区内,业主为国际知名的IBM公司,总包商和设计单位皆为建筑施工领域的知名公司。我们要以一流的施工质量和一流的施工队伍素质展现XX人的形象。拓展XXXX公司的发展空间。1.编制依据:1.1工程承包合同:合同编号:IBM#3130签订日期:2001.9.291.2施工图纸:IBM(上海)微科厂房施工图纸接收时间:2001.8.15(目前只收到部分正式图纸)1.3施工规范和验收标准:a、《钢结构工程施工及验收规范》GB50205-95b、《钢结构工程质量检验评定标准》GB50221-95c、《焊接标准》AWSD1.1-98d、Havens提供的相关规范。E、起重操作及检验(APS)。1.4本公司企业标准:a、《质量保证手册(C版)》QG/AZ-ZBSC-1998b、《质量程序文件(C版)》QG/AZ-ZLCX-1998c、《作业指导书》QG/AZ-ZYZD-1996d、《项目部工程技术质量管理标准》GQ/AZJZ01-20012.工程综述:2.1工程概况:2.1.1工程名称:IBM(上海)微科厂房钢结构安装工程2.1.2工程地点:上海外高桥保税区英伦路111号2.1.3工程规模:该钢结构工程占地面积为:47849平方米建筑面积为:85925.3平方米2.1.4业主:上海新发展有限公司2.1.5设计单位:W.H.L2.1.6施工单位:上海XXXX工程公司2.1.7监理单位:上海建筑科学研究院建筑工程咨询监理部2.1.8总承包商:柏克德中国有限公司2.2工程承包合同的主要内容:2.2.1工程内容:工程项目一览表序号建筑编号建筑名称楼层数建筑占地面积(平方米)建筑面积(平方米)结构形式1A办公区2,36613.712860.1钢结构2B自行车棚1456228钢结构3P生产区226077.958137.3钢结构4C1动力区114732.54732.5钢结构第3页共44页第2页共44页编号:时间:2021年x月x日书山有路勤为径,学海无涯苦作舟页码:第3页共44页5C2动力区219864.99864.9钢结构6S1门卫151.8451.84钢结构7S2门卫151.8451.84钢结构8M泵房1242.3242.3钢结构9Pipebridge桥架1钢结构10合计748091.386167.62.2.2合同工期:开工日期2001年10月11日竣工日期2002年4月30日2.2.3计划工期:按照合同工期2.2.4工程质量等级:单位工程质量应达到《钢结构工程质量检验评定标准》中的质量检验评定优良等级。2.3施工坐标和水准点控制:本施工场地为厚度达1米的混凝土地面,结构吊装前必须要求甲方(或土建施工单位)提供书面的水准控制点和施工坐标移交报告。并对关键控制点进行复核,做到标记齐全...

1、当您付费下载文档后,您只拥有了使用权限,并不意味着购买了版权,文档只能用于自身使用,不得用于其他商业用途(如 [转卖]进行直接盈利或[编辑后售卖]进行间接盈利)。
2、本站所有内容均由合作方或网友上传,本站不对文档的完整性、权威性及其观点立场正确性做任何保证或承诺!文档内容仅供研究参考,付费前请自行鉴别。
3、如文档内容存在违规,或者侵犯商业秘密、侵犯著作权等,请点击“违规举报”。

碎片内容

工程综述及施工组织设计方案

确认删除?
VIP
微信客服
  • 扫码咨询
会员Q群
  • 会员专属群点击这里加入QQ群
客服邮箱
回到顶部