电脑桌面
添加小米粒文库到电脑桌面
安装后可以在桌面快捷访问

扣件式操作平台施工方案(DOC33页)VIP免费

扣件式操作平台施工方案(DOC33页)_第1页
1/33
扣件式操作平台施工方案(DOC33页)_第2页
2/33
扣件式操作平台施工方案(DOC33页)_第3页
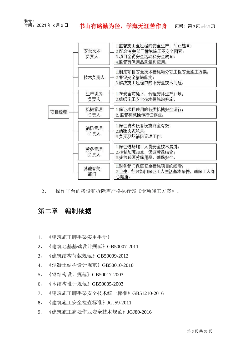
3/33
目录第一章工程概况-----------------------------------------------------2一、工程概况---------------------------------------------------2二、施工要求---------------------------------------------------3三、技术保证条件-----------------------------------------------3第二章编制依据-----------------------------------------------------4第三章施工计划-----------------------------------------------------5一、材料与设备计划---------------------------------------------5第四章施工工艺技术-------------------------------------------------7一、技术参数---------------------------------------------------7二、工艺流程---------------------------------------------------8三、施工方法---------------------------------------------------8四、检查验收--------------------------------------------------12第五章施工安全保证措施--------------------------------------------13一、组织保障--------------------------------------------------13二、技术措施--------------------------------------------------16三、应急预案--------------------------------------------------20第六章劳动力计划--------------------------------------------------22一、专职安全生产管理人员--------------------------------------22二、特种作业人员----------------------------------------------22第七章计算书及相关图纸--------------------------------------------23一、计算书----------------------------------------------------23第2页共33页编号:时间:2021年x月x日书山有路勤为径,学海无涯苦作舟页码:第2页共33页第一章工程概况一、工程概况1、。2、各责任主体名称建设单位:设计单位:监理单位:施工单位:二、施工要求1、操作平台的设计力求做到结构安全可靠,造价经济合理。2、确保操作平台在使用周期内安全、稳定、牢靠。3、选用材料时,力求做到常见通用、可周转利用,便于保养维修。4、操作平台在搭设及拆除过程中要符合工程施工进度要求。操作人员需取得特殊作业人员资格上岗证。三、技术保证条件1、安全网络第3页共33页编号:时间:2021年x月x日书山有路勤为径,学海无涯苦作舟页码:第3页共33页2、操作平台的搭设和拆除需严格执行该《专项施工方案》。第二章编制依据1、《建筑施工脚手架实用手册》2、《建筑地基基础设计规范》GB50007-20113、《建筑结构荷载规范》GB50009-20124、《混凝土结构设计规范》GB50010-20105、《钢结构设计规范》GB50017-20036、《木结构设计规范》GB50005-20037、《建筑施工脚手架安全技术统一标准》GB51210-20168、《建筑施工安全检查标准》JGJ59-20119、《建筑施工高处作业安全技术规范》JGJ80-2016第4页共33页编号:时间:2021年x月x日书山有路勤为径,学海无涯苦作舟页码:第4页共33页10、《建筑施工扣件式钢管脚手架安全技术规范》JGJ130-201111、《建筑施工临时支撑结构技术规范》JGJ300-201312、《危险性较大的分部分项工程安全管理办法》(建质[2009]87号文)13、《建设工程安全生产管理条例》国务院令第393号14、本工程设计图纸15、本工程施工组织设计第三章施工计划一、材料与设备计划1、操作平台钢管应采用现行国家标准《直缝电焊钢管》GB/T13793或《低压流体输送用焊接钢管》GB/T3091中规定的Q235普通钢管,钢管的钢材质量应符合现行国家标准《碳素结构钢》GB/T700中Q235级钢的规定。每根钢管的最大质量不应大于25.8kg。新钢管表面应平直光滑,不应有裂缝、结疤、分层、错位、硬弯、毛刺、压痕和深的划道,钢管要有产品质量合格证、质量检验报告,钢管材质检验方法应符合现行国家标准《金属拉伸室温拉伸试验方法》GB/T228的有关规定,质量和钢管外径、壁厚、端面等的偏差应符合《建筑施工扣件式钢管脚手架安全技术规范》JGJ130的有关规定,应涂有防锈漆。旧钢管表面锈蚀深度、钢管弯曲变形应符合《建筑施工扣件式钢管脚手架安全技术规范》JGJ130的有关规定。锈蚀检查应每年一次...

1、当您付费下载文档后,您只拥有了使用权限,并不意味着购买了版权,文档只能用于自身使用,不得用于其他商业用途(如 [转卖]进行直接盈利或[编辑后售卖]进行间接盈利)。
2、本站所有内容均由合作方或网友上传,本站不对文档的完整性、权威性及其观点立场正确性做任何保证或承诺!文档内容仅供研究参考,付费前请自行鉴别。
3、如文档内容存在违规,或者侵犯商业秘密、侵犯著作权等,请点击“违规举报”。

碎片内容

扣件式操作平台施工方案(DOC33页)

您可能关注的文档

确认删除?
VIP
微信客服
  • 扫码咨询
会员Q群
  • 会员专属群点击这里加入QQ群
客服邮箱
回到顶部