电脑桌面
添加小米粒文库到电脑桌面
安装后可以在桌面快捷访问

工地试验室建设方案(DOC33页)VIP免费

工地试验室建设方案(DOC33页)_第1页
1/34
工地试验室建设方案(DOC33页)_第2页
2/34
工地试验室建设方案(DOC33页)_第3页
3/34
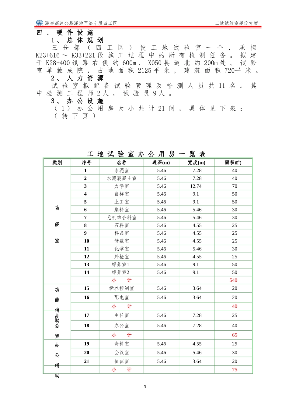
目录一、编制依据........................................................................................................................................................3二、编制目的........................................................................................................................................................3三、工程概况........................................................................................................................................................3四、硬件设施........................................................................................................................................................41、总体规划..................................................................................................................................................42、人力资源..................................................................................................................................................43、办公设施..................................................................................................................................................44、仪器设备..................................................................................................................................................65、标准规范................................................................................................................................................116、计划工期................................................................................................................................................137、标识标牌................................................................................................................................................148、交通工具................................................................................................................................................14五、组织机构......................................................................................................................................................14六、质量管理体系..............................................................................................................................................141、体系文件................................................................................................................................................142、整章建制................................................................................................................................................143、质量保证体系框图................................................................................................................................15七、试验室管理模式..........................................................................................................................................15附件1、试验室办公区平面布置图....................................................................................................................16附件2、各功能室布置详图................................................................................................................................171、水泥混凝土室................................................................................................................................................17...

1、当您付费下载文档后,您只拥有了使用权限,并不意味着购买了版权,文档只能用于自身使用,不得用于其他商业用途(如 [转卖]进行直接盈利或[编辑后售卖]进行间接盈利)。
2、本站所有内容均由合作方或网友上传,本站不对文档的完整性、权威性及其观点立场正确性做任何保证或承诺!文档内容仅供研究参考,付费前请自行鉴别。
3、如文档内容存在违规,或者侵犯商业秘密、侵犯著作权等,请点击“违规举报”。

碎片内容

工地试验室建设方案(DOC33页)

精品中小学文档+ 关注
实名认证
内容提供者

精品资料,值得下载

确认删除?
VIP
微信客服
  • 扫码咨询
会员Q群
  • 会员专属群点击这里加入QQ群
客服邮箱
回到顶部