电脑桌面
添加小米粒文库到电脑桌面
安装后可以在桌面快捷访问

吊顶内管路敷设工程施工安全技术VIP免费

吊顶内管路敷设工程施工安全技术_第1页
1/12
吊顶内管路敷设工程施工安全技术_第2页
2/12
吊顶内管路敷设工程施工安全技术_第3页
3/12
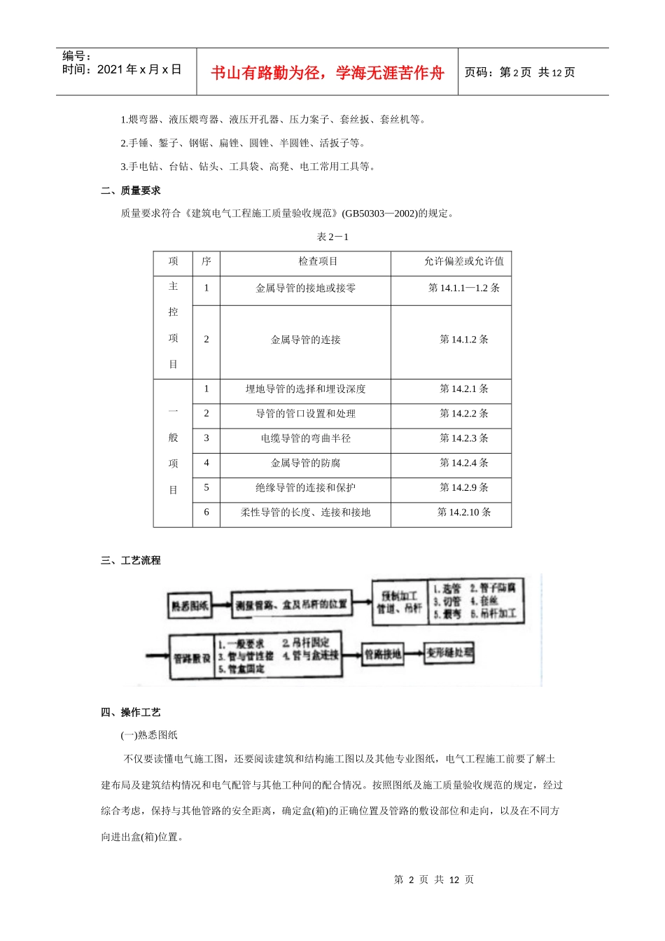
第1页共12页编号:时间:2021年x月x日书山有路勤为径,学海无涯苦作舟页码:第1页共12页吊顶内管路敷设工程一、施工准备吊顶内管路敷设工程(一)作业条件1.结构施工时配合土建,按照设计图纸做好顶板及墙内管路预埋、吊架预埋件的安装工作,顶板及墙内管路甩口位置要准确。2.吊顶内配管应配合吊顶施工进行,项目经理部根据工程进度,合理安排配管与吊顶的施工工序,避免交叉打架现象。(二)材料要求1.钢管:管材壁厚均匀、焊缝均匀,无劈裂、砂眼、棱刺和凹扁现象。除镀锌管外其他管材需预先进行管内外除锈、刷防腐漆,现浇混凝土时,管外可不刷防腐漆,但应除锈。镀锌管或刷过防腐漆的钢管外表层完整无剥落现象,并有出厂合格证。2.管箍:管箍使用通丝管箍,丝扣清晰、不乱扣,镀锌层完整无剥落、无劈裂、两端光滑无毛刺,并有产品合格证。3.锁紧螺母、护口:锁紧螺母(根母)、护口外形完好无损,丝扣清晰并有产品合格证。4.铁制灯头盒、开关盒、接线盒等,金属盒板厚度应符合《建筑电气通用图集》(92DQ)的要求,镀锌层无剥落,无变形开焊,敲落孔完整无缺,面板安装孔与地线焊接脚齐全,并有出厂合格证、“CCC"认证标志和认证证书复印件。5.面板、盖板的规格、高与宽、安装孔距应与所用盒配套,外形完整无损,板面颜色均匀一致,并有出厂合格证。6.圆钢、扁钢、角钢等材质应符合国家现行标准要求,镀锌层完整无损,并有质量证明文件。7.螺栓、螺丝、胀管螺栓、螺母、垫圈等应使用镀锌件。8.其他材料(如电焊条、防锈漆)无过期变质现象。(三)主要机具第2页共12页第1页共12页编号:时间:2021年x月x日书山有路勤为径,学海无涯苦作舟页码:第2页共12页1.煨弯器、液压煨弯器、液压开孔器、压力案子、套丝扳、套丝机等。2.手锤、錾子、钢锯、扁锉、圆锉、半圆锉、活扳子等。3.手电钻、台钻、钻头、工具袋、高凳、电工常用工具等。二、质量要求质量要求符合《建筑电气工程施工质量验收规范》(GB50303—2002)的规定。表2-1项序检查项目允许偏差或允许值主控项目1金属导管的接地或接零第14.1.1—1.2条2金属导管的连接第14.1.2条一般项目1埋地导管的选择和埋设深度第14.2.1条2导管的管口设置和处理第14.2.2条3电缆导管的弯曲半径第14.2.3条4金属导管的防腐第14.2.4条5绝缘导管的连接和保护第14.2.9条6柔性导管的长度、连接和接地第14.2.10条三、工艺流程四、操作工艺(一)熟悉图纸不仅要读懂电气施工图,还要阅读建筑和结构施工图以及其他专业图纸,电气工程施工前要了解土建布局及建筑结构情况和电气配管与其他工种间的配合情况。按照图纸及施工质量验收规范的规定,经过综合考虑,保持与其他管路的安全距离,确定盒(箱)的正确位置及管路的敷设部位和走向,以及在不同方向进出盒(箱)位置。第3页共12页第2页共12页编号:时间:2021年x月x日书山有路勤为径,学海无涯苦作舟页码:第3页共12页(二)测量管路、盒及吊杆的位置1.根据电气设计图纸以土建吊顶的水平高程线为基础并与其他专业配合(通风、空调)进行图纸会审,如有相互交叉、打架、距离不符合要求或接线不方便等情况提前制定技术措施,并及时办理洽商。2.管路、盒的测量放线:按照管路横平竖直的原则,沿管路的垂直和水平方向进行顶板、墙壁的弹线定位,注意与其他管路相互间的最小距离。用线坠找正,拉线确定管路距顶板的距离及接线盒的位置,并做好标识。3.吊杆位置的测量:根据吊杆位置的确定原则和管子的终端、转弯中点(两侧)、接线盒两端的距离为150~250mm,固定点间距要求均匀,既不能过大,也不能过小,管子中间固定点的最大距离见表4—1。中间固定点的最大距离(单位:m)表4—1敷设方式导管种类导管直径(mm)15~2025~3232~4050~6565以上管卡间最大距离(m)支架或沿墙明敷壁厚>2mm刚性钢导管1.52.02.52.53.5壁厚≤2mm刚性钢导管1.01.52.0--刚性绝缘导管1.01.51.52.02.04.当吊顶有分格块线条时,灯位必须按吊顶块分布均匀,见图4—1。图4—1按几何图型组成的灯位应相互对称布置,然后再根据灯位的位置确定配管管路的最佳敷设部位及走向。(三)预制加工管路、吊杆管子加工:根据设计图纸加工各种管弯及管子套丝。1.选管管子加工...

1、当您付费下载文档后,您只拥有了使用权限,并不意味着购买了版权,文档只能用于自身使用,不得用于其他商业用途(如 [转卖]进行直接盈利或[编辑后售卖]进行间接盈利)。
2、本站所有内容均由合作方或网友上传,本站不对文档的完整性、权威性及其观点立场正确性做任何保证或承诺!文档内容仅供研究参考,付费前请自行鉴别。
3、如文档内容存在违规,或者侵犯商业秘密、侵犯著作权等,请点击“违规举报”。

碎片内容

吊顶内管路敷设工程施工安全技术

您可能关注的文档

确认删除?
VIP
微信客服
  • 扫码咨询
会员Q群
  • 会员专属群点击这里加入QQ群
客服邮箱
回到顶部