电脑桌面
添加小米粒文库到电脑桌面
安装后可以在桌面快捷访问

子母钟系统工程实施方案(含出厂运输)VIP专享VIP免费

子母钟系统工程实施方案(含出厂运输)_第1页
1/35
子母钟系统工程实施方案(含出厂运输)_第2页
2/35
子母钟系统工程实施方案(含出厂运输)_第3页
3/35
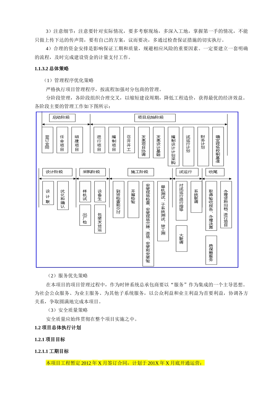
1.1.1项目概述本次医院建设项目标准时钟系统设备采购及相关服务,其中包括以下内容:(1)标准时钟系统的所有设备及管线等材料、软件、工具、备品备件、资料的提供;运输、装卸及其现场存储。(2)标准时钟系统的深化设计;编制系统竣工图及竣工资料。(3)标准时钟系统的管线敷设及设备安装;应用软件开发;系统调试;整个机电系统联调;系统试运行,系统参数优化;系统验收;技术培训、技术服务与支持、软件升级、维护保养等售后服务;1.1.2计划内容列表说明我方将制定合理的、可实施的计划,确保医院于合同约定的时间运营。本项目暂定工期计划序号任务名称工期(天)开始日期结束日期1项目时钟系统总工期110TT+1.1总体筹备及实地勘查5T+0T+51.2系统技术深化设计5T+5T+101.3系统设备材料采购3T+10T+131.4元器件及模块的采购3T+13T+161.5系统硬件生产7T+16T+231.6系统调试老化14T+23T+371.7设备运输到货7T+37T+441.8协调完成相关系统的接口测试7T+44T+511.9安装结构材料采购7T+51T+581.10现场设备安装督导21T+58T+791.11现场调试7T+79T+861.12现场测试、联调7T+86T+931.13开通试运行14T+93T+1071.14验收(竣工文档移交)3T+107T+1101.1.3计划执行要点和对策措施1.1.3.1相应对策1)定位的要准确:系统集成项目管理定位一定要正确,既不能偏重于设备制造阶段,也不能偏重于项目施工阶段,要分阶段按规律办事。2)要建立管理体系和工作流程,面对复杂的关系、庞大的规模,管理一定要规范、科学。首先有组织和制度上的保障,建立一个科学有效的体系。再要具备充分的准备和灵活的手段,配备充足的资源,制定各种应对的措施和流程。还要有思想上的重视,讲究全寿命周期服务的理念。3)注意细节:注意要针对实际情况,要多考察现场,多深入工地,掌握第一手的情况,不能只做上传下达的传声筒,要有自己的方案,议而要决,多通过检查保证措施的切实执行。4)合理的资金安排是影响保证工期和质量,规避相应风险的重要因素。一定要建立一套明确的流程,及时完成建设资金的计量支付工作。1.1.3.2总体策略(1)管理程序优化策略严格执行项目管理程序,按流程加强对分包商的管理。分阶段管理,各阶段组织合理交叉,以缩短建设周期,降低工程造价,获得最优的经济效益。各阶段主要的管理工作如下图所示:(2)服务优先策略在本项目的项目管理过程中,作为时钟系统总承包商要以“服务”作为集成的一个主导思想。为社会公众服务、为业主服务、为其他子系统服务,以公众利益和业主利益为首要利益,协调各方关系,争取圆满地完成本项目。(3)安全质量策略安全质量应始终贯彻在整个项目实施之中。1.2项目总体执行计划1.2.1项目目标1.2.1.1工期目标本项目工程暂定2012年X月签订合同,计划于201X年X月底开通运营;1.3.1.2质量目标以ISO9001质量体系标准为基础,使本项目质量符合中华人民共和国国家标准,等级优良。确保广州市优质工程,争创国优工程。1.2.1.3费用目标在合同价格范围内履行好合同。1.2.1.4安全目标控制人员、设备的不安全行为和不安全状态,杜绝人身伤害和设备损坏事故的发生。1.2.1.5环保目标遵守相应的法令、法规,达到合同的相关要求。1.2.3本项目总体执行计划的控制措施和管理流程1.2.3.1合同项目总体执行计划的管理流程图1.2.3.1合同项目总体执行计划的控制措施(1)工程进度控制措施●对项目计划的执行各阶段进度进行动态监督、检查和全过程控制,比较分析结果,重点控制关键点(重点、难点),关键点的时间节点控制。●全过程应用网络技术对工期进行有效控制,找出关键线路,合理安排作业顺序,统筹安排各子系统进度,各子系统既有专人负责,又有整体协调。●加强信息管理,及时收集、反馈项目实施进度有关资料,及时解决影响进度的各类问题,建立汇报制度(如日报、周报、月报、季报等)和例会制度。●服从业主的管理、协调、组织、指挥,以保证项目实施顺利进行,实现工期目标。●接受业主根据客观条件对项目进度计划做出的改变,创造条件充分满足业主对工期的要求。●根据业主的要求及时调整项目进度计划,交业主审核批准。●项目实施进度如有任何延迟、提前或可以预见到任何延...

1、当您付费下载文档后,您只拥有了使用权限,并不意味着购买了版权,文档只能用于自身使用,不得用于其他商业用途(如 [转卖]进行直接盈利或[编辑后售卖]进行间接盈利)。
2、本站所有内容均由合作方或网友上传,本站不对文档的完整性、权威性及其观点立场正确性做任何保证或承诺!文档内容仅供研究参考,付费前请自行鉴别。
3、如文档内容存在违规,或者侵犯商业秘密、侵犯著作权等,请点击“违规举报”。

碎片内容

子母钟系统工程实施方案(含出厂运输)

精品中小学文档+ 关注
实名认证
内容提供者

精品资料,值得下载

确认删除?
VIP
微信客服
  • 扫码咨询
会员Q群
  • 会员专属群点击这里加入QQ群
客服邮箱
回到顶部